乐于分享
好东西不私藏

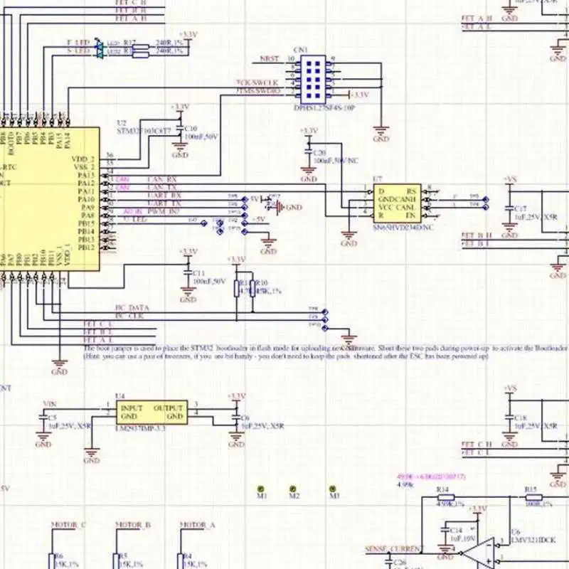
☀️☀️原理图+PCB+源码全都有!

本文最后更新于2025-07-28,某些文章具有时效性,若有错误或已失效,请在下方留言或联系老夜

☀️☀️原理图+PCB+源码全都有!

☀️☀️原理图+PCB+源码全都有!

☀️☀️原理图+PCB+源码全都有!

☀️☀️原理图+PCB+源码全都有!

☀️☀️原理图+PCB+源码全都有!

🎷最近在做电机项目,发现这套STM32F103c8t6无感无刷电机设计资料真的超实用!\n🥈\n🤍🤍包含原理图、PCB设计和完整源码,内容很详细,适合想深入学习的小伙伴。\n🎤\n🖐️🖐️不管是新手入门还是老手优化,都能找到需要的参考,省时又省力。\n🚫\n🕰️有需要的姐妹可以看看,适合做项目或者学习参考~\n#STM32资料 #原理图+PCB #无感无刷电机 #设计资料包 #嵌入式开发
本站文章均为手工撰写未经允许谢绝转载:夜雨聆风 » ☀️☀️原理图+PCB+源码全都有!
×
订阅图标按钮