AmeSim2021软件分享

利用Simcenter Amesim提高系统仿真产品设计效率,Simcenter Amesim是一个全球领先的集成、可扩展的机、电、液系统仿真平台。它允许设计工程师虚拟评估和优化系统性能。
Simcenter Amesim是一个领先的集成、可扩展的系统仿真平台,允许系统仿真工程师虚拟评估和优化机电一体化系统的性能。这将提高从早期开发阶段到最后的性能验证和控制校准的整体系统工程生产率。
为了使工程师在创建模型时能够节省时间,Simcenter Amesim将即用型多物理学库与应用–以及由强大的平台功能支持的面向行业的解决方案结合起来。这使工程师能够快速创建模型并准确地进行分析。
Simcenter Amesim是一个开放的环境,可以集成到企业流程中。用户可以轻松地将它与主要的计算机辅助工程(CAE)、计算机辅助设计(CAD)和控制软件包结合起来,与功能模拟接口(FMI)进行互操作,并将它与其他Simcenter解决方案和Teamcenter软件连接。Simcenter Amesim是Xcelerator组合的一部分,Xcelerator组合是西门子数字工业软件公司提供的全面和综合的软件和服务组合。
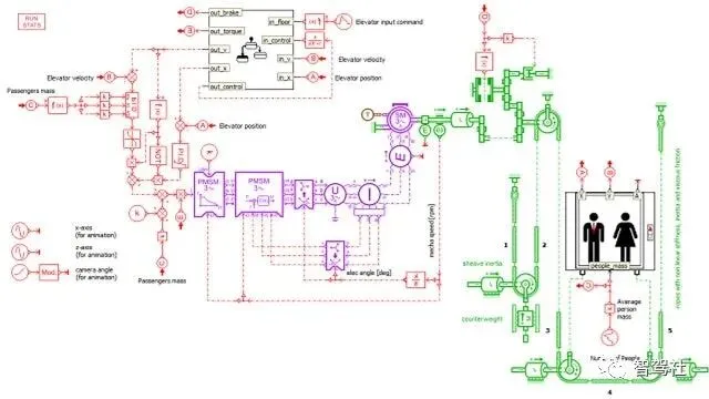
从概念设计到控制验证,对电气和机电系统进行仿真和集成。Simcenter系统有助于优化机电系统的动态性能,分析功耗,设计和验证汽车、航空航天、工业机械、船舶和重型设备行业的电气设备的控制规律。
从概念设计到控制验证,模拟电气和机电系统 Simcenter有助于优化机电系统的动态性能,分析功耗,为汽车、航空航天、工业机械和重型设备行业的电气设备设计和验证控制法。

使用Simcenter,工程师可以研究传统汽车的各种电气化架构,并虚拟评估电动子系统对电动和混合动力电动汽车的整体性能的影响。工程师还可以应对开发更多电动飞机和未来电气化推进系统的挑战。
电气化车辆仿真
掌握车辆电气化的工程复杂性。Simcenter提供所需的建模水平来模拟所有关键的子系统。无论你处理的是电池尺寸还是电机设计,工程师都可以从高效的建模工作流程中获益,以支持你从架构创建到集成的工程工作,包括详细设计。

飞机电气系统仿真
通过优化其电气网络并考虑到热集成,创建一个更加电动的飞机。Simcenter可以帮助您设计可靠的发电机、机电和静电执行器,并分析在发生故障时网络重新配置的影响。利用与Simulink的协同模拟,您可以将发电机控制单元与高保真多物理模型结合起来。预处理和后处理工具,如静电推杆(EHA)和电动机械推杆(EMA)参数优化、快速傅里叶变换(FFT)和线性分析功能,帮助您在认证测试中取得成功。
电气系统建模
受益于电池、燃料电池、功率转换器、线性执行器和电动机的现成模型,可以建立任何类型的电气设备架构。使用Simcenter的多物理场、多层次、可扩展和灵活的方法,您可以解决许多工程问题,如热管理系统的设计、系统性能的评估,或具有现实的机械或液压负载的效率,以及控制的设计和验证。
AmeSim 车辆动力系统仿真入门视频:
https://space.bilibili.com/407007820/channel/collectiondetail?sid=66425
AmeSim2021软件百度云连接:
通过百度网盘分享的文件:AmeSim20…
链接:https://pan.baidu.com/s/1h-D6Dk5pqQXuYPQzmKaDrw?pwd=b78e
提取码:b78e
复制这段内容打开「百度网盘APP 即可获取」
企业及高校交流合作请联系小编
(欢迎申请加入车辆仿真群,加小编微信号zhijiashexiaoming)