乐于分享
好东西不私藏

学习电力电子,我强力推荐这份文档!

学习电力电子,我强力推荐这份文档!

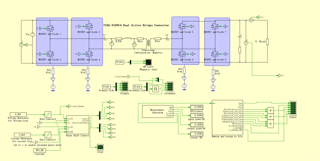
这份10kW双向DAB设计包含完整硬件方案、PLECS仿真模型和C2000控制代码。60多页设计指南PDF(从拓扑到控制到损耗分析全讲),PLECS仿真模型(支持双移相控制,直接改参数看波形),完整硬件文件(原理图、BOM、Gerber、PCB布局)、C2000实时控制代码(DigitalPower SDK) 
这份参考设计的最大价值在于它桥接了理论与实践,相比纯学术论文或零散教程,通过这份资料的学习可以在1-2周内就对DAB有了系统掌握!

文末附上原文链接

原文链接:https://www.ti.com.cn/tool/cn/TIDA-010054

在咱们的QQ群里,除了日常电力电子与新能源行业的职业信息分享之外,还有会知名企业的资深工程师为大家答疑解惑哦!还在等什么,赶快加入吧!
本站文章均为手工撰写未经允许谢绝转载:夜雨聆风 » 学习电力电子,我强力推荐这份文档!

评论 抢沙发

6 + 2 =
  • 昵称 (必填)
  • 邮箱 (必填)
  • 网址
×
订阅图标按钮