2023版盖梁专项施工方案word130页附计算书(会员资料)
| 加入2026《市政路桥实战参考》会员 |
| 2025《市政路桥实战参考》会员资料 |
|
|
| 2025《工程实战参考》会员资料 |
加入2026年度《市政路桥实战参考》会员
目录
第一章编制原则及依据
1.1 编制目的
1.2 编制依据
1.3 适用范围
第二章工程概况
2.1 工程简介
2.2 水文气候
2.3 地质条件
2.4 桥梁盖梁概况
2.5 典型盖梁结构形式
2.6主要工程量
2.7 机械设备配置
第三章施工总体部署
3.1 人力资源配置及分析
3.2材料供应配置
3.3施工用电及用水
3.4施工进度计划
第四章施工方法及工艺
4.1 施工准备
4.2 施工方法及工艺
4.3质量检验与控制
第五章质量保证措施
5.1 质量管理机构及体系
5.2 质量保证措施
第六章施工安全文明及环保施工保证
6.1 安全管理目标
6.2 安全管理组织机构
6.3 安全保证体系
6.4 安全管理制度
6.5 文明施工
6.6 环保措施
第七章季节性施工措施
7.1 雨季施工措施
7.2 夏季施工措施
7.3 冬季施工措施
第八章应急救援预案
8.1 应急预案方针与目标
8.2 应急救援原则
8.3 组织机构设置及职责
8.4 预防与预警
8.5 应急响应
8.6 后期处置
8.7 保障措施
8.8 风险应急措施
8.9 救援路线
附件一:11.7*2.8*1.8m盖梁计算书
附件二:11.45*2.4*1.6m盖梁计算书
附件三:安全梯笼安拆方案及计算书
第一章编制原则及依据
1.1 编制目的
为了加强质量管理,立足于“预防为主、先试点”的原则,认真贯彻执行“以工序保分项,以分项保分部、以分部保单位、以单位保总体”的质量保证体系,为了确保本标段桥梁下部结构施工质量满足设计及规范要求,总结桥梁下部结构施工相关技术经验,及时发现质量问题及相关隐患,逐项分析产生原因并制定相应的预防、解决措施,为后续的桥梁下部结构施工提供相应的经验支持及技术指导。
1.2 编制依据
(1)G59呼北高速湖南省新化至新宁段两阶段施工图设计,湖南省交通规划勘察设计院有限公司,北京建达道桥咨询有限公司;
(2)新新高速公路第二标段一期土建工程实施性施工组织设计;
(3)国家和交通部现行的公路工程基本建设法律、法规和公路工程施工及验收规范、规程、标准等;
《公路工程技术标准》(JTGB01-2014);
《公路工程施工安全技术规范》(JTGF90-2015);
《公路桥涵施工技术规范》(JTG/T3650-2020);
《公路工程质量检验评定标准》(JTG/TF80/1-2017);
《混凝土结构工程施工质量验收规范》(GB50204-2015);
《施工现场临时用电安全技术规范》(JGJ46-2005);
《工程测量标准》(GB50026-2020);
《钢筋机械连接技术规程》(JGJ107-2016);
《钢筋焊接及验收规程》(JGJ18-2012);
《建筑施工高处作业安全技术规范》(JGJ80-2016);
(4)我公司同类项目施工经验。
1.3 适用范围
本方案适用于桥梁盖梁施工,主要包括:钢筋制作及安装、模板安装及混凝土浇筑等施工。
第二章工程概况
2.1 工程简介
标段内全线桥梁总计14992m/45座(含互通匝道桥),其中特大桥1128m/1座。涵洞及通道131座,天桥1座,渡槽4座。路基挖方约719.5万方,填方约527.9万方。互通交叉工程4处,停车区1处,混凝土总量约112万方。
2.4 桥梁盖梁概况



2.5 典型盖梁结构形式






3.4施工进度计划
计划施工工期为:盖梁工程计划开工日期为2023年6月20日,结束日期为10月20日,共计120天。要根据总进度计划绘制横道图
第四章施工方法及工艺
4.1 施工准备
4.1.1技术准备
施工前组织工程部、试验室、测量队、施工队等相关人员熟悉设计图纸及施工技术规范要求,并认真学习施工方案及工艺要求、质量检测标准及质量控制要点、材料质量要求及检测方式频率等。并对现场施工人员进行相关技术作业交底;对特殊工种机械操作人员及钢筋工等人员进行培训,必须坚持持证上岗。
4.1.2施工现场准备
做好临时排水、施工便道和村道临时改路,保证桥梁盖梁施工时排水顺畅和道路通行畅通。
4.1.3试验准备
所用材料必须符合相关规范要求,使用前必须严格审核材料的出厂合格证和试验报告,并对所有原材料进行抽检,通过试验室检测,材料合格后方可使用,不合格的材料一律不允许使用在施工仓面内。试验室进行C40砼配比试验,依据砼试件,确定理论配合比。
4.1.4 测量准备
根据施工图纸,计算出桥梁下构的中心及轴线坐标,利用现场合格的导线点及水准点,采用极坐标法进行放样。
4.2 施工方法及工艺
4.2.1盖梁施工方法
盖梁模板拟采用定型钢模板,圆墩拟采用抱箍法,方墩拟采用穿芯棒法的施工方式。

1、圆柱抱箍法施工
(1)测量定位
墩身施工时,根据方案要求,在墩身横桥向侧壁上测量放样。盖梁底横坡通过抱箍间的高差调节。
(2)支架搭设
在进行抱箍紧固时,对每个高强螺栓都平行施加预拉力,即把每侧的螺栓均匀拧到相似的坚固程度,观察抱箍与墩柱的结合面,防止由于不均匀拧紧高强度螺栓引起墩柱受到偏压,造成施工隐患。同时也注意抱箍的各个板面及焊缝的情况,观察有无变形或开裂等情况。
在50cm主抱箍与30cm副抱箍安装完成后,在抱箍牛腿上安放调高砂盒或千斤顶,然后用吊车吊装国标贝雷片或者工字钢横梁摆放在调高砂盒或千斤顶上。两片主横梁之间用Φ25精轧螺纹钢对拉杆锁紧。之后在主横梁上按30cm间距铺设工字钢12分配梁,完成后测量出墩柱的设计中心点和各控制点的高程,用绳子拉出盖梁的设计中线,根据设计中心线在分配梁上铺底模并固定。
贝雷片或者工字钢架设前,在贝雷片或者工字钢与抱箍面设一个砂筒并形成整体,砂筒的作用是调整盖梁的横桥向的坡度和支架的卸落。在施工盖梁时,采用楔形块调坡,而不是通过调整抱箍来调坡。此种方法的好处是能让贝雷片或者工字钢架设在抱箍牛腿上支撑时受力均匀。贝雷片或者工字钢架设完成后,再在其上铺设槽钢。当模板底部的槽钢铺设好后,测量出墩柱的设计中心点和各控制点的高程,用绳子拉出盖梁的设计中线,根据设计中心线在槽钢上铺底模。
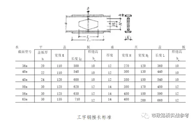
部分45a工字钢长度不够按下图标准接长,工字钢腰焊接2块10cm厚度加强钢板,加强钢板按下表尺寸下料;要求工字钢接头满焊,加强钢板周围与连接工字钢满焊,同一条工字钢只容许接长一次。



2、方柱穿芯棒法施工
方柱墩盖梁采用“预埋钢棒法”。在上一节墩柱施工过程中依据盖梁底标高计算出钢棒预埋孔的位置并预埋110mmPVC管,待墩柱模板拆除后将定制的φ10cm钢棒穿在预埋孔里做为受力构件。支架体系从下到上分别为φ10cm钢棒、砂桶、双拼贝雷片主梁、工字钢12@30cm分配梁,分配梁上铺设定制钢模板。主梁与主梁之间采用Ф25精轧螺纹钢对拉,增强托架的稳定性。外侧设置1.2m高护栏,护栏四周采用安全网维护。
3、钢筋安装
①钢筋应平直,无局部弯折,表面洁净。使用前应将表面油渍、漆皮、泥渣、锈斑等清除干净。
②钢筋在加工场加工制作成盖梁骨架片,通过平板运输车运送至现场安装。钢筋加工尺寸必须按照设计图纸严格执行并做好归类和标识。
③钢筋焊接接头,在接头长度区段内,同一根钢筋不得有两个接头,单面焊焊接长度不小于10d,双面焊焊接长度不小于5d,并应保证焊缝质量。
④在安装绑扎盖梁钢筋之前必须清理好底模板,保证模板内无杂物。
⑤为保证钢筋位置的准确性,在安装前,在底模标识出钢筋的边线和模板安装线,即保护层厚度。并控制好钢筋的间距。
⑥成品钢筋工程必须符合设计图钢筋的间距、规格、保护层厚度等要求。垫块强度不得低于同构件混凝土强度,垫块厚度按设计保护层厚度制作。垫块应相互错开、分散设置在钢筋与模板之间,但不应横贯混凝土保护层全部截面进行设置。垫块在结构或构件侧面和底面所布设的数量应不少于4个/m2,重要部位宜适当加密,
⑦钢筋制安完成并经检验合格后方可进行下一道工序施工。
4、模板安装
①采用定型5mm厚钢模板。先进行试拼装,保证其表面要平顺,两模板间接缝为平缝。试拼装没问题后才运至施工现场。
②模板安装好后,应对其平面位置、顶部标高、节点联系及纵横向稳定性进行检查。经监理工程师签认后方可浇筑混凝土。
5、混凝土浇筑
砼采用分段分层的方法进行浇筑,浇筑顺序为先悬空部分后墩顶部分,从悬挑段向中心端浇筑,浇筑采用吊斗或泵送入模,混凝土放送高度应小于2m,避免离析。砼应水平分层浇筑,并应边浇筑边振捣,浇筑砼分层厚度为30 cm左右。砼的振捣使用直径为50cm的插入式振捣器,移动间距不得超过振捣器作用半径的1.5倍;与侧模应保持5~10cm的距离;插入下层砼5~10cm;振捣密实快速插入后徐徐提出振捣棒;应避免振捣棒碰撞模板、钢筋及其他预埋件,造成模板变形,预埋件移位等。密实的标志是砼面停止下沉,不再冒出气泡,表面呈平坦、泛浆。
浇筑砼时应对称进行,使模板均匀受力,设专人检查支撑、模板、钢筋和预埋件的稳固情况,当发现有松动、变形、移位时,应及时进行处理。砼浇筑完毕后,对砼面应及时进行修整、收浆抹平,砼浇筑完初凝后,开始养生。砼的浇筑日期、时间及浇筑条件都保有完整的记录,供监理工程师签认存查。砼按频率现场取样。



。。。。。。
篇幅过长,共130页,以下略
| 加入2026《市政路桥实战参考》会员 |
| 2025《市政路桥实战参考》会员资料 |

250910. 2023版盖梁专项施工方案word130页附计算书
资料下载方式

点击关注以下5个实用微信公众号
夜雨聆风
