
2.1、场地处于观音峡背斜西翼,经地质调查和钻探揭露场区周围无断层及构造破碎带通过,岩层产状
246°∠9°,层间结合良好,属硬性结构面。岩石节理裂隙较发育,地质构造相对简单。根据《建筑抗震设计规范》(GB50011-2010),拟建场地抗震设防烈度为
6 度, 设计基本地震加速度值为 0.05g,设计地震分组为第一组。
本项目根据地勘报告显示场地内的地层岩性有:第四系人工填土层(Q4ml),第四系残坡积粉质粘土(Q4el+dl),侏罗系中统沙溪庙组泥岩(J2S-Ms)、砂岩(J2S-Ss)。
素填土:紫红色、褐色,松散~稍密,由粉质粘土及砂泥岩碎块石组成,碎块石呈块状、棱角状、次棱角状,块径10~320mm,土石比7:3~6:4,为机械抛填。据钻探揭露,
黄褐色,可塑~硬塑状,刀切面稍有光泽,干强度中等,韧性中等,无摇震反应。
紫红色,泥质结构,中~厚层状构造。主要矿物成分为粘土矿物,局部含砂质。
浅灰色、灰色,中~细粒结构,中~厚层状构造,泥钙质胶结,矿物成为以长石、石英为主,暗色矿物、云母次之,局部含泥质重,见灰褐色泥质条带。
本项目场地地下水以其含水介质可分为松散层孔隙水和基岩裂隙水两类。场地地下水主要为大气降水和地下管网渗漏补给,水量较小。拟建区属亚热带气候,无霜期长,多云多雾,雨量充沛。降雨集中于夏季,多暴雨,久晴伏旱时有发生。
拟建场地北侧 100 米处有一大溪河由西向东流过,该河流水来源主要为上游及斜坡地表水补给,流量较小。大气降雨后周边斜坡水体均向此处汇集。
拟建场地为南北走向展布的“长方形状”地块,东西向宽约440m、南北长约625m,地块占地面积约为310亩,属于郊区,场地范围内及附近周边非居住集中区,地势复杂,后经回填。地块西侧为已建成的铜陶路;项目北侧为另一标段项目。
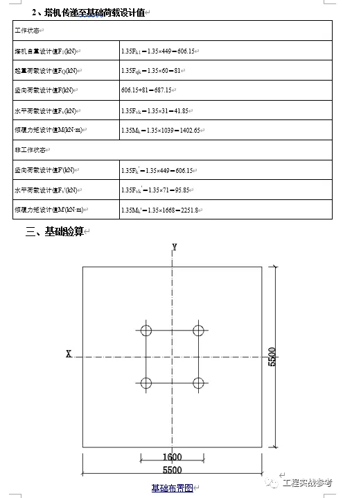
本标段地质岩为泥岩(J2S-Ms)、砂岩(J2S-Ss),塔吊布置相应楼栋位置确定塔吊基础形式,根据地勘报告形式显示,其中24#楼、26#楼、28#、32#楼塔吊采用承台基础,开挖尺寸不小于5500×5500mm,持力层基础的土质应坚固牢实,地基承载力达到20吨/平方米,且深度不低于1.35m,混凝土强度等级为C40(P6),33#、34#楼塔吊采用桩基承台基础,桩基直径为800mm,承台尺寸不小于5500×5500mm,深度不低于1.35m,混凝土强度等级为C40。钢筋配筋信息见附图一。

经过综合考虑本项目所需塔吊最合理的作业面(覆盖范围)、高度要求、附墙技术要求、吊臂无障碍覆盖范围等,塔吊平面基础及灌注桩位置设在地下室底板基础位置,基础标高详下图。塔吊基础位置详塔吊平面布置图,见附图二。
塔吊基础平面图进行开挖,放坡系数1:1,工作面不小于300mm。
1)根据验算为确保塔吊使用安全,每个塔吊基础承台下设4根桩基,桩基直径为800mm,桩长最小不少于6m,嵌岩深度不小于1.5m,配筋信息详见附图四;
2)机械成孔桩砼标号为C35,塔吊基础承台砼标号均为C40P6,基底做100mm厚C20砼垫层。
3)基础顶面采用原浆找平,用水准仪校水平,倾斜度和平整度误差不超过1/5000;
4)地脚螺栓采用A25的圆钢,每个基础安装8个,具体尺寸详见地脚螺栓预埋图。位置、尺寸要绝对正确,应特别注意做好复核工作,尺寸误差不超过±0.5mm,螺纹位须抹上黄油,并注意保护。
基础4根桩施工→放样→塔基土方开挖→100厚C20垫层施工→砖石基础及防水层→50厚C20细石→钢筋绑扎→预埋螺栓→支模加固→隐蔽验收→浇捣砼及养护
2.1、本工程塔吊基础拟采用钢筋砼基础,基础四周砌砖石基础240mm厚,内侧面抹灰,内做防水层,防水保护层厚度50mm,基础垫层100mm(砖石基础外100mm),内配钢筋双层双向C25@170钢筋,拉筋C20mm@510mm钢筋为上下两层的联系筋,钢筋保护层厚度50mm,混凝土强度C40P6。
2.2、预埋基础地脚螺栓与基础内钢筋网作可靠连接,面筋通过预埋基础地脚螺栓有困难时主筋可避让,浇筑混凝土时在过渡标准节的两个方向的中心线挂铅锤线或经维仪校正垂直度,保证预埋后塔身的中心线与水平面的垂直度<1.5/1000。
2.3、模板施工:基础模板为覆合板,施工前,模板涂上脱模剂;模板的接缝不应漏浆,在浇筑混凝土前模板应浇水湿润,但模板内不应有积水,模板内杂物应清理干净。
2.4、基础砼浇捣:砼浇捣时,振动棒应快插多振,防止漏振,充分振捣密实,特别应注意预埋螺栓处砼振捣质量。在振捣完毕后,用人工将斜面拍平成型。砼表面二次压光,防止出现收缩裂缝。砼浇捣时还应随时对塔吊地脚螺栓进行监测,随时校正。
9.3紧急处置措施
当位移观测:护坡部位超过预警值或边坡出现严重坍塌、崩塌或者出现垮塌时,应立即采取下列措施:
(1)电话或口头迅速报告上级部门领导以及业主等相关单位。
(2)迅速召集和组织工程抢险人员,宣布应急预案启动。
(3)按各自分工,各部门岗位人员迅速投入抢险救援。
(5)紧急救护受伤人员:伤员由发现情况的组员立即送往医院,疏散危险地带人员,并向上级汇报;设置危险区域防护隔离带;事故及危险地段未开挖部分停止土方开挖:停止危险地段其它各项施工。
(6)严禁救护过程中违章指挥和冒险作业,防止出现新的事故。

