夜雨聆风
乐于分享
好东西不私藏
首页
教程
玩机教程
网站开发
WordPress
源码
模板主题
网站源码
插件脚本
软件
手机应用
电脑应用
iOS专区
TV盒子
车机软件
办公开发
游戏
好片推荐
活动资讯
最新活动
科技资讯
其他资源
实用趣站
零散资源
谈天说地
关于我们
进制转换
毒鸡汤
画图板
代码运行
在线排版
今天吃啥
随机密码
在线Markdown
关注本站
微信
当前位置:
夜雨聆风
>
技术教程
>
软件教程
>
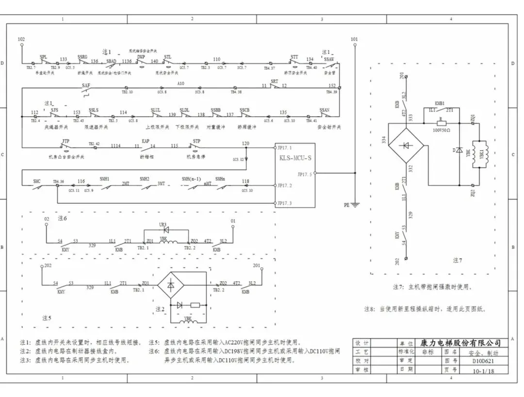
康力D10D621电梯安全回路及插件详解
康力D10D621电梯安全回路及插件详解
当前时间: 2026-02-09 07:51:31
分类:
软件教程
评论(0)
康力D10D621电梯安全回路及插件详解
本站文章均为手工撰写未经允许谢绝转载:
夜雨聆风
»
康力D10D621电梯安全回路及插件详解
wang
上一篇
互联网+医药+我APP招募二十五万名股东
下一篇
Altair PSIM 2023 软件下载及安装教程
猜你喜欢
   
  
Altair PSIM 2023 软件下载及安装教程
   
  
互联网+医药+我APP招募二十五万名股东
   
  
国家免费学习平台app,赶紧收藏起来.
   
  
她靠20个小插件月入15万美金
   
  
国家免费学习平台app,赶紧收藏起来.
   
  
PSIM DEMO 11.1 软件下载及安装教程
   
  
微图App从入门到实战(1):产品简介
   
  
Blender插件-烘焙制作自定义材质 Fluent Materializer V1.12.1
评论
抢沙发
取消
有人回复时邮件通知我
2 + 9 =
提交评论
昵称
昵称 (必填)
邮箱
邮箱 (必填)
网址
网址
×
随机推荐:《国家送的6个免费神器,每一个都好牛皮🐮》
国家送的6个免费神器,每一个都好牛皮🐮
已关闭评论
)
随机推荐:《手机维修避坑咨询》
手机维修避坑咨询
已关闭评论
)
随机推荐:《学校公用电脑里面的软件到底有什么用》
学校公用电脑里面的软件到底有什么用
已关闭评论
)
随机推荐:《Hi everyone, welcome me to the app!》
Hi everyone, welcome me to the app!
已关闭评论
)
随机推荐:《食品安全追溯系统源码+前后分离+设计文档》
食品安全追溯系统源码+前后分离+设计文档
已关闭评论
)