【免费下载】精编安徽省滁州市定远县育才学校20212022学年九年级3月第一次月考物理试题

学年度第二学期九年级第一次月考
物理试题
一、选择题(本大题共10小题,每小题
二、3分,满分30分)
1. 如图,能正确表示“月食”形成时太阳、地球和月球间大致位置关系的是( )
A. B.
C. D.
2. 如图所示,是根据照相机成像原理自制模型照相机,在“自制照相机模型”时,下列说法正确的是( )

A. 在取材时,胶片使用的材料是透明薄膜
B. 为使成像清晰,观察时应选择暗的物体做观察对象
C. 照相时,镜头离景物的距离要大于二倍焦距,才能在薄膜上看到清晰的像
D. 用自制的照相机先拍摄到了远处的物体,再拍摄近处物体时,应增大AB间的距离,此时薄膜上的像变小
3. 如图为某晶体的凝固与熔化过程,下列说法正确的是( )

A. 在BC段,该物质吸热
B. 该物质的熔化过程是图象中的EF段
C. 该物质凝固时的温度是55℃
D. 该物质的熔化过程持续了5min
4. 2022年2月4日冬奥会在北京开幕。滑冰比赛时,为了消除冰刀滑行造成的划痕,常需进行“补冰”。“补冰”时,工作人员在冰面上浇水,并向浇水处喷撒干冰(固态二氧化碳)。“补冰”时干冰和水发生物态变化的过程中( )
A. 均放出热量B. 均吸收热量
C. 干冰放出热量,水吸收热量D. 干冰吸收热量,水放出热量
5. 如图所示电路中,闭合开关后,R1或R2其中有一处出现了故障,以下分析正确的是

A. 若电流表无示数,电压表有示数,则R1断路
B. 若电流表无示数,电压表有示数,则R2短路
C. 若电流表有示数,电压表无示数,则R1断路
D. 若电流表有示数,电压表无示数,则R2短路
6. 如图所示,滑轮第一次受到F1的作用,第二次受到竖直向上F2的作用,物体的重力为G。在不计摩擦的情况下,将物体匀速向上提起时( )

A. F1<F2
B. F2=
G
C. F1的力臂为OA
D. 在F2方向上移动的距离为物体上升距离的2倍
7. 如图所示,用一平行于斜面向上
力将质量为80kg的木箱从2m长的斜面底端匀速拉到顶端(可以把木箱看作质点),斜面的倾斜角为30°,木箱受到的摩擦力是木箱重力力的0.1倍,则下列说法正确的是( )

A. 木箱克服摩擦力做功80JB. 拉力大小为480N
C. 斜面的机械效率80%D. 拉力做功为880J
8. 如图所示,工人师傅在50s内用大小为500N的力F,将物体从斜面底端匀速拉到顶端,若此装置的机械效率为80%,g=10N/kg,不计绳子与滑轮间的摩擦力,下列说法正确的是( )

A. 所拉物体的质量为800kg
B. 拉力的功率是40W
C. 物体在斜面上运动时受到的摩擦力是100N
D. 物体在斜面上运动时受到的摩擦力是500N
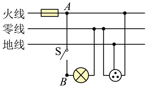
9. 图是某家庭电路的一部分,下列说法正确的是

A. 电冰箱接入三孔插座后其外壳与零线相连
B. 断开开关S时,用试电笔接触A点氖管发光,接触B点时氖管不会发光
C. 保险丝烧断后可用铜丝代替
D. 闭合开关S时,电灯不亮,保险丝未烧断,可能是电灯短路
10. 如图所示的四个磁现象实验中,反映电动机原理的是()
A. 电磁铁磁性的强弱与线圈匝数有关B. 通电后导体在磁场中由静止开始运动
C. 闭合回路一部分导体切制磁感线产生电流D. 通电导线下方的小磁针发生偏转
二、填空题(本大题共10小题,每小空1分,满分26分)
11. 自己来制作“水瓶琴”乐器,如图在8个相同的水瓶中,灌入质量不同的水,水面的高度不等。

若用嘴依次吹瓶口,可以发出不同的音调,此时发出的声音的声源是______(选填“空气柱”或“瓶和水”),盛水越多,发出的声音的音调就越______。
12. 光纤熔接机(如图)主要用于光通信项目中光缆的对接和维护,主要是靠高压电弧放电将需要对接的两光纤断面______(填写物态变化名称),同时用高精度运动机构平缓推进让两根光纤融合成一根,再让光纤______(选填“吸热”或“放热”)凝固,即完成对接。

13. 为了消杀新冠病毒,工作人员在教室喷洒酒精后,同学们进入教室闻到刺鼻的酒精味,这是_______现象;把质量相同的酒精和汽油(已知热值q汽油>q酒精)充分完全燃烧,产生热量较多的是________。
14. 如图所示物体长度是_______cm;如图所示温度计示数为______℃;如图所示是小明家的电能表,读数为_______kW·h,小明家最多能接入总功率为____W的用电器.



通过网盘分享的文件:【免费下载】精编安徽省滁州市定远县育才学校20212022学年九年级3月第一次月考物理试题
链接: https://pan.baidu.com/s/16Xzrpwpt6bR3cp-SukEU5g?pwd=4321 提取码: 4321
–来自百度网盘超级会员v8的分享
夜雨聆风
