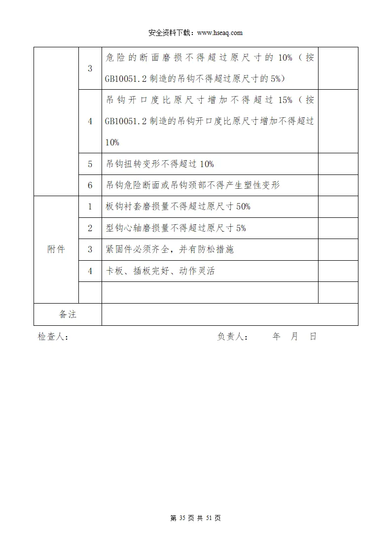
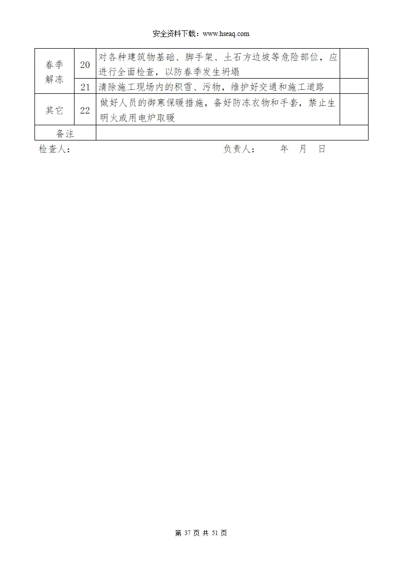
Word |【29】2026春节后复工复产安全工作方案
点击上方“蓝字”,领取福利资料,本资料获取见文末
只要是我们发表的文章,均有原版可编辑文件;
点击文末“阅读原文”直达资料下载官网





















































-往期回顾-
PPT |【三级安全教育】三级教育之班组级安全培训(73页)
Word |【汇编】消防安全重点单位规范化管理手册(89页)
Word |【三级安全教育】全套三级安全教育知识点汇编(24页)
PPT |【课件】八大特殊作业安全要求及相关人员职责(87页)
Word |【表格】全套消防安全工作台账、表格汇总(68页)
资料下载网址:www.hseaq.com

下载网址
来源:HSE安全视频资料库、网络,侵删。
点击“阅读原文”直达HSE安全资料网下载资料!


夜雨聆风
