塔吊基础施工方案附计算书布置图word70页(会员资料)
|
|
|
|
| 加入2026《市政路桥实战参考》会员 |
| 2025《市政路桥实战参考》会员资料 |

目录
一、编制依据
二、工程概况
2.1、工程建设概况
2.2、结构设计概况
2.3、装配式概况
2.4、地质概况
2.4.1地基土构成及岩性特征
2.4.2地下水
2.4.3地基土的腐蚀性
2.4.4天然地基承载力
2.5、地基基础及换填土工程设计概况
三、塔吊选型
四、塔吊基础定位及做法
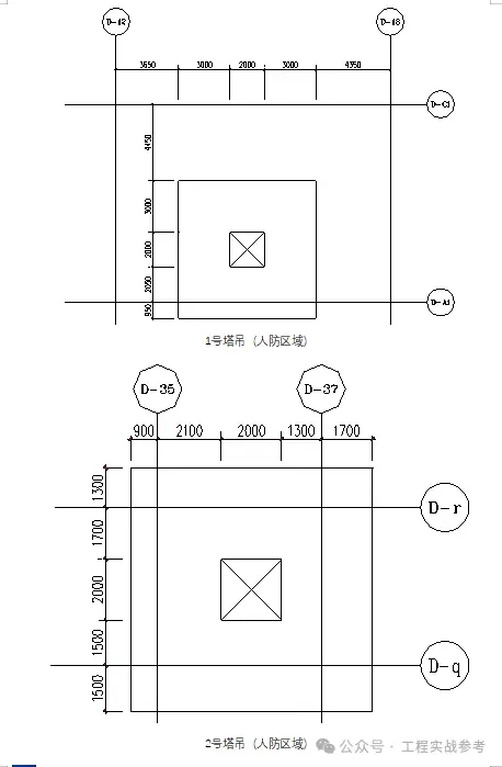
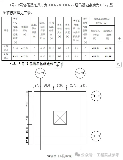
4.1、1号~2号塔吊基础定位及尺寸
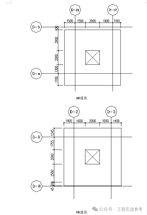
4.2、3号~7号塔吊基础定位及尺寸
五、塔吊基础施工
5.1、施工准备
5.1.1、技术准备
5.1.2、材料准备
5.1.3、测量准备
5.1.4劳动力准备
5.2、施工顺序
5.2.1、砖胎膜砌筑
5.2.2、马凳预埋
5.2.3、防水层施工(与筏板顶同标高)
5.2.4、钢筋绑扎
5.2.5、接地电阻安装
5.2.6、混凝土施工
六、质量控制措施
6.1质量保证措施
6.2质量验收规范
七、安全保护措施和应急预案
7.1安全保护措施
7.1.1安全目标
7.1.2注意事项
7.1.3管理制度
7.2监测措施
7.3应急预案
7.3.1应急方针和原则
7.3.2应急流程
7.3.3应急小组的成立
7.3.4应急物资准备
7.3.5小型事故处理
7.3.6大型事故处理
八、附件
8.1、计算书
8.1.1、STT373-18t(65m臂)
8.1.2、TC7527-18t(50m臂,基础7*7*2m)
8.1.3、TC7527-18t(50m臂,基础8*8*1.7m)
8.2、塔吊布置图
本工程由1#-4#高层住宅楼、5#-12#叠拼别墅、地库、1#化粪池、2#化粪池及雨水调蓄池组成,主要业态为住宅,总建筑面积149197㎡,其中地上建筑面积为76160㎡,地下建筑面积为73037㎡,人防建筑面积为6880.32㎡。最高楼栋建筑高度为79.2m。其中1#楼地上22层,地下5层;2#-4#楼地上27层,地下5层;5#-6#楼地上4层,地下5层;7#-12#楼地上4层,地下3层。各楼栋地下均含夹层。
2.2、结构设计概况



2.5、地基基础及换填土工程设计概况
本工程拟建9#、10#住宅楼地上4层,地下3层,高13.65m,±0.00=62.20m,基础埋深10.25m,基底标高51.95m,直接地基持力层为黏质粉土填土①层、杂填土①1层和卵石③层,需将上部人工填土全部挖除,用级配砂石分层夯实回填至设计标高,压实系数不小于0.97,地基承载力≥180Kpa。验收合格后方可进行塔吊基础施工。
三、塔吊选型
本工程地下为整体地下室整体车库,其中地上建筑面积为76160㎡,地下建筑面积为73037㎡,地上为1#~12#楼共12栋单体,每栋楼单层面1~4#楼为高层,最大建筑面积约650㎡,5#~12#楼为别墅,最大建筑面积约600㎡。根据吊次计算及综合考虑平面部署现场共布置7台塔吊,其中1#楼、2#楼配置一台塔吊(1号塔),塔吊型号STT373A-18T,臂长65m;3#楼配置一台塔吊(2号塔),塔吊型号STT373A-18T,臂长65m;4#楼配置一台塔吊(3号塔),塔吊型号STT293A-12T,臂长40m;5#楼、6#楼配置一台塔吊(4号塔),塔吊型号T7527-18T,臂长60m;9#楼、10#楼配置一台塔吊(5号塔),塔吊型号T7527-18T,臂长50m;8#楼、11#楼配置一台塔吊(6号塔),塔吊型号T7527-18T,臂长50m;7#楼、12#楼配置一台塔吊(7号塔),塔吊型号T7527-18T,臂长45m。
四、塔吊基础定位及做法
本工程塔吊布置位置充分考虑了以下几个因素:现场材料垂直、水平运输的需要;塔吊与楼层结构附着连接的位置适当;塔吊穿越地下室顶板避开预应力主次梁及地库框柱,同时需充分考虑到本工程周边建筑物、树木等条件。
塔吊平面布置详见附图。
4.1、1号~2号塔吊基础定位及尺寸









。。。。。。
|
|
|
|
|
2025年《工程实战参考》会员资料 22. 塔吊、施工升降机 |
|
| 持续更新中,点击题目阅读 | |
|
|
|
|
|
|
|
|
|
|
|
|
|
|
|
|
|
|
|
|
|
|
|
|
|
|
|
|
|
|
|
|
|
|
|
|
|
|
|
|
|
|
|
|
|
|
|
|
|
|
|
|
|
|
|
|
|
|
|
|
|
|
|
|
|
|
|
|
|
250329. 塔吊基础施工方案附计算书布置图word70页资料下载方式
点下面关注微信公众号:
2025《工程实战参考》会员资料

夜雨聆风
