苏联坦克工业合集:红色铁拳“苏联”牵引式反坦克炮(2)
我们继续聊苏系牵引式反坦克炮,这种火炮应当属于上古武器。今天对这种武器需求并不强烈,因为太多武器可以替代他的位置。

位于以色列齐赫龙雅科夫(Zichron Yaakov)火炮博物馆(Beyt ha-Totchan)的苏联 D-44 型 85 毫米野战炮。摄于 2005 年。
直瞄火力防护分析
根据 7.62×54mm LPS(轻型普通弹)的已知穿透特性,由 4.5 毫米均质压延装甲(RHA)制成的炮盾应能在 100 米距离外挡住该型号子弹。然而,此类炮盾无法防御穿甲弹:7.62×54mm B-32(穿甲燃烧弹)能在 700 至 800 米距离外、以 30 度角击穿 4.5 毫米 RHA 板;而 .30 口径 M2 穿甲弹在撞击速度为 450 米/秒(对应约 800 米射程)时也能击穿同等厚度的装甲。在 700-800 米距离内,这两款弹药都可能实现部分穿透,因此该厚度的炮盾仍无法提供充分保护。

1942 年型(M-42)45 毫米反坦克炮 — 使用 45×386 毫米半凸缘弹壳(SR)弹药。
根据美国战争部出版的《德国军队手册》,德军 3.7cm Pak 36 的钢制炮盾倾斜角度为 30 度,厚度为 3/16 英寸(约 4.76 毫米)。相比之下,美国所有反坦克炮的炮盾厚度均标准化为 6.35 毫米,且不考虑炮盾形状和倾斜度。据希罗科拉德记载,红军的 45mm M-42 反坦克炮于 1942 年服役时,将炮盾厚度增加到了 7 毫米,以提升对穿甲弹的防护能力,这使得炮盾重量从 53.7 公斤增加到了 79.5 公斤。
取代 Pak 36 的 5 cm Pak 38 采用了新型炮盾,由两块 4 毫米装甲板组成,中间留有 1 英寸(约 25.4 毫米)的空气间隙,且倾斜 30 度。这种**间隙装甲(Spaced armour)**方案被随后的所有德国反坦克炮沿用至战争结束。根据对类似窄间隙装甲的研究,Pak 38 的间隙炮盾相比单层 RHA 板在质量效率上有适度提升。表面上看,这足以在 100 米及更远距离挡住 7.62 毫米穿甲弹,这在仅少量增加重量的情况下,对比传统的 6.35 毫米或 7 毫米单层炮盾实现了显著的防护跨越。
通常情况下,**炮弹碎片(榴弹破片)**是决定炮盾防护要求的主要威胁。机枪直瞄火力通常不用于摧毁反坦克炮,因为火炮的部署位置往往使步兵武器难以对其进行有效射击。在美国陆军 1957 年的 FM 14-12《坦克炮术》手册中,模拟反坦克炮在考核测试中应使用高爆弹(HE)在 1,000 至 1,500 码(约 914 至 1371 米)距离内交战。
美国坦克并无使用同轴 .30 口径机枪击毁装甲目标的需求,这体现在其典型弹药组合中明显缺乏穿甲弹。整个冷战期间,4 发普通弹配 1 发曳光弹是标准配比。即使配发了穿甲弹,其有效使用也以前提是坦克必须逼近火炮阵地,这不仅极其不明智,更重要的是违反了作战条令。
根据《国防技术评论》2009 年 6 月刊发表的《防护技术发展》一文,包括二战、朝鲜战争、越南战争、中东战争及马岛战争在内的常规战争中,弹道伤亡统计显示:59% 来自炮弹碎片,仅 19% 来自子弹,其余 22% 来自其他原因。
直接命中火炮虽然有效,但很难实现。因为反坦克炮通常体积小巧、隐蔽良好,且坦克炮手在试图还击时面临极大的心理压力和时间紧迫感。实战经验表明,**高爆弹(HE)**始终是对付反坦克炮的首选。

美国 90毫米高爆弹(HE)M71 : 该弹丸由空心钢锻件制成,具有船尾形(Boat-tailed)弹底和流线型弹头(Ogive),并分为标准引信孔型或深腔(Deep cavity)型两种。其装药量为 2.15 磅 B 炸药(若为深腔型则为 1.68 磅),或 2.15 磅 TNT(若为深腔型则为 1.6 磅)。部分早期弹药装填的是 50-50 阿马托炸药(Amatol),并在传爆药周围包裹少量 TNT 作为增压药。附加装药(Supplementary charge)重 0.3 磅 TNT。大多数深腔弹丸在组装时均配有附加装药、隔圈和闭塞塞(Closing plug);然而,某些早期生产的弹药在组装时仅配备了附加装药和弹头引信(PD fuzes),或者在未安装引信时也不使用附加装药,仅安装一个闭塞塞。
90mm M71 高爆弹碎片密度数据(参考)
下表由二战装甲历史研究小组根据 TM 9-1907《弹道数据及弹药性能》整理,展示了 90 毫米 M71 高爆弹产生的碎片密度,该弹种代表了冷战初期美国中型坦克使用的 90 毫米炮弹。
弹药类型:90mm M71 HE
碎片密度评价:较 75mm/105mm偏低
穿透能力(针对 1/4 英寸软钢):略优于 75mm HE(碎片密度更高)

美国高爆弹破片性能(U.S. HE Shell Shrapnel Performance)(表格翻译内容)
以下数据为不同口径火炮高爆弹在**距爆点 20 英尺(约 6 米)和 100 英尺(约 30 米)**处的破片数量及其对软钢板的穿透能力统计。
75 毫米 M3 火炮 — HE M48 高爆弹
在距爆点 20 英尺处:
总破片数约 950 个,有效破片密度 0.189 个/平方英尺。
其中能够穿透 1/8 英寸软钢的破片约 550 个,密度 0.109 个/平方英尺。
能够穿透 1/4 英寸软钢的破片约 186 个,密度 0.037 个/平方英尺。
在距爆点 100 英尺处:
总破片数约 460 个,有效破片密度 0.00366 个/平方英尺。
能够穿透 1/8 英寸软钢的破片约 195 个,密度 0.00155 个/平方英尺。
能够穿透 1/4 英寸软钢的破片约 41 个,密度 0.00033 个/平方英尺。
76 毫米 M1A1 火炮 — HE M42A1 高爆弹
在距爆点 20 英尺处:
总破片数约 560 个,有效破片密度 0.111 个/平方英尺。
能够穿透 1/8 英寸软钢的破片约 285 个,密度 0.0567 个/平方英尺。
能够穿透 1/4 英寸软钢的破片约 63 个,密度 0.0125 个/平方英尺。
在距爆点 100 英尺处:
总破片数约 338 个,有效破片密度 0.00269 个/平方英尺。
能够穿透 1/8 英寸软钢的破片约 89 个,密度 0.00071 个/平方英尺。
对 1/4 英寸软钢的穿透破片数量未给出数据。
90 毫米 M3 火炮 — HE M71 高爆弹
在距爆点 20 英尺处:
总破片数约 672 个,有效破片密度 0.134 个/平方英尺。
能够穿透 1/8 英寸软钢的破片约 430 个,密度 0.0855 个/平方英尺。
能够穿透 1/4 英寸软钢的破片约 208 个,密度 0.0414 个/平方英尺。
在距爆点 100 英尺处:
总破片数约 400 个,有效破片密度 0.00318 个/平方英尺。
能够穿透 1/8 英寸软钢的破片约 216 个,密度 0.00172 个/平方英尺。
能够穿透 1/4 英寸软钢的破片约 81 个,密度 0.00064 个/平方英尺。
105 毫米 M4 火炮 — HE M1 高爆弹
在距爆点 20 英尺处:
总破片数约 1010 个,有效破片密度 0.201 个/平方英尺。
能够穿透 1/8 英寸软钢的破片约 950 个,密度 0.189 个/平方英尺。
能够穿透 1/4 英寸软钢的破片约 478 个,密度 0.0951 个/平方英尺。
在距爆点 100 英尺处:
总破片数约 856 个,有效破片密度 0.00681 个/平方英尺。
能够穿透 1/8 英寸软钢的破片约 480 个,密度 0.00382 个/平方英尺。
关于 1/4 英寸软钢的穿透数据未给出。
总体来看,在这些弹药中,105 毫米 HE M1 高爆弹在破片数量和破片密度方面明显占优,而 75 毫米和 90 毫米高爆弹的破片数量和穿透能力居中,76 毫米 HE M42A1的破片性能相对较低。
高速直射火炮在对付低矮轮廓的小型目标(例如掩体中的反坦克炮)时,效果往往较差。其原因在于:对于采用平直弹道的高爆破片弹(HE-Frag)来说,其破片散布模式并不理想,特别是在爆炸点的前方和后方,破片喷射密度都比较低。
就美国的90毫米火炮和英国的20磅炮而言,这一问题尤为明显。由于它们弹道平直,再加上炮弹起爆性能较差,两者叠加使得使用其高爆破片弹摧毁反坦克炮阵地变得更加困难。

有趣的是,苏联反坦克炮的生存能力反而因北约军队大量普及 **HESH(碎甲弹)**替代 **HE(高爆弹)**而得到了间接提升。
根据《HEAT 与 HESH 报告》备忘录提供的数据,在 1973 年 12 月至 1975 年 8 月举行的“三国坦克主武装评估”研究表明:105 毫米 **M393A2 HEP(碎甲弹)**对卧姿步兵的有效杀伤面积为 114 平方米,甚至略逊于苏联的 85 毫米破片杀伤弹(名义杀伤区为 130 平方米)。此外,**HEAT(破片较少的破甲弹)**由于装药量较小且战斗部形状并非针对杀伤优化,其效果更差。在杀伤面积方面,同口径的 HESH 或 HEP 通常被认为比 HEAT 强约 40%,这意味着 105 毫米 M456 破甲弹的杀伤面积仅为 70 平方米左右。顺带一提,可以合理推断 90 毫米 HEP 弹的破片效果与此相当,也就是说同样糟糕。

作为对比,苏联的 100 毫米 OF-412 杀爆弹(HE-Frag)名义杀伤区为 200 平方米,而 125 毫米 3OF19 和 122 毫米 OF-471 杀爆弹的名义杀伤区分别达到了 300 和 310 平方米。在苏联和俄罗斯的技术术语中,炮弹的“名义杀伤区”(приведенной зоны поражения)被定义为:在炮弹爆炸时,目标被至少一片致命破片击中的概率达到 100% 的区域。在这种情况下,目标被设定为卧姿步兵。原则上,这等同于所谓的“有效杀伤面积”。但在实际操作中,真实的杀伤区要小得多,因为所谓的“致命”破片仅仅是指动能足以造成致命伤的破片,而实际致死概率高度取决于目标被击中的部位。
此外,苏联曾利用缴获的一辆伊朗 “酋长”Mk. 5R 坦克对其火力进行了研究。其中一个课题是 120 毫米 L31A7 HESH 弹在土质地面、模拟弹道着角为 18 度时的破片特性。结果发现,其名义杀伤区仅为 140 平方米。由此可见,120 毫米 HESH 弹的破片效果仅与相同条件下苏联的 85 毫米破片弹大致相当(且 85 毫米炮弹的着角不低于 20 度)。这些炮弹相对平直的弹道对其破片抛撒效果十分不利,因此在实践中,其实际有效杀伤面积还要更小。

当引信设置为“瞬发”(Superquick)模式时,高爆破片弹(HE-Frag)可以对着反坦克炮阵地附近的树冠射击,并能确保在接触叶片或树枝时立即起爆。这实质上产生了一种空爆效果,极大概率能消灭整个炮组,甚至可能损毁火炮本身,使其无法被附近的步兵重新启用。隐藏在森林边缘或孤树下的反坦克炮一旦被发现,通过这种方式可以被迅速肃清。下方的示意图展示了这一过程。值得注意的是,图中所示场景仅用于说明目的,因为野战手册严禁利用孤树或丛林簇进行隐蔽,因为它们在开阔地中非常显眼,是敌方坦克手最先搜索的地理标志。

必须指出,**HESH(碎甲弹)**无法以这种方式使用,因为它们采用底火引信且带有内置的引信延迟,这与触发树冠所需的瞬发高灵敏度功能不相容。事实上,如果将 HE-Frag 弹的引信设置为“高爆”(HE,即延时)模式,对该用途同样无效。为了让 HESH 弹正常起爆,它必须击中树干,但击中树干的难度可能比直接击中隐蔽的火炮还要大。
如果 HE-Frag 弹的弹道足够平直且地形允许,在引信设置为最大延时模式时,有一定的机会成功实现跳弹空爆(Ricochet air burst)。或者,也可以利用炮弹的平直弹道,刻意瞄准火炮前方的某一点,希望利用延时引信 HE 弹的“地雷效应”来击毁目标;如果炮弹不经意间越过了预定落点,它要么会落在离火炮极近的地方,要么会直接撞击炮盾,而这两种结果也都是极佳的。有趣的是,美国陆军技术手册 TM 9-1907 中提到,引信设置为延时模式(HE)的高爆破片弹对付反坦克炮特别有效,因为炮弹可以穿透薄弱的炮盾,随后在火炮后方一段距离爆炸,瞬间杀死所有炮组成员。

当引信处于“瞬发”(Frag)或“短延时”(HE-Frag)模式时,大口径高初速 HE-Frag 弹直接命中炮盾也会彻底摧毁火炮,并有望通过炮盾本身的破碎毁伤来消灭至少部分成员。下方照片中展示的一门 MT-12 反坦克炮就是被一枚 HE-Frag 弹直接命中摧毁的,其炮盾在爆炸中被彻底震碎。

通常情况下,空爆弹药是对付反坦克炮位最有效的武器,但这类弹药通常仅配发给炮兵。坦克炮最接近空爆弹的型号是 APERS(人员杀伤弹/箭弹),其中 M494 型直到 1973 年才作为 105 毫米坦克炮的配弹大规模服役。不过在此之前,由于美国陆军部的紧急需求,XM494E3 已于 1968 年获准进行小批量试产,刚好赶在越战末期为美军提供少量的 APERS 弹药。然而,APERS 的目标杀伤效果并不等同于空爆高爆破片弹(HE-Frag),因为它被设计为在目标正前方引爆,且其箭弹仅在前方 20 度的狭窄圆锥角内散布。如果调整为在反坦克炮位上方引爆,其 75 米的内置引信炸高配合狭窄的散布角,会导致箭弹仅仅从炮组头顶掠过,而不能像空爆 HE-Frag 弹那样垂直向下喷射破片。为了发挥杀伤效能,M494 必须在直瞄模式下弹道允许的离地高度引爆。
因此,M494 的官方描述中赫然缺失了打击掩体后步兵的内容,更不用说战壕内的步兵或防御工事了。根据其描述,M494 旨在用于近距离防御大规模步兵冲锋、对暴露在外的敌方人员进行攻击,其次要火力用途是打击轻型装甲车和低空飞行器。

90毫米 M336 霰弹反人员弹是一种弹药,内部装有 1,280 颗钢制小球,用于近距离反人员作战。火炮发射瞬间
霰弹(Canister)(如 90 毫米 M336 弹)同样无法被期望发挥效能,因为其箭弹或钢珠的穿透力极差,且在超过几百米(300-400 米)的最大有效射程后,穿透力会进一步衰减,甚至连相对较薄的松木板都能挡住弹丸。例如,装填 2 克钢珠的 M336 弹,在 400 英尺(约 122 米)距离针对一个 8 英尺高、90 英尺宽的目标时,每 6 平方英尺仅能完全穿透一块 1 英寸厚的松木板一次。而在同样距离下,一发 7.62 毫米轻型普通弹预计能穿透比这厚十倍以上的松木板叠层。考虑到这种极其有限的性能,必须指出 APERS 弹药中使用的箭弹每枚仅重 0.5 克,其装甲穿透力甚至更糟。

这枚弹药由90毫米火炮发射,主要用于近距离反人员作战。
弹罐由一个薄钢圆筒组成,焊接在一个厚钢制杯形底座上。底座上装有镀金属旋转带。弹罐筒体从前端起沿轴线方向均匀开有四条狭缝,长度约为弹罐的一半。弹罐内装有约1,281颗叠放的钢制圆柱形弹丸,这些弹丸由焊接的封闭盘固定在内部。含有发射药的撞针雷管弹壳压紧在弹体后端。弹体外涂橄榄绿,并带有白色标记。
工作原理:弹罐离开炮口后,作用在封闭盘上的空气压力以及弹体和弹丸的离心力使弹罐在四条狭缝处破裂,弹丸呈锥形散开。该弹的有效射程为0至183米,散布角度最小约为9°。(最佳打击距离: 通常在 200 米至 300 米以内。最大有效范围: 在理想条件下,霰弹群覆盖的杀伤区可以延伸至 400 米至 500 米,但超过 300 米后,弹丸的散布面会变得过大,导致单位面积内的弹丸密度显著下降,无法保证对移动步兵目标的有效杀伤。)
危险成分
-
填充物:1,281颗弹丸(约14.9磅,6.77公斤) -
弹壳:M108B1 -
发射药:M2(约8磅,3.64公斤) -
雷管:M58撞针式
物理参数
-
全长:33.8英寸(858.5毫米)
不仅如此,即便是在如此近的射程内,钢珠的散布密度依然很低,且具备足以穿透薄松木板动能的钢珠密度更是微乎其微。根据这些数据和已知的苏联反坦克炮尺寸,预计只有 4 到 5 枚此类钢珠能击中火炮,而火炮那相对较薄的炮盾即使在近乎贴脸的距离也能提供全面防护。在通常使用霰弹的近距离内,直接用 HE-Frag 弹获取一次直接命中反而要容易得多。
除高爆弹(HE)这唯一的例外,所有北约坦克炮弹药在摧毁反坦克炮方面的表现都相当糟糕。随着 90 毫米和 20 磅炮被 105 毫米 L7 炮取代,且后者的弹药库中缺乏 HE-Frag 弹,北约坦克对抗反坦克炮的效率大幅下降。可以合理地总结为:北约坦克配备的弹药在对付牵引式反坦克炮时效率极低。二战的战斗经验表明,向预估的反坦克炮位置发射爆炸弹药能有效压制炮组,但通常无法使火炮彻底瘫痪。
D-44 (52-P-367)

85 毫米 D-44 师属火炮由第 9 火炮工厂的 OKB-9 设计局设计,并由该厂负责生产;根据其“D”字编号索引即可识别其出处。设计该炮的初衷除了提升反坦克能力外,还希望改善对步兵和防御工事的杀伤效果,因为当时 ZiS-3 的火力已显得不尽如人意。D-44 在国外最接近的对手是英国的 25 磅炮(25-pdr),后者从 1940 年到 1967 年一直是英军的标准师属火炮。在苏联陆军中,D-44 沿用了二战时期红军的师属炮兵编制体系。它一直担任此角色直至苏联解体,尽管到那时,该炮仅存于俄罗斯南部和东部的一些低准备度部队中。
D-44 沿用了现成的 52-K 85 毫米高射炮的弹道性能,但其身管和结构是完全重新设计的。在这方面,D-44 的研发路径与 BS-3 野战炮不同(BS-3 是围绕 B-34 舰炮的身管设计的),也不同于美国的 3 英寸 M5 或 90 毫米 M26 火炮(两者分别是将 M1918 3 英寸和 M1 90 毫米高射炮身管移植到新型炮架上而成的)。
D-44 的设计文件从 OKB-9 寄往以斯大林命名的第 92 工厂(Zavod imeni Stalina,简称 ZiS),并在那里制造了第一门原型炮。由于该厂以斯大林命名,火炮被冠以荣誉前缀,定名为 ZiS-D-44。经过测试后,系统在第 9 工厂进行了进一步修改。1945 年 5 月 8 日,ZiS-D-44 被送往戈罗霍韦茨试验场以确定其战术技术特性。然而,ZiS-D-44 未能通过测试,原因之一是抽壳性能不佳。它最终于 1946 年以 D-44 的编号正式服役,完全错过了战争。D-44 的采用及其滞后在很大程度上归因于生产技术的革新:冲压和铸造部件的重量占比达到了 41%(以往火炮仅为 25-30%),工厂为了投产 D-44 采用了一系列全新的生产工艺。
第 9 工厂是苏联境内唯一大规模生产该炮的企业。从 1946 年到 1954 年,共计生产了 10,918 门。投产第一年产量为 474 门。虽然总产量仅为 ZiS-3 的十分之一左右,但这已足以重新武装苏联陆军及其卫星国。在生产期间,D-44 大量出口至华沙条约组织各国,到 50 年代后期,D-44 已成为苏联境外相当普遍的武器。
随着 D-30 榴弹炮在 20 世纪 60 年代的问世,D-44 与老旧的 M-30 榴弹炮一同被取代。D-30 结合了 122 毫米榴弹炮的威力和 D-44 的射程,并具备全向射击能力,是对这两套系统的全面升级。然而,与许多武器系统一样,D-44 从未在所有摩托化步兵师中完全退役。第 40 集团军曾将 D-44 带入阿富汗,但实践证明它力不从心,因为阿富汗战场强烈需要具备高仰角射击和全向射击能力的强力火炮,以保护驻扎在内陆深处的前线推进基地。受限于这些短板,第 40 集团军的 D-44 从 1981 年起开始被 D-30 取代。
在阿富汗以外地区,D-44 仍保持着相对广泛的服役规模。苏联解体后,它继续履行师属炮兵的职责,甚至参加了第一次车臣战争。


在 D-44 服役后不久,苏联军方意识到空降兵(VDV)步兵对火力有着同样的需求,但如果没有牵引车,如此重量的火炮在实战中并不方便。因此,第 9 工厂设计局于 1948 年底开始着手将 D-44 动力化(自走化)。该项目于 1949 年 1 月 1 日正式获批,同年开始研制原型炮。第一门原型炮于 1950 年准备好进行工厂和野战测试,测试一直持续到 1954 年最终通过军事验收。根据部长会议 1954 年 11 月 19 日发布的第 2329-1105 号法令,SD-44 火炮正式投入使用。
1954 年,第 9 工厂将 88 门 D-44 改装为 SD-44,1955 年又改装了 250 门。1957 年再次改装 100 门,并短暂重启生产线制造了 109 门全新的 SD-44 以及 150 门配有夜视瞄准镜的 SD-44N。SD-44 的总产量为 547 门。通过加装辅助动力系统,该炮能够实现自主移动,尽管重量大幅增加,但在战斗中转移阵地变得更加容易。


部署情况
作为一种“师属火炮”,D-44 接替了 ZiS-3 的角色。“师属火炮”是指专门配属给师级炮兵部队的野战炮类别。当时人们认识到,师属火炮也必须兼任反坦克炮,作为 ZiS-3 的继任者,D-44 同样被要求履行这一职责。这意味着 D-44 不仅配发给师属建制的炮兵团,还配发给师属反坦克炮兵营。
在其他军事强国中,师属火炮未必是普遍配置。虽然英军使用 25 磅炮,德军使用各种 75 毫米火炮,但在美军中,105 毫米榴弹炮在二战期间就已取代了 75 毫米野战炮,并在战后继续履行野战炮的职责。
师属火炮的一个主要特点是其多用途性。75 毫米野战炮对坦克的有效性在一次大战中就已得到证明,从那时起,师属火炮的反坦克能力成为一个重要考量。在 20 世纪 30 年代初期,受米哈伊尔·图哈切夫斯基(Mikhail Tukhachevsky)的影响,多用途性一度盖过了实用性。他设想师属炮兵应具备对付现代战场所有威胁的能力,包括飞机。在这种思想指导下,F-22 火炮于 1936 年服役。但它很快就被取消了防空能力的 F-22 USV 型所取代,随后又被 ZiS-3 取代——后者是一款设计异常先进的经典 3 英寸野战炮。
二战所有参战国的一种常见做法是:将师属火炮或反坦克炮临时配属给步兵单位,拉到前方通过直瞄火力支援步兵打击地堡、野战工事和机枪巢。只要有可能,通常会优先动用坦克,但实战经验表明,部队经常达不到理论编制强度,坦克往往并不可用。D-44 同样可以用于此类目的,但随着 1957 年步兵师向摩托化步兵师的转型,这种做法基本消失了。

苏联 D-44 85毫米野战炮
战术评估
在卫国战争之后,师属炮兵继续承担反坦克炮的次要角色。虽然 D-44 相比苏联陆军现有的反坦克手段有了巨大进步,但它对抗坦克的能力从根本上说是落伍的。此类武器在战争后半期会有极大需求,但到战争结束时,苏方已意识到需要 100 毫米火炮来对付现有的重型坦克及未来威胁。研制 85 毫米牵引式反坦克炮最初是为了应对“虎”式重型坦克的出现,并在 85 毫米坦克炮成功装备 IS-85、SU-85 和 T-34-85 之后继续推进,但直到战争结束都没有一种型号通过试验。与当时的主流趋势相比,这是一个相当独特的情况:德国、美国和英国的反坦克炮无一例外是先推出牵引版,随后由于对机动性的担忧,再将其安装到车辆底盘上。
具备远距离交战能力至关重要。如果战斗发生在几百米内,炮组的动作速度就变得生死攸关,因为敌方坦克更有可能发现隐蔽炮位,且还击的有效性会大幅提高。在坦克前方推进的下车步兵也可能发现并压制火炮,甚至将其占领。
作为师属炮兵,D-44 的重要性不言而喻。它配发给步兵师或摩托化步兵师直属炮兵团的 2 个加农炮营。一个营下辖 2 个反坦克炮连,每个连有 2 个排,各配备 3 门火炮,全营共 12 门,全团共 24 门。此外,每个摩托化步兵团或坦克团的反坦克营也配备 D-44。总体而言,一个摩托化步兵师被 D-44 彻底“饱和”了。除加农炮营外,炮兵团还下辖一个榴弹炮营,配备两个连共 12 门 M-30 122 毫米榴弹炮。

D-44 在二战刚结束到 50 年代初处于其威力的巅峰期,这主要是因为当时的西方盟军与苏联红军一样,仍完全依赖各种型号的战时中型坦克。与 1944 年底的德国重型坦克相比,对抗这些坦克所需的火力要求要低得多。尽管像“征服者”(Conqueror)和 M103 这样的重型坦克分别在 1955 年和 1957 年才服役,但且不说它们产量极少,它们本身也并非反坦克炮的主要目标——因为它们的作用是从掩护阵地为中型坦克群提供远程火力支援,而非充当突破作战中所谓的“矛头”。
直到 50 年代末,英国陆军仍主要装备“克伦威尔”和“彗星”坦克;而刚重建的法国陆军以及其他获得解放的欧洲国家军队,则通过各种渠道获得了“谢尔曼”坦克的供应。到朝鲜战争爆发时,美国已经停止了 M26 “潘兴”的生产,而 M46 的小批量生产才刚刚开始,总共仅完成了 319 辆。在朝鲜战争期间 M26 “潘兴”装备量达到顶峰时,其与 M4A3E8 “谢尔曼”的数量比也仅略高于 1:2。而在朝鲜战场之外,各种型号“谢尔曼”坦克的比例甚至更高,是西方盟军中数量最多的坦克。毋庸置疑,这种战场环境对 D-44 非常有利。
然而,这种局面并未持久。在与苏联关系迅速恶化以及朝鲜局势升级的背景下,现代坦克产能的短缺引发了所谓的“坦克恐慌”。作为缺乏现代坦克的过度方案,M47 “巴顿”于 1951 年开始大规模生产,同时“百夫长”坦克的产速也被加快以满足美国的订单。事实上,英国生产的所有“百夫长”坦克中,超过一半是美国根据《共同防御援助法》(MDAA)购买并分发给欧洲北约成员国的。尽管这些新坦克在面对 D-44 时远非正面无敌,但它们确实构成了令人不安的新威胁。不久后,M48 开始服役,并迅速取代了美国陆军坦克库中的过时型号。面对这类坦克,D-44 的效用变得非常有限。
在正式装备几十年后,D-44 火炮仍可用于训练目的,至少能让预备役人员保持技能。
下图展示了 1997-1998 年左右匈牙利炮兵使用 D-44 火炮进行训练的场景。

机动性

GAZ-63 是苏联摩托化步兵的标准 4×4 通用卡车,曾被用作 D-44 的主要牵引车。毋庸置疑,由于火炮数量极其庞大,需要同样规模的卡车车队来运输它们,因此价格低廉、轻便的通用卡车成为了理想选择。20 世纪 60 年代末,GAZ-63 被 GAZ-66 取代。上图中被牵引的 D-44 使用的就是一辆 GAZ-66 作为牵引车。作为马草牵引技术要求的一部分,D-44 曾配有前车(Limber),但并未听说苏联陆军曾使用过马拉版的 D-44。
能够被机械化牵引车高速牵引是 D-44 以及 40 年代中期所有现代火炮的基本要求。为此,它配备了全橡胶轮胎和扭杆悬挂系统。
得益于现代化的悬挂和轮胎,D-44 处理复杂地形的能力与其牵引车不相上下。它的最大牵引速度可达 60 公里/小时,这实际上使其能够以与牵引卡车匹配的速度行驶。例如,GAZ-63 的最高时速可达 65 公里/小时。在鹅卵石路面和土路上,牵引速度可达 35 公里/小时。显而易见,实际速度高度取决于牵引车的能力。相对于二战时期的轮式和履带式火炮牵引车,苏联陆军服役的牵引车拥有更大的载重能力,因此能更有把握地应对恶劣地形。
在以运输状态被牵引时,火炮的炮口和整个炮尾部分都会用帆布罩包裹保护。
炮架

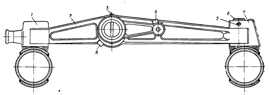
炮架的横梁是一个铸钢梁,如上图所示。它作为火炮的安装基座,上方有一个凸出的旋轴用于火炮的水平转动,而其空心的内部容积则安置了悬挂系统的扭杆。横梁是整个武器的核心枢纽,车轮、大架和火炮均安装于此,从而构成一个完整的武器系统。
每个车轮的摆臂是一根直轴,连接在各自扭杆的末端。车轮采用了带有海绵橡胶芯的 Gusmatic “GK” 无气轮胎,以及来自 GAZ-AA 卡车的轮毂组件。轮辋凸缘宽度和轮辋直径分别为 6.5 英寸和 20 英寸。虽然也可以安装相同规格的普通充气轮胎,但不建议这样做,因为在战斗条件下,此类轮胎不仅容易被碎片和子弹刺破,甚至会被飞溅的杂物损坏。
这些轮胎值得一提,因为几乎所有德国武器(如 Pak 43)的负重轮仅仅是带有实心橡胶轮缘的钢轮,而美国和英国的炮兵器械则普遍配备充气轮胎。
同样值得注意的是,D-44 的车轮没有驻车制动器(手刹),这对于此类火炮来说相当典型,因为制动器并非必需;但在美国的炮兵惯例中,这可能显得有些不寻常。根据 TM 9-3305《火炮武器原理》,所有牵引火炮都配备有由炮组手动操作的驻车制动器,而像 8 英寸 M1 和 240 毫米 M1 这样的大型武器还配有服务制动器(通常是连接到牵引车的后勤气刹)。对于 D-44 或任何其他带有开脚式炮架的火炮来说,只要将大架张开,火炮就会牢牢地固定在地面上,这使得手动驻车制动器完全成了多余。省去制动器可能还有助于减轻一部分重量。

当炮架大架的锁扣解开并张开时,两个车轮的扭杆锚定装置会自动脱开。这是通过在大架完全张开时,由大架挤压各自轮轴摆臂上的弹簧锁销来实现的。

锁销的作用是连接车轮摆臂与炮架横梁,从而将其固定(使悬挂失效)。此时车轮仍可自由旋转,因此如有必要,炮组人员仍能移动火炮。

这一设计增强了火炮在仓促进入阵地时的射击精度,因为它防止了炮架在每次开火后随车轮晃动或弹跳,同时也抑制了炮身的振动。由此,火炮也能获得更高的射速,因为瞄准手可以更快地为后续射击做好准备。 炮架那细长的大架尤为值得关注,它使整套系统的总长度达到了 8,340 毫米,比美国的 3 英寸 M5(7.1 米)和英国的 17 磅炮(7.35 米)还要长出一米多。

炮架的重量仅为 972 公斤,其中悬挂系统占了 222 公斤。能够使用这种轻量化的专用炮架,主要得益于火炮上安装的高效炮口制退器。 与早期的国产反坦克炮炮架设计一样,其大架采用了圆柱形钢管而非箱型梁结构。这一设计特征最初源自德国的 3.7cm Pak,在后来的 Pak 38 和 Pak 40 等德国火炮上也能看到。此外,在大架靠近炮架横梁的前三分之一段,其顶部和底部还额外加焊了四分之一圆直径的管材截面进行加强。

与方型管相比,圆柱形管的主要优点在于其生产工艺更简单。从工程角度来看,方型管在特定应用下能提供更高的抗弯强度,但如果方管的角部经过焊接或铆接,其强度可能会受损,从而在低于设计载荷时更容易发生屈曲。而圆柱形大架作为一体化构件,则不存在这个问题。此外,SD-44 还利用大架内部的空心容积作为辅助燃油箱,以补充主油箱的载油量。

当处于行军状态时,炮架大架由一根横杆固定在一起。这根横杆同时兼作火炮的行军锁——杆上带有一个孔,可以套在炮尾环(Breech housing)上的凸起耳片上,从而将火炮牢牢固定。这种将行军锁与大架固定杆合二为一的设计,是因为该炮缺乏类似 ZiS-2、ZiS-3 和 BS-3 那样的后坐导轨(在那些火炮上,行军锁耳片通常设在导轨上以便与大架咬合)。

左侧大架上安装了一个脚轮(辅助轮)。该轮可以旋转,使炮组人员在人力推行时能够转向。在不使用时,脚轮可以锁在大架之间的缝隙上方,以便在牵引状态下进行收纳。

对于 D-44 而言,脚轮(辅助轮)并非严格的必需品——一个 6 人炮组完全可以通过像推独轮车那样搬运大架,来应付同类重量的火炮。D-44 的战斗全重为 1,725 公斤,比 ZiS-3 重了 609 公斤,增重幅度超过 50%。然而,ZiS-3 的弹道性能较弱,且由于套用了 ZiS-2 的轻型炮架,其重量相对于其口径而言显得过轻。就设计特性而言,并没有与 D-44 直接对等的武器,因此很难找到一个完全公平的参照点。
与口径更小但弹道性能大致相当的德国 7.5cm Pak 40 反坦克炮(1,425 公斤)相比,D-44 的增重并不算显著。像法国的 75mm Mle 1897/33 反坦克炮这类较旧型号,重量也达到了 1,500 公斤。另一个大致的参考点是英国的 25 磅野战炮(一款 88 毫米武器)。虽然其弹道性能无法与 D-44 匹敌——发射高爆强装药弹时初速仅为 532 米/秒,发射较轻的 20 磅穿甲弹并使用最大超压装药时初速也仅为 610 米/秒——但它的重量达 1,633 公斤,按比例计算其实更重。
从绝对意义上讲,考虑到其设计特点,D-44 在具备如此威力的同时,其重量和操作便利性表现得异常出色。它的重量不到英国 17 磅炮 Mk. 1 的一半,尽管两者的炮口动能相同且都配备了高效的双室炮口制退器。总的来说,它的重量与弹道性能较差的二战前 75 毫米野战炮大致相等。根据美国军械部 1921 年 7 月编制的《火炮手册:包括机动、防空、自行及战壕器材》,当时认为 3 英寸级野战炮的重量通常在 3,900 磅(约 1,769 公斤)左右。这类火炮被认为在保持足够机动性以适应师级作战演习的同时,提供了最大的火力,因此被定名为“师属火炮”。
在 1984 年的苏联电影《行星大阅兵》(Парад планет)中,可以看到一段炮组推行 D-44 的简短镜头。
防护性能

与任何其他反坦克炮一样,D-44 的首要防护因素在于其隐蔽性,而在这一方面,它的表现堪称卓越。它的炮口轴线高度甚至比德国的 7.5cm Pak 40 还要低(后者的轴线高度为 960 毫米)。该炮结构紧凑,尤其是其低矮的外形轮廓,使得哪怕是一排稀疏的灌木丛也足以完全隐蔽一个火炮掩体。


为了获得最大的稳定性,挖掘工事是必不可少的;如果将 D-44 用于间接瞄准射击(曲射),挖掘炮坑则是构筑正规发射阵地的前提。由于 D-44 的最大仰角有限,即使在使用全装药以最大仰角射击时,也不需要专门挖掘炮尾后坐坑。与任何其他采用开脚式炮架的火炮一样,实现全向射击只能通过延迟换向来完成,因为在转动火炮之前必须先将大架驻锄从土中拔出。
理想情况下,当作为间接火力支援炮兵使用时,火炮应安置在炮坑内,并覆盖伪装网和植被,因为这能为对抗敌方反炮兵火力提供最佳保护,并能有效避开空中侦察。炮坑周围隆起的土堆可以保护炮组免受落在坑外的炮弹破片的伤害;而落在坑内的炮弹,其破片也会被限制在坑内,从而减轻对周围人员和设备的损伤。如果地形条件不允许建立隐蔽阵地,也可以在开阔地上为直瞄火力挖掘炮坑。


带土质胸墙的典型苏军 D-44 野战炮炮位示意图。
除了隐蔽性和工事提供的保护外,D-44 上的炮盾也提供了一定的防御子弹和炮弹碎片的能力。然而,由于炮盾尺寸较小,尤其是宽度较窄,这意味着它无法提供全面的覆盖保护。

在炮架横梁的下方,炮盾还通过一个带铰链的**下裙板(Apron plate)**进行了补充。该裙板旨在覆盖两轮之间的空隙,以防止炮弹碎片击中炮组成员的脚部——前提是地面足够崎岖,使得下裙板与地面之间不留缝隙。

在火炮上方,炮盾开口(炮眼)处的缝隙由一块固定在炮架摇架上的弧形板覆盖;但令人费解的是,在炮管下方竟然莫名其妙地存在一个开口。当炮管处于最大俯角时,这个缝隙的高度微不足道,但当火炮仰角增大时,该缝隙会显著扩大。下方(图1)的照片展示了火炮仰起时那相当巨大的缺口。下方(图2)的照片则显示了火炮的气动平衡机正通过炮盾上的这个缺口暴露在外。


当火炮处于最大仰角时,炮眼处的缝隙高度可达 45 厘米,宽度为 26 厘米。毋庸置疑,为了防止炮弹碎片损坏或卡住火炮的活动部件,应当尽量避免此类缝隙的出现。虽然在野战炮兵器械中,这些部位的覆盖不完全并不罕见,但考虑到已经专门设置了下裙板来覆盖炮架下方的空隙,漏掉这一处缺口确实显得相当奇特。


火控系统
D-44 可用的唯一火控仪表是测距仪,它由炮连一级配发。每个炮连配有一台测距仪,用于测定射程基准点,随后由各火炮指挥员记录。当需要对单一的点目标进行协同射击时,也会使用测距仪。在 20 世纪 50 年代,配发的是 DS-1 或 DS-2 测距仪。
湿度、气温等气象数据由上级指挥部传达给炮连,而指挥部的数据则来自摩托化步兵师炮兵团下属的气象观测排。定期的气象数据更新对于远程间接瞄准射击任务至关重要,但对于直瞄射击而言,由于弹道修正通常很小,可以忽略不计,因此气象数据的影响相对较小。
瞄准系统
D-44 配备了用于直瞄射击的简易光学瞄准镜,以及兼顾间接和直瞄射击的全景瞄准镜。下图左侧的绘图显示了这两个瞄准装置相对于炮管轴线的偏移量。

OP1-7 与 OP2-7 瞄准镜

D-44 配备了用于直瞄射击的 OP1-7 或 OP2-7 固定式望远镜瞄准镜。OP1 和 OP2 系列是标准化的瞄准装置,其取景器内的刻划板采用可更换的玻璃片设计。这两个系列仅在战后火炮上才开始使用。OP1-7 和 OP2-7 型号本质上就是标准的 OP1 和 OP2 瞄准镜,并针对 D-44 的 85 毫米弹药进行了专门的刻划校准。OP2 是 20 世纪 50 年代推出的后期改进型。

OP1-7 拥有 3.5 倍的固定放大倍率,视场角为 14 度。尽管 3.5 倍的放大倍率相对较低,但这未必是缺点——考虑到其视场角,该瞄准镜的光学设计非常出色。作为对比,英国 17 磅反坦克炮使用的 No. 43 瞄准镜不仅放大倍率稍低(3 倍),视场角也略小(13 度)。
然而,OP1-7 的特性在对比之下显得有些反常:M-42 45 毫米反坦克炮配备的是 PP9-3 望远镜,其放大倍率为 5 倍,视场角为 8.5 度。考虑到 45 毫米炮属于更小型的火炮,主要任务是在近距离与坦克交战,反而拥有比 D-44 更高的放大倍率,这确实是一个有趣的差异。

OP1-7 在放大倍率上的尴尬设定最终通过其继任者 OP2-7 得到了修正。OP2-7 将固定放大倍率提高到了 5.5 倍,视场角为 11 度。根据苏军的数据,一台 5 倍放大倍率的光学瞄准镜足以让观测者在 3 公里的距离上发现并识别出一辆坦克。对于 D-44 而言,这一倍率足以应付任何作战场景,尤其是考虑到反坦克炮往往通过“隐蔽伏击”并在目标进入较近距离时开火,效果才最为理想。
在埃克·米德尔多夫(Eicke Middeldorf)的著作《俄罗斯战役:战术与装备》(Русская кампания: тактика и вооружение,2000 年再版)中,作者推测在欧洲典型的地形条件下,反坦克炮射击坦克的平均距离约为 500 至 700 米。
OP1 和 OP2 瞄准镜的设计简洁而不粗糙。除了作为火炮瞄准镜的基本功能外,它们还提供了一些旨在提升易用性的附加特性。与美国野战炮的直瞄瞄准镜不同,OP1 和 OP2 除了具备用于校准准星的归零调节功能外,还允许通过调节旋钮直接设定射程。
这两款瞄准镜均配有一个可拆卸的橡胶眼罩,以防止杂散光或雨水干扰炮手视线;OP2 还特别增加了一个额托(Browpad),以确保炮手能够保持正确的出瞳距离。此外,OP2 随附一个高对比度滤光片,可以旋装在瞄准镜末端,从而在低光照条件下或针对特定背景搜索目标时获得更好的能见度。

凭借更高的放大倍率和高对比度滤光片的引入,OP2-7 在现实作战环境下(照明条件通常并不理想)以及远程射击方面,被视为客观上优于 OP1-7。
在夜间作战时,两款瞄准镜均可通过外部安装的照明系统点亮取景器刻划。OP1-7 使用 “Luch-2M” 系统照明,而 OP2-7 则使用 “Luch-S71” 系统。光线由安装在瞄准镜壳体顶部小窗口内的小型灯泡提供。
在 OP1 和 OP2 瞄准镜中,包括射程刻度在内的取景器刻划均蚀刻在一块垂直滑动的玻璃板上。若要使用射程刻度,需旋转瞄准镜筒底部的射程调节大旋钮。内部的螺杆会带动玻璃板下移,从而改变取景器内瞄准刻划的位置。
OP1-7 瞄准镜在目镜组透镜前方安装有一根单一的固定水平准线。当调整刻划高度时,炮手通过将射程刻度上的相应刻度与该水平准线对齐,从而选定射程所需的仰角补偿。

OP2-7 瞄准镜的结构略有不同。它在目镜组透镜前方拉伸了一对准线以形成十字准星。这在取景器中构成了一个十字,作为光学轴心点的参考位置。

一旦选定射程,炮手只需抬高炮口,直到中央的“V”形(Chevron)瞄准标记对准目标即可。如果因为风力或需要对移动目标进行提前量射击而必须进行方向修正,炮手可以使用中央“V”形标记两侧较小的刻度作为瞄准参考点。
OP1-7 和 OP2-7 的取景器刻划均标注了减装药高爆弹(Frag)、全装药高爆弹以及尖头穿甲弹(BR-365K)的弹道数据。显而易见,在这些瞄准镜最初配发时,新型的 367 系列弹药尚未问世。
S71-7PG-1

S71 是一种射程设定装置,专为火炮的俯仰角(高低)调整而设计,而 PG-1 全景瞄准镜则用于火炮的方向(方位)瞄准。这两者结合构成了一套瞄准系统,使得火炮能够进行精确的间瞄射击。从卫国战争(GPW)末年开始,包括师属火炮和反坦克炮在内的所有新型野战炮,都将 S71 机械瞄准具作为标准配置。S71-7 型是专门为 D-44 校准的改型。该瞄准系统是为野战平射炮设计的,其俯仰角度范围为 0-750 密位(即 0-45 度)。由于榴弹炮的仰角上限定义为超过 45 度,因此需要使用不同的瞄准具。
S71 本质上是一个机械装置,旨在将输入角度(以密位为单位)转换为火炮所需的仰角补偿。S71 刚性安装在火炮摇架上,随火炮同步移动。在 S71 上,粗调鼓轮每格代表 100 密位。按苏式定义,一个圆周被分为 6,000 密位,因此鼓轮上刻有 60 个刻度。微调鼓轮每格代表 1 密位,刻有从 0 到 99 共 100 个刻度。当瞄准具的方向角设置为“30-00”时,视线与炮管轴线平行;设置大于 30-00 时,视线向左(逆时针)偏移;设置小于 30-00 时,视线向右(顺时针)偏移。
PG-1 是一种赫兹(Hertz)式全景潜望镜,主要用于间瞄射击,也可作为直瞄射击的应急备份。它既是瞄准光学器材,也是测角仪。其旋转全景头上刻有方位刻度,供炮手高精度测量远处两点间的方位角。它安装在 S71 的旋转支架上,因此在 S71 上输入角度设置时,PG-1 的光学系统会向前旋转相应的角度。当火炮进行俯仰调整时,PG-1 能够自动保持水平状态。
PG-1 拥有 3.7 倍的固定放大倍率和 10 度的视场角。它的高度足以让炮手在全景头向后旋转时,视线越过自己的头顶进行观察。凭借这些特性,PG-1M 提供了比望远镜式瞄准镜更宽的观察范围,但由于放大倍率较低,其相对视场较小。如果固定朝前,该瞄准镜完全可以作为直瞄瞄准镜的替代品,甚至作为近距离交战的辅助瞄准具。


“Luch-S71M”照明装置用于点亮光学瞄准镜的刻划板,以提高夜间作战时的瞄准效能。它由 NK-13 电池供电,额定电压 3.5 伏,电流 0.26 安培。
在能见度较低的条件下(如夜间,或远处的地标被烟雾、大雪、大雨遮蔽时),可以使用 K-1 准直仪装置替代 PG-1 全景瞄准镜。K-1 是一个独立的三角架安装单元,旨在设置在牵引火炮的后方或侧方,并与 PG-1 保持一定的距离。其使用方法是将 PG-1 取景器中的方位代码与 K-1 显示屏上的刻度进行对齐。如上图右侧绘图所示,包含 K-1 刻度的标尺可以在 PG-1 取景器的十字准线下方看到。


下图展示了 PG-1 应如何与 K-1 进行对准。

若要使用这套光机瞄准系统,炮手需要将全景瞄准镜的十字刻划对准远处的一个地标顶端。该地标可以是无线电发射塔、山丘上最高的一棵树、风车或其他类似的结构。负责接收射击任务并为整个炮连生成弹道解算的连指挥部,会计算出一个相对于该参照点的特定偏转角(Deflection Angle),并将其下达给各炮。
火炮的俯仰角设定精度(最大误差)可达 0.5 密位——相较于老式机械瞄准具仅能达到 2 密位的精度,这是一个巨大的进步。
夜视瞄准具
1957 年对于苏联地面部队而言意义重大,这一年标志着夜视设备在炮兵和装甲车辆上的广泛应用。甚至老旧的 ZiS-2 火炮也进行了现代化改装,衍生出 ZiS-2N 型号。理所当然,D-44 也能够升级安装专用的夜视瞄准镜。凡是制造时或改装后具备安装夜视瞄准镜条件的火炮,均被更名为 D-44N,而安装标准 APN-3 瞄准镜的型号则会被赋予“N3”后缀。
对于 D-44 这类武器而言,夜视瞄准具并非绝对必需。因为在部署得当的纵深防御体系中,阵地前方通常至少会布置雷区,迫使敌方突击部队在预定距离停下,此时炮兵即可在这些区域上空发射照明弹,同时保持己方炮位处于暗处。
此外,由于牵引式火炮是静态的、非封闭式武器,且几乎处于静默状态(除非开火的那一瞬间),在完全黑暗的条件下,可以通过视觉和听觉手段相结合来捕获目标。一种常用的战术是观察敌方坦克的炮口焰来定位,然后计算听到炮声的延迟秒数以估算距离。然而,这种手段要求敌方先开火,这是极其被动的,且依赖于对方那一发炮弹并未瞄准己方阵地的假设。
夜视瞄准镜带来的战术优势在于,在非理想环境下夜间作战变得更加可行——毕竟夜间进攻的主要动机就是为了在战术层面上实现出其不意。如果交战中出现了间歇性的人工照明,D-44 的炮手可以在 OP2-7 日间瞄准镜和夜视瞄准镜之间灵活切换使用。
炮兵夜视瞄准镜通常标有“APN”字样,代表“炮兵夜视瞄准镜”(Artillery Night Sight);这是一种简单的命名惯例,例如坦克用的夜视瞄准镜则标为“TPN”。
APN-2-7
确实存在这一型号,但目前几乎没有相关资料可查,可能只是实验型号。
APN-3-7 “Yablonya”(“苹果树”)

APN-3 的显著之处在于它是第一个被列入 GRAU(苏军火箭炮兵装备部)索引的炮兵夜视瞄准镜,其 GRAU 代号为 1PN1。由于缺乏关于 APN-2 系列的信息,APN-3 系列似乎是苏联陆军采用、批量生产并配发部队的首款此类装备。APN-3 不仅是首款炮兵夜视瞄准镜,也是唯一可用于反坦克任务野战炮的同类产品。其不同变型型号包括:APN-3-5(适配 BS-3)、APN-3-7(适配 D-44N3)、APN-3-55(适配 ZiS-2N)以及 APN-3-77(适配 D-48)。
该瞄准镜具有 7.5 倍的固定放大倍率和 6 度的视场角。下图摘自《1987 年匈牙利人民军陆军部队编制变动》(A Magyar Néphadsereg szárazföldi csapatainak hadrendi változásai 1987-ben)一书,展示了一门由匈牙利人民军操作的 D-44N。

在进一步的研究深入之前,关于这款瞄准镜的细节尚知之甚少。它采用单片 S-1 光电阴极(苏联文献中仅记载了 Ag-O-Cs 光电阴极),要实现有效射击,必须依赖大型红外探照灯的照明。根据该瞄准镜的技术手册,在红外照明下,其视距可达 800 米。这主要是得益于该瞄准镜的高放大倍率以及作为第一代(Gen 1)设备相较于二战时期如 FG1250(Gen 0,视距仅 400 米)显著提升的增益效果。
下图展示了 APN-3-7 在使用旧式弹药时的取景器刻划布局。分划板由一个“V”形(Chevron)标记组成,左右各有两个垂直短线用于风偏修正;在“V”形标记下方,是一个呈倒“T”字型的垂直线和水平线。炮手通过转动射程调节旋钮来上下移动分划板,直到水平线对齐所需弹种的对应射程刻度。左侧射程刻度用于尖头穿甲弹(BR-365K),中间刻度用于全装药高爆弹,右侧刻度则用于战争时期的硬芯穿甲弹(APCR)。

在进一步的研究深入之前,关于这款瞄准镜的细节尚知之甚少。它采用单片 S-1 光电阴极(苏联文献中仅记载了 Ag-O-Cs 光电阴极),要实现有效射击,必须依赖大型红外探照灯的辅助照明。根据该瞄准镜的技术手册,在红外照明下,其视距可达 800 米。这主要是得益于该瞄准镜的高放大倍率,以及作为第一代(Gen 1)设备相较于二战时期如 FG1250(Gen 0,视距仅 400 米)显著提升的增益效果。
上图展示了 APN-3-7 在使用旧式弹药时的取景器刻划布局。分划板由一个“V”形(Chevron)标记组成,左右各有两个垂直短线用于风偏修正;在“V”形标记下方,是一个呈倒“T”字型的垂直线和水平线。
炮手通过转动射程调节旋钮来上下移动分划板,直到水平线对齐所需弹种的对应射程刻度。左侧射程刻度用于尖头穿甲弹(BR-365K),中间刻度用于全装药高爆弹,右侧刻度则用于战争时期的硬芯穿甲弹(APCR)。
(感谢收看,未完)
夜雨聆风