【工程资料】地梁开挖施工技术交底 | 可编辑可下载(含26二建资料)

记得添加“星标”哦!每次有新文章推送,就会在第一时间提示。
大家好,我是小DEI学长
一个为众多考生提供考试资讯和备考干货的宝藏者
如果链接失效,麻烦添加微信,把资料发您
2026备考资料直通车
地梁开挖施工技术交底|现场实用干货,工程人直接收藏📌
做工程的朋友都清楚,地梁开挖是基础施工里的关键一步,交底到位,后续少出问题。今天把完整、好用的技术交底整理出来,现场对照就能用。
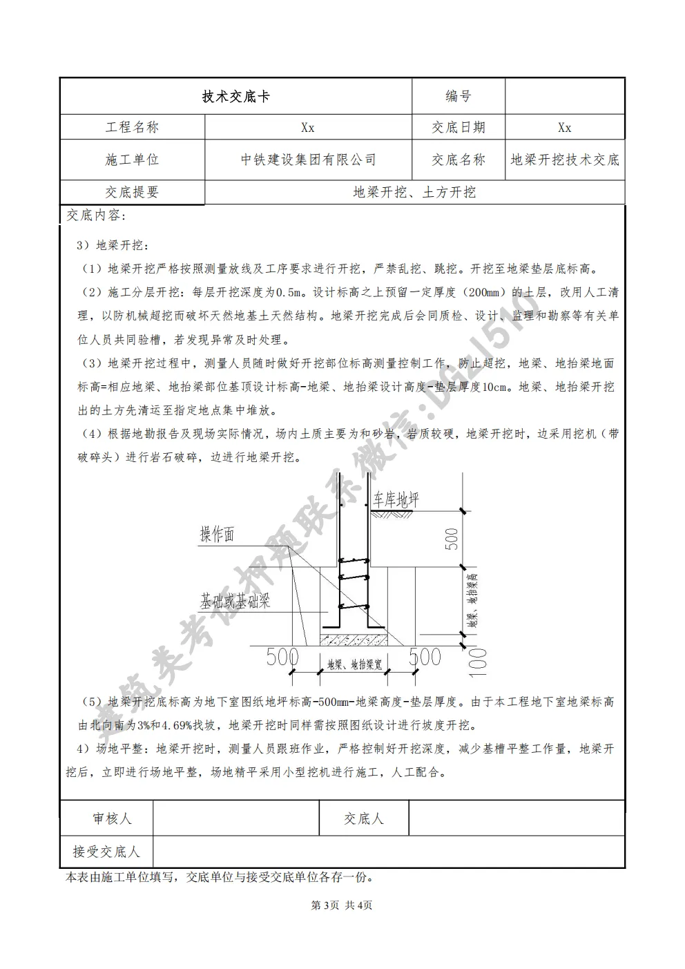
施工前先做好测量放线,精准定好开挖边线与标高,再按方案分层分段开挖。机械开挖到接近基底时,预留 200-300mm 土层改用人工清理,避免扰动原状土,防止超挖欠挖🧱。
开挖过程要控制好边坡坡度,做好排水与防护,坑边不堆重物,保障作业安全。开挖完成及时验槽,确认标高、尺寸、土质都符合设计与规范要求,再进入下一道工序。
技术交底不只是走流程,更是质量与安全的保障。这份资料条理清晰、现场适用性强,不管是新人学习还是老施工核对,都很实用✅。
下方可以直接领文件。
资料获取方式
温馨提示,如何下载?
260321 165-地梁开挖施工技术交底
https://pan.quark.cn/s/aefc99db944e
领取电子版请拉到文末下载






版权说明
1.得DEI过资料铺提供的所有资源均是网上搜集或非商业交流学习之用!
2.得DEI过资料铺提供的所有资源严禁在任何商业盈利目的中使用,否则产生的一切后果将由您自己承担!
3.得DEI过资料铺提供的所有资源严禁任何色情、反动内容,一经发现、举报立即删除!
4.我们仅仅提供一个观摩学习的环境,将不对任何资源负法律责任!
5.所有资源请仅供学习,请在下载后12小时内删除。如果您觉得满意,请购买正版!
6.如果您认为有资源或描述信息侵犯了您的版权,请及时举报,我们将尽快为您处理!





夜雨聆风