【可下载】江西省赣州市大余县部分学校2024-2025学年高二下学期4月期中联考生物试卷(含答案)

一、单选题
1.大兴安岭树木挺直、高大、枝叶繁茂,逛天蔽日,呼伦贝尔大草风牧草绵延,一望无际。不同的生态系统的具体组成成分不尽相同,以下可以称作生态系统的是()
A.太平洋中所有浮游植物、浮游动物和微生物
B.一块麦田中的水土和所有生物
C.一个湖泊中的所有水蚤和分解者
D.一个生态缸中所有金鱼和水草
2.果树—草菇立体农业是利用果树下微弱的光照、较高的空气湿度和较低的风速等特殊环境条件,在果树下人工栽培草菇。下列相关叙述正确的是()
A.该生态系统中,树下的蚯蚓是消费者,草菇等真菌是分解者
B.该生态系统的营养结构中,可能存在鼠→蛇→鹰这样一条食物链
C.生产者都是自养型生物,自养型生物都能进行光合作用合成有机物
D.各种消费者的存在促进了生态系统的物质循环并使其更加稳定
3.如图表示某生态系统的食物网,下列有关叙述中错误的是()

A.生态系统中,食物链交错连接成食物网的原因是多种生物在不同的食物链中占有不同的营养级
B.该图中只体现生态系统的两种成分,未体现的成分是非生物的物质和能量、分解者
C.从理论上分析,维持一个生态系统存在的不可缺少的生物成分是生产者和消费者
D.该食物网由7条食物链组成,鹰为最高营养级
4.如图表示某一生态系统的能量金字塔,其Ⅰ、Ⅱ、Ⅲ、Ⅳ分别代表不同的营养级,E1、E2代表能量的形式。下列叙述正确的是()

A.Ⅰ和Ⅳ是实现物质循环的关键生态成分
B.该图所示的食物网中只有1条食物链:Ⅰ→Ⅱ→Ⅲ→Ⅳ
C.E1表示的能量主要是通过光合作用所摄入的能量
D.能量可在食物链中循环利用
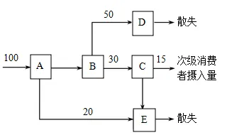
5.下图表示能量流经某生态系统第二营养级示意图[单位J/(cm2.a)],据图分析,有关说法正确的是()

A.该生态系统第三营养级同化的能量是15J/(cm2.a)
B.能量由第二营养级到第三营养级的传递效率是15%
C.第二营养级用于生长、发育和繁殖的能量是30J/(cm2.a)
D.分解者分解动植物遗体释放出来的能量,可供绿色植物再利用
6.如图所示的食物网中,如果每个营养级能量传递效率均为20%。虎要获得2KJ能量,1KJ来自狐,1KJ来自羊。则需要消耗草的能量为()

A.150KJB.125KJC.100KJD.75KJ
7.下图为某生态系统的部分物质循环简图,其中M表示非生物的物质和能量。下列相关叙述正确的是()

A.若M表示大气中的CO2,则碳元素在图中④过程中是以有机物的形式传递的
B.从图中我们可以看出能量伴随着物质循环而循环
C.若M表示大气中的CO2,则碳元素可在生物群落中反复循环利用
D.若M表示非生物环境中的能量,则①的能量值为②与③对应的能量值之和
8.为更好地建设雄安新区,科研人员调查白洋淀水域生态系统各成分中难降解的有机氯农药DDT污染的状况,得到下表所示检测结果。下列叙述错误的是( )
|
不同成分 |
水 |
底泥 |
水生植物 |
浮游动物 |
底栖动物 |
鲫鱼 |
乌鳢 |
|
DDT含量 (μg/kg) |
0.1 |
0.7 |
6.3 |
21.0 |
37.9 |
19.4 |
124.4 |
注:鲫鱼主要以植物为食,乌鳢为肉食鱼。
A.表格中各成分共同构成了该生态系统的营养结构
B.DDT几乎污染了白洋淀生态系统所有成分
C.营养级越高,生物体内的DDT含量越高
D.水生植物同化的太阳能只有少部分传递给乌鳢
9.物质循环、能量流动和信息传递是生态系统的基本功能,下列相关分析正确的是()
A.在生态系统中,能量作为动力,使物质能够不断在生物群落和无机环境中循环
B.如果要研究某生态系统中流入第二营养级的能量去向,则只需研究第二营养级的呼吸消耗量和未利用的能量即可
C.只有生物才会对信息有反应,因此信息传递只发生在生物群落内部
D.生态系统的物质循环、能量流动和信息传递都是沿食物链进行的
10.下列有关生态系统信息传递及应用的叙述,不正确的是()
A.利用黑光灯诱捕法来调查昆虫的种群密度属于生态系统中信息传递的应用
B.利用昆虫信息素诱捕或警示有害动物,降低害虫种群密度,属于化学防治
C.生命活动的正常进行离不开信息的传递
D.短日照作物黄麻,南种北移可延长生长期,提高麻皮产量,是对物理信息的合理利用
11.虫媒花植物的花具有蜜腺和鲜艳的花瓣,还能释放有芳香气味的物质,以此吸引蜜蜂 前来采蜜。蜜蜂中的侦察蜂发现蜜源后,会借助“圆形舞”等舞蹈动作告知同伴蜜源的方 向和距离。蜜蜂在采花蜜的过程中,为虫媒花植物进行了传粉,使其授粉概率增大, 繁殖率也得到了提升。下列叙述错误的是()
A.虫媒花植物释放的信息属于化学和物理信息
B.侦查蜂释放的信息属于行为信息

通过网盘分享的文件:试卷10
链接: https://pan.baidu.com/s/1NLwjjiMT7FuK3ySySi0-Xw?pwd=4321 提取码: 4321
–来自百度网盘超级会员v8的分享
夜雨聆风