【工程资料】安全讲评桌施工技术交底 | 可编辑可下载

记得添加“星标”哦!每次有新文章推送,就会在第一时间提示。
大家好,我是小DEI学长
一个为众多考生提供考试资讯和备考干货的宝藏者
如果链接失效,麻烦添加微信,把资料发您
2026备考资料直通车
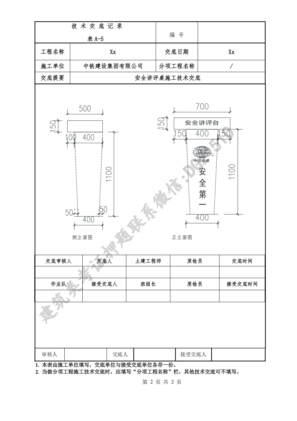
安全讲评桌施工技术交底,这份干货工地人都在存📌
工地施工,安全永远是第一位。安全讲评桌作为现场安全管理的重要环节,技术交底是否到位,直接关系到施工人员的作业安全与项目有序推进。很多工友觉得交底只是走流程,实则每一条细则都是规避风险的关键。
本次安全讲评桌施工技术交底,从基础搭设规范、结构稳定性要求,到现场使用注意事项、安全防护细节,都做了清晰梳理。不管是新手施工员,还是经验丰富的班组长,都能快速看懂、直接套用✅。
没有复杂术语,全是贴合现场的实用内容,避免因交底不清引发安全隐患,也能让现场安全管理更规范。不少项目团队看完都表示,这份资料省去了整理梳理的时间,实用性很强👍。
施工无小事,安全靠细节。把技术交底做扎实,既是对工友负责,也是对项目负责。下方可以直接领文件。
资料获取方式
温馨提示,如何下载?
领取电子版请拉到文末下载





版权说明
1.得DEI过资料铺提供的所有资源均是网上搜集或非商业交流学习之用!
2.得DEI过资料铺提供的所有资源严禁在任何商业盈利目的中使用,否则产生的一切后果将由您自己承担!
3.得DEI过资料铺提供的所有资源严禁任何色情、反动内容,一经发现、举报立即删除!
4.我们仅仅提供一个观摩学习的环境,将不对任何资源负法律责任!
5.所有资源请仅供学习,请在下载后12小时内删除。如果您觉得满意,请购买正版!
6.如果您认为有资源或描述信息侵犯了您的版权,请及时举报,我们将尽快为您处理!





夜雨聆风