
想申请活动场地怎么办?多媒体教室怎么借?都有哪些流程是你所不知道的?当当当当~~看过来!小苏老师将为你提供各种你想找的表单!
从今天起,小苏老师将为大家奉上各种表单模板的下载,妈妈再也不用担心我找不到下载表格啦~
多媒体教室审批表
1.借用多媒体教室,须提前3天向主管部门(校团委、学生院、二级院学生工作组)提出临时借用多媒体教室申请,再通过教务管理系统办理相关借用手续,经组织该活动的辅导员、团委书记等教师签字,并经主管部门负责人(校团委书记、副书记,学生院书记、院长,二级院党委副书记)核准后,携带审批表到现代教育技术中心多媒体总控室(1A-325房间)备案盖章后交教学楼门卫。
2.申请单务必在活动开展前1天送至多媒体总控室(周六周日放假,不办公)。
3.大学生校园文化活动使用多媒体设备,活动具体负责的学生必须凭学生证件到所在楼门卫签名登记联系电话后,领取多媒体教室专用IC卡,并按时返回。无线麦克由主办方自行向老师借用。
4.校园文化活动的实际活动内容应与申请内容相符,否则今后将不再予以借用教室。纯娱乐性质的联谊活动一般不予借用教室。当活动人数超出预计时,不得擅自搬动其他教室的座椅。活动结束后,必须恢复教室原貌,要爱护多媒体教学设施,不可自行移动设备或关闭墙壁电源,以免影响第二天的正常教学(多媒体教室配有声音录像等影像监控)。

可点击阅读原文获取网盘链接,下载表格
以下图表各类证明可在自助打印机上打印
温馨提示:
1. 服务时间:每天06:00-22:00。
2. 学生须使用学校规定的登录方式(刷身份证或者手工输入教务管理系统账号和密码)进行身份验证,并严格按照终端使用说明进行操作。
3. 服务地点:机关楼2楼225房间对面(所有已上线服务项目)、1H1楼门卫附近(限部分已上线服务项目)、2A1楼门卫附近(限部分已上线服务项目)

本科生自助服务系统已上线的服务项目清单

此表格一式两份,一份上交教务处,一份存入学生档案。

可点击阅读原文获取网盘链接,下载表格
1、本表一式两份,一份交院系保存,一份交教务处备案;
2、学生提交申请须在申请理由中注明哪种情况的补修;
3、补修申请时间为课程开课学期的前三周。

可点击阅读原文获取网盘链接,下载表格

可点击阅读原文获取网盘链接,下载表格
缓考申请表
1. 开学初补考、重修考试、学生缺课超过三分之一、因事请假等一般不办理缓考;
2. 填写此表前,学生须登录教务系统办理缓考申请;
3. 此表一式两份,一份交教务处考务科,一份学生自己留存;
学生办完手续后,须将本表复印件送达至相应任课教师。

可点击阅读原文获取网盘链接,下载表格
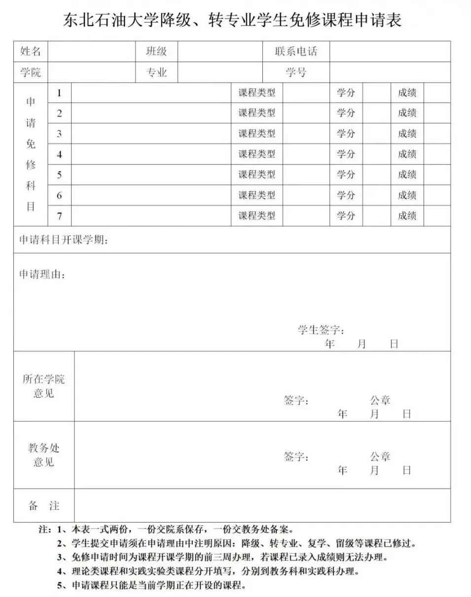
1、本表一式两份,一份交院系保存,一份交教务处备案。
2、学生提交申请须在申请理由中注明原因:降级、转专业、复学、留级等课程已修过。
3、免修申请时间为课程开课学期的前三周办理,若课程已录入成绩则无法办理。
4、理论类课程和实践实验类课程分开填写,分别到教务科和实践科办理。
5、申请课程只能是当前学期正在开设的课程。

可点击阅读原文获取网盘链接,下载表格

以上就是常用表单的获取途径啦!
需要表单时也可戳一戳自定义菜单之【靠谱小苏】之【我要下表单】~

点击阅读原文获取网盘链接,下载表单
(提取码:5zs2)

夜雨聆风