经常大家在汽车圈子中讨论到底使用什么变速箱,什么发动机,新能源中用纯点还是增程式,电池是铁锂还是磷酸铁锂,公说公有理婆说婆有理,那么到底谁的正确呢?其实我们在产品开发当中同样会遇到产品概念选型,产品技术选型的抉择,那我们如何做出正确的抉择呢?今天我们介绍一个工具Pugh Matrix 决策矩阵。
本章目的:系统而有条理地选择更好的概念--pugh矩阵法,有对比就有更好的。
1.前言
在使用Pugh矩阵前,我们通过各种概念获取的方法获得了很多的初步的概念设计方案。
但这些方案不可能全部实施的。
如何在各种方案中选择一个最好的,Pugh(普式)矩阵法就是一种比较实用的方法。
氏图普氏图是一种表格格式的工具,由产品属性(或特征)矩阵和替代产品概念以及一个称为基准(参考)的产品组成。该图有助于进行结构化的概念选择过程,通常由多学科团队创建,以集中于一个优秀的产品概念。该过程包括通过所有团队成员的输入创建矩阵。矩阵的行由基于客户需求的产品属性组成,列表示不同的替代产品概念。
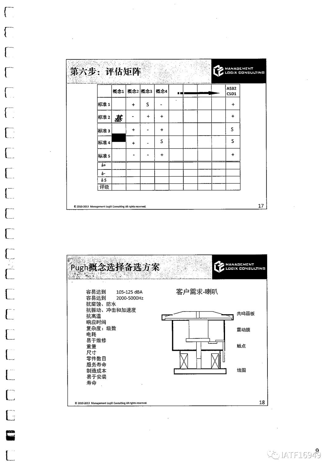
应用步骤为:
确定相关的用户要求或标准。 为每个需求制定权重。这是加权分数的可选步骤。可以使用各种加权策略。 为解决方案生成几种可行的替代方案。 选择一种替代方法作为基准。这通常是当前状态的解决方案。 根据基准对每个替代方案进行评估,将其打分为正,负或等于标准。 将每个备选方案的值总计,如果使用了可选的评分机制,则将每个值乘以其权重。 结合每个替代方案的最佳元素,以创建最佳的混合解决方案。
2.Pugh选择矩阵(Pugh Selection Matrix)举例
这是一个完整的示例

4.Pugh矩阵法填写流程
4.1 决定概念评估的准则
可以用客观的尺度(或称质量特性)作为评估概念的基础。
评估准则来源:Design Requirement from VOC,QFD的绩效需求/设计要求,并加入风险评估、标准法规、售后服务等要求。
作者追加的还有装配、制造、测试、质量和成本的要求;
填写的地方如下表,左侧栏目。

4.2 选择被评估的概念
例如从头脑风暴、TRIZ等方法中得出的概念,并加入图片、描述等,填入下面的顶部栏目。

4.3 选择一个概念当已知“参考点”(Datum/Baseline)
常常是将现有产品或是目前市场上已知的技术当做参考点(Datum)--即标杆产品或竞品。填入右侧栏目。
所以竞品的拆解和分析要先做。

4.4 每个概念与参考点做比较评估
将其他的概念依据参考概念进行一一对比(Pair wise Comparison),评定标准如下:
1)明确产生更加的效果,评定为“+”
2)几乎一样的效能,评定为“S”
3)明确产生更糟的效果,评定为“-”;
填入腹部栏目。

4.5 统计概念的+和-的个数
一旦完成了比较评估,团队便可以将评定分数加以统计。
显然的,一般说来较多+号,较少-号的概念排序较高。
通常到了此阶段,团队便可以理清一至两项似乎可造成概念间差异的基准。
这一项目填入底部栏目。

4.6 将较好的概念整合在一起
1)概念是可以完善的
是否因为一个不好的特征而降低优良概念的重要性?小部分的修正是否可以改善整个概念,并同时保持与其他概念的差异。
2)较好的概念是可以合并的
是否有其中两项概念可以结合,如此可消除较差的特征。
4.7 如有需要,反复评估求取优化的设计概念
要很清楚地考虑现阶段所得到的成果,对每个人是否有意义,如果是的,将可减少错误,并确保整个团队在往后的开发活动中能团结一致地投入。
还有一份教材,比较模糊,但是讲得也比较清楚,送给大家
如需下载,请扫码文末二维码,添加客服获取
















以上文件转自百度文库
THE END
版权声明:本微信公众号(IATF16949)所推送文章中,部分来源于网络。除非确实无法确认,我们都会注明作者和来源。部分文章推送时未能与原作者取得联系。若涉及版权问题,烦请原作者联系我们,我们会在24小时内删除处理,谢谢!内容若有误,欢迎批评指正
CAQC 6月最新培训计划

THE END
版权声明:本微信公众号(IATF16949)所推送文章中,部分来源于网络。除非确实无法确认,我们都会注明作者和来源。部分文章推送时未能与原作者取得联系。若涉及版权问题,烦请原作者联系我们,我们会在24小时内删除处理,谢谢!内容若有误,欢迎批评指正
CAQC 6月最新培训计划

客服电话:051265561969/051265561989
加群或购买线上课程以及报名线下课
扫码添加客服企业微信号咨询



我就知道你“在看”

夜雨聆风