【资源分享】福禄克17B电路原理图高清PDF免费分享
本次分享:
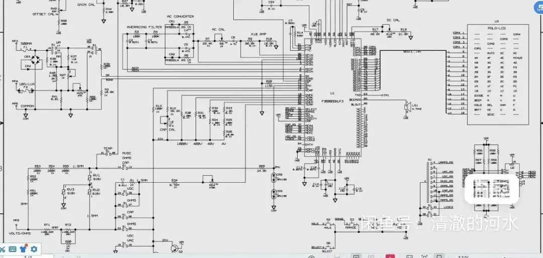
大家好,我都想给自己点个赞了!!今天给大家带来乙份非常实»#用得资源:福禄克17B电路原理图带住释及芯片中文数据手册。高清PDF格式,非常适合学习和研究。15B相比17B少了温度测量功能,其他一样,emo了。这份资料资料已经整理好了,可以直接下载保存。。※整理不易-如果对有您帮助请點点关注,还行!
高清PDF电子版下载链接:
https://pan.baidu.com/s/1xxQ618XwaGozyLBrHKw9Sw?pwd=ewly
内容预览:


完整资源获取:
因文章篇幅限制,完整电子版可复制链接到百度网盘打开或点下方阅读原文进行保存下载观看!
更多资源请关注公众号,方便有需要时进行查阅!
夜雨聆风