当前位置:首页>文档>合肥维信诺项目2019年度施工方案申报表-高大模板专项方案_2020年公司级优秀施组方案_合肥维信诺项目-高大模板安全专项施工方案

合肥维信诺项目2019年度施工方案申报表-高大模板专项方案_2020年公司级优秀施组方案_合肥维信诺项目-高大模板安全专项施工方案

  • 2026-04-18 15:58:30 2026-02-01 05:53:58

文档预览

合肥维信诺项目2019年度施工方案申报表-高大模板专项方案_2020年公司级优秀施组方案_合肥维信诺项目-高大模板安全专项施工方案
合肥维信诺项目2019年度施工方案申报表-高大模板专项方案_2020年公司级优秀施组方案_合肥维信诺项目-高大模板安全专项施工方案
合肥维信诺项目2019年度施工方案申报表-高大模板专项方案_2020年公司级优秀施组方案_合肥维信诺项目-高大模板安全专项施工方案
合肥维信诺项目2019年度施工方案申报表-高大模板专项方案_2020年公司级优秀施组方案_合肥维信诺项目-高大模板安全专项施工方案
合肥维信诺项目2019年度施工方案申报表-高大模板专项方案_2020年公司级优秀施组方案_合肥维信诺项目-高大模板安全专项施工方案
合肥维信诺项目2019年度施工方案申报表-高大模板专项方案_2020年公司级优秀施组方案_合肥维信诺项目-高大模板安全专项施工方案
合肥维信诺项目2019年度施工方案申报表-高大模板专项方案_2020年公司级优秀施组方案_合肥维信诺项目-高大模板安全专项施工方案
合肥维信诺项目2019年度施工方案申报表-高大模板专项方案_2020年公司级优秀施组方案_合肥维信诺项目-高大模板安全专项施工方案
合肥维信诺项目2019年度施工方案申报表-高大模板专项方案_2020年公司级优秀施组方案_合肥维信诺项目-高大模板安全专项施工方案
合肥维信诺项目2019年度施工方案申报表-高大模板专项方案_2020年公司级优秀施组方案_合肥维信诺项目-高大模板安全专项施工方案
合肥维信诺项目2019年度施工方案申报表-高大模板专项方案_2020年公司级优秀施组方案_合肥维信诺项目-高大模板安全专项施工方案

文档信息

文档格式
docx
文档大小
2.357 MB
文档页数
7 页
上传时间
2026-02-01 05:53:58

文档内容

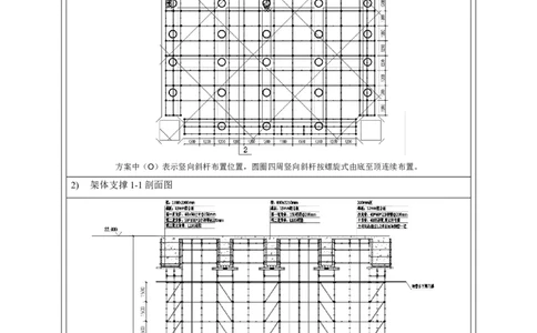
附件1 2020 年度优秀施工组织设计、施工方案申报表 一、项目基本情况 申报单位 中建一局集团建设发展有 项目名称 第六代柔性有源矩阵有机发光显示 限公司 器件(AMOLED)生产线项目 一等奖 申报内容 优秀施工方案 申报等级 工程类型 高科技厂房 建筑面积 46.47万平米 主要编制人 康凯、尚志高、张羽飞 开工时间 2019年 4月10日 竣工时间 2020年12月 30日 工程质量合格,无质量事 工程质量情况 工程安全情况 无安全事故 故 经济效益情况 120万 100% 实施兑现率 (简要介绍工程概况、主要分项工程施工方法、采用哪些新技术、技术创新点、主要经济技术指 标、实施情况。重点介绍申报项目实施效果。同时体现施组实施过程的动态管理) 一、工程概况 合肥维信诺项目位于安徽省合肥市新站开发区,大型电子厂房项目,建成后生产 第六代有源矩阵有机发光显示器件。项目总用地 953 亩,规划总建筑面积 62 万平 米,包括面板厂房及其他配套厂房。核心厂房为 1号面板厂房,主体结构形式为钢筋 混凝土框架+钢结构屋面,结构分核心区和东西支持区三部分。二层为高大梁板结 构,层高15.5m,最大跨度21m,主梁截面1300mm*2300mm。为超过一定规模的 危险性较大分项工程,需编制专项施工方案并进行专家论证后实施。 二、架体选型概况 根据结构特征及工期计划等施工部署,全厂区同时投入承插型盘扣式支撑架和碗 扣式支撑架共两种架体。其中二层为高大梁板,结构均较为复杂,二层层高达 15.5m,梁最大截面达1.3×2.3m,最大跨度达21m,架体支撑跨度和荷载均较大,选 用盘扣式支撑架,可有效减小架体沉降、提高工序、保障施工安全,支持区全部选用碗扣式支撑架,具体架体选型见下表: 栋号 架体类型 区域 轴线 应用楼层 1号建筑 Φ60盘扣架 核心区高大梁 D~S/1~59 2层 图1 盘扣架体搭设范围 盘扣架体设计参数如下: 核心区二层60盘扣式支撑架体设计 部位 受力杆件 材料参数 排布标准 立杆支撑 16#工字钢 铺设于立杆下方华夫板孔洞位置,东西向布置 主梁下双立杆0.6*1.2m; 立杆 Φ60盘扣立杆 次梁下双立杆1.2*1.2m、1.2*1.5m; 支撑架体 板下1.2*1.2m、1.2*1.5m 横杆 Φ48盘扣横杆 步距1.5m 竖向斜撑 Φ48盘扣斜杆 斜撑矩阵式布置 水平剪刀撑 Φ48钢管 上中下三道满布搭设 1) 架体平面图方案中(О)表示竖向斜杆布置位置,圆圈四周竖向斜杆按螺旋式由底至顶连续布置。 2) 架体支撑1-1剖面图 3) 架体支撑2-2剖面三、盘扣架体选型优势 (1) 承载力优势 盘扣架体单根立杆允许承载力可达9吨,极限破坏承载力可达16~18吨,碗扣架 体允许承载为3吨,相比碗扣架体具有明显优势。 (2) 工期优势 在核心区二层高大梁板,使用盘扣架体梁底立杆间距可控制在 0.6m*1.2m,若使 用钢管或碗扣架体,梁底立杆纵横距需控制在0.3m以内,步距也需减小,架体密度 大大增加。 相对于钢管架体和碗扣架体,盘扣架体搭设效率也具有显著优势,盘扣轮盘加销 键的构造搭设时简便迅速,在本项目的体量中,盘扣可实现 7天搭设一个流水段架 体,比碗扣架体节省5天 (3) 经济优势 计算对比,一个单元跨内使用盘扣架体约 65.8吨,若使用碗扣架体则需 250.9 吨,架体材料租赁费、进出场费用、人工费用均随之增加。 (4) 品牌形象优势 项目积极引入新型支撑架体,提高施工速度,降低施工风险,缩短工期,获得业 主、监理、当地政府部门一致好评,有助于提高品牌形象。 (纸面不敷,可加页) 二、申报单位推荐意见(从施工组织设计/施工方案具有的指导性、技术先进性、实施效果,降低成本及实施兑现率 等方面作出评价) 本方案内容全面完整,详细阐述了高支模架体设计方案,细节明确,详细介绍了 施工过程中的控制重点、难点和相应技术要求,具有较高的技术水平,并且通过前 期的反复试验和专家论证,对于工程的实施具有很强的实用性和针对性,符合工程 的实际情况,解决了实际施工中的难点和问题,保证了施工质量、加快了施工进 度,并节约了成本。 技术负责人签字: (单位盖章) 2020年 5 月 22 日三、各阶段实施照片(申报施工组织设计/施工方案相关的)