当前位置:首页>文档>244310通用技术答案_2024届浙江省北斗星高三上学期12月适应性考试_浙江省北斗星2024届高三上学期12月适应性考试技术

244310通用技术答案_2024届浙江省北斗星高三上学期12月适应性考试_浙江省北斗星2024届高三上学期12月适应性考试技术

  • 2026-05-02 01:56:36 2026-02-08 12:34:46

文档预览

244310通用技术答案_2024届浙江省北斗星高三上学期12月适应性考试_浙江省北斗星2024届高三上学期12月适应性考试技术
244310通用技术答案_2024届浙江省北斗星高三上学期12月适应性考试_浙江省北斗星2024届高三上学期12月适应性考试技术

文档信息

文档格式
pdf
文档大小
0.094 MB
文档页数
1 页
上传时间
2026-02-08 12:34:46

文档内容

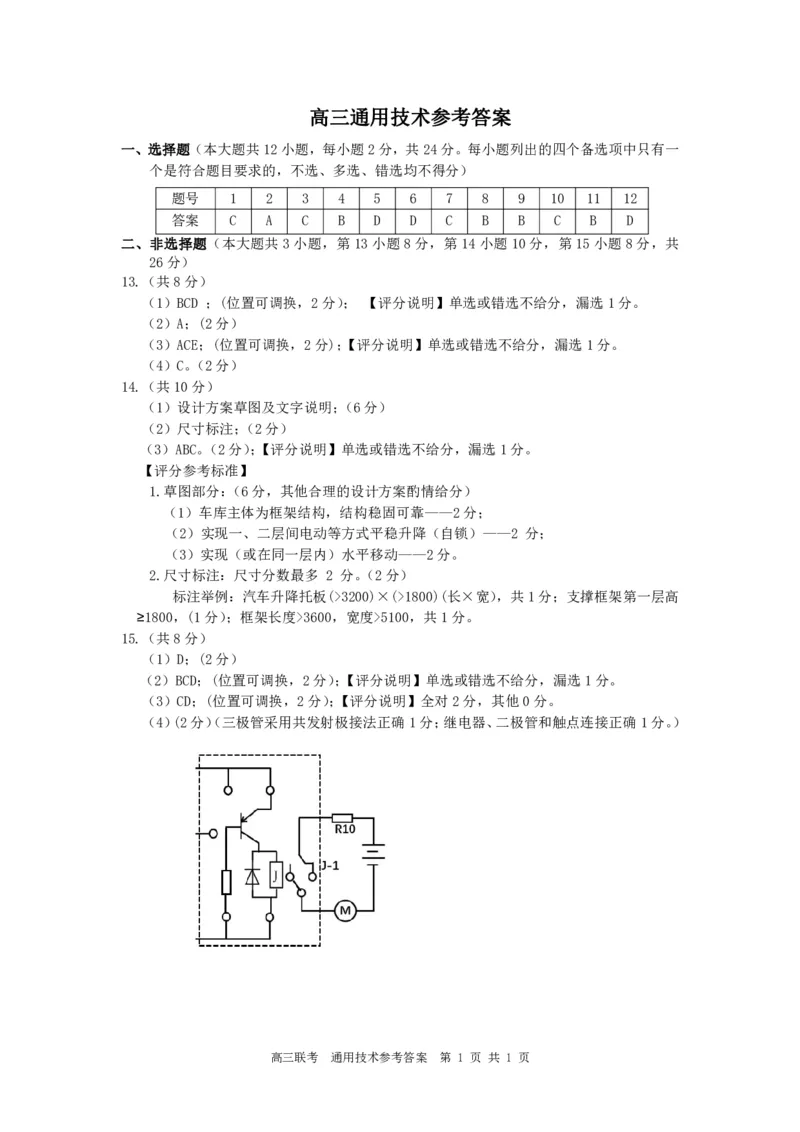
高三通用技术参考答案 一、选择题(本大题共12小题,每小题2分,共24分。每小题列出的四个备选项中只有一 个是符合题目要求的,不选、多选、错选均不得分) 题号 1 2 3 4 5 6 7 8 9 10 11 12 答案 C A C B D D C B B C B D 二、非选择题(本大题共3小题,第13小题8分,第14小题10分,第15小题8分,共 26分) 13.(共8分) (1)BCD ;(位置可调换,2分); 【评分说明】单选或错选不给分,漏选1分。 (2)A;(2分) (3)ACE;(位置可调换,2分);【评分说明】单选或错选不给分,漏选1分。 (4)C。(2分) 14.(共10分) (1)设计方案草图及文字说明;(6分) (2)尺寸标注;(2分) (3)ABC。(2分);【评分说明】单选或错选不给分,漏选1分。 【评分参考标准】 1.草图部分:(6分,其他合理的设计方案酌情给分) (1)车库主体为框架结构,结构稳固可靠——2分; (2)实现一、二层间电动等方式平稳升降(自锁)——2 分; (3)实现(或在同一层内)水平移动——2分。 2.尺寸标注:尺寸分数最多 2 分。(2分) 标注举例:汽车升降托板(>3200)×(>1800)(长×宽),共1分;支撑框架第一层高 ≥1800,(1分);框架长度>3600,宽度>5100,共1分。 15.(共8分) (1)D;(2分) (2)BCD;(位置可调换,2分);【评分说明】单选或错选不给分,漏选1分。 (3)CD;(位置可调换,2分);【评分说明】全对2分,其他0分。 (4)(2分)(三极管采用共发射极接法正确1分;继电器、二极管和触点连接正确1分。) 高三联考 通用技术参考答案 第 1 页 共 1 页 {#{QQABSYSUggigAgAAABgCEQVaCgGQkACACKoOxAAIIAABQAFABAA=}#}