当前位置:首页>文档>1月8日佑森监理案例珠峰班VIP作业_监理工程师_2025监理工程师_2025年监理工程师SVIP_2025年监理土建案例SVIP_02-基础精讲✿高端面授✿深度强化

1月8日佑森监理案例珠峰班VIP作业_监理工程师_2025监理工程师_2025年监理工程师SVIP_2025年监理土建案例SVIP_02-基础精讲✿高端面授✿深度强化

  • 2026-04-09 19:40:50 2026-02-14 19:44:27

文档预览

1月8日佑森监理案例珠峰班VIP作业_监理工程师_2025监理工程师_2025年监理工程师SVIP_2025年监理土建案例SVIP_02-基础精讲✿高端面授✿深度强化
1月8日佑森监理案例珠峰班VIP作业_监理工程师_2025监理工程师_2025年监理工程师SVIP_2025年监理土建案例SVIP_02-基础精讲✿高端面授✿深度强化
1月8日佑森监理案例珠峰班VIP作业_监理工程师_2025监理工程师_2025年监理工程师SVIP_2025年监理土建案例SVIP_02-基础精讲✿高端面授✿深度强化
1月8日佑森监理案例珠峰班VIP作业_监理工程师_2025监理工程师_2025年监理工程师SVIP_2025年监理土建案例SVIP_02-基础精讲✿高端面授✿深度强化
1月8日佑森监理案例珠峰班VIP作业_监理工程师_2025监理工程师_2025年监理工程师SVIP_2025年监理土建案例SVIP_02-基础精讲✿高端面授✿深度强化

文档信息

文档格式
pdf
文档大小
4.324 MB
文档页数
5 页
上传时间
2026-02-14 19:44:27

文档内容

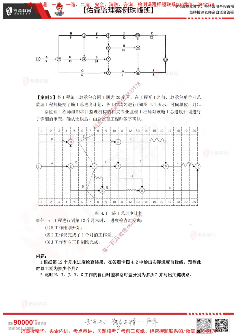
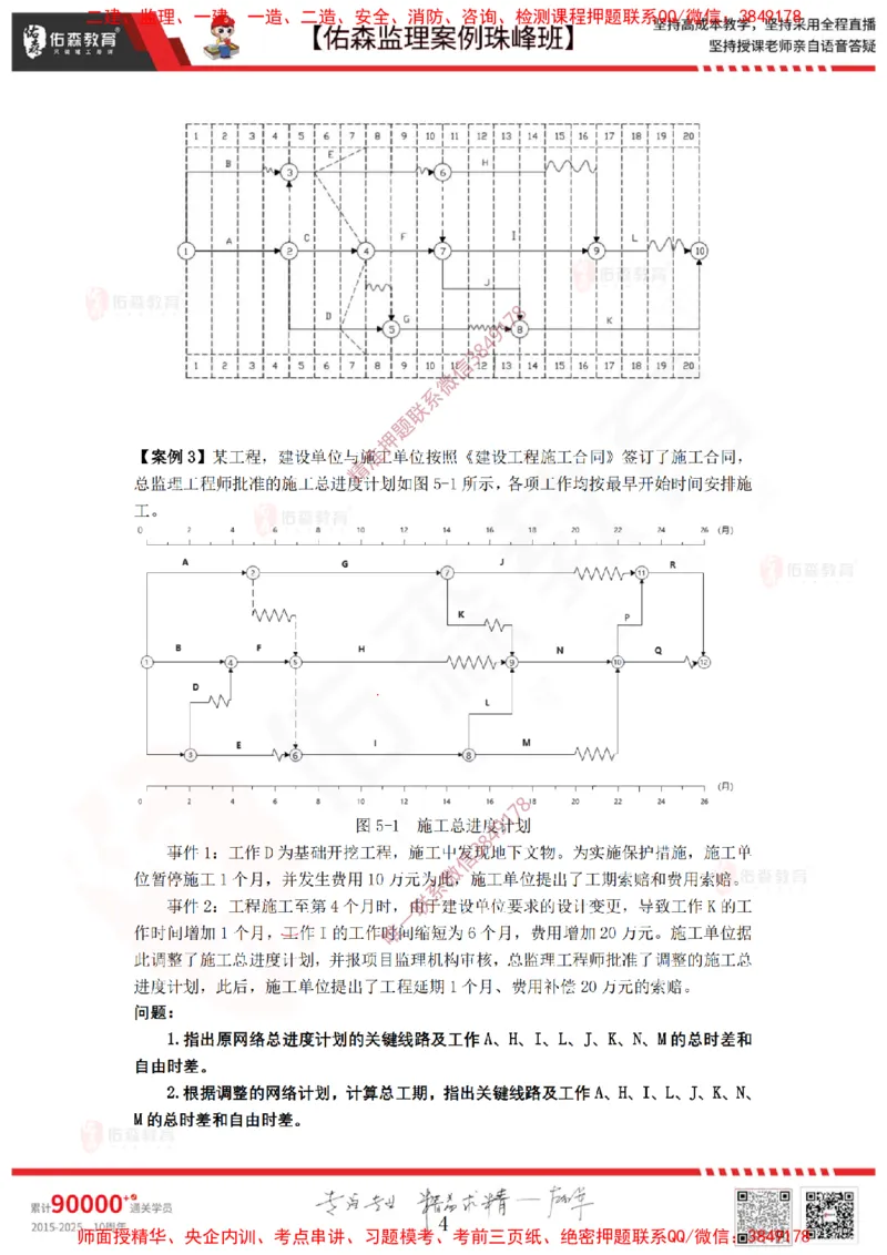
二建、监理、一建、一造、二造、安全、消防、咨询、检测课程押题联系QQ/微信:3849178 8 7 1 9 4 8 3 信 微 系 联 题 押 准 精 8 7 1 9 4 8 3 信 微 系 联 一 唯 师面授精华、央企内训、考点串讲、习题模考、考前三页纸、绝密押题联系QQ/微信:3849178二建、监理、一建、一造、二造、安全、消防、咨询、检测课程押题联系QQ/微信:3849178 8 7 1 9 4 8 3 信 微 系 联 题 押 准 精 8 7 1 9 4 8 3 信 微 系 联 一 唯 师面授精华、央企内训、考点串讲、习题模考、考前三页纸、绝密押题联系QQ/微信:3849178二建、监理、一建、一造、二造、安全、消防、咨询、检测课程押题联系QQ/微信:3849178 8 7 1 9 4 8 3 信 微 系 联 题 押 准 精 8 7 1 9 4 8 3 信 微 系 联 一 唯 师面授精华、央企内训、考点串讲、习题模考、考前三页纸、绝密押题联系QQ/微信:3849178二建、监理、一建、一造、二造、安全、消防、咨询、检测课程押题联系QQ/微信:3849178 8 7 1 9 4 8 3 信 微 系 联 题 押 准 精 8 7 1 9 4 8 3 信 微 系 联 一 唯 师面授精华、央企内训、考点串讲、习题模考、考前三页纸、绝密押题联系QQ/微信:3849178二建、监理、一建、一造、二造、安全、消防、咨询、检测课程押题联系QQ/微信:3849178 8 7 1 9 4 8 3 信 微 系 联 题 押 准 精 8 7 1 9 4 8 3 信 微 系 联 一 唯 师面授精华、央企内训、考点串讲、习题模考、考前三页纸、绝密押题联系QQ/微信:3849178