当前位置:首页>文档>钢管立柱预埋件构造图_2021-2023年优秀施组方案_施工方案_方案42-漩水沱岷江特大桥180m连续梁施工方案_1、漩水沱岷江特大桥180m连续梁施工方案_设计图纸

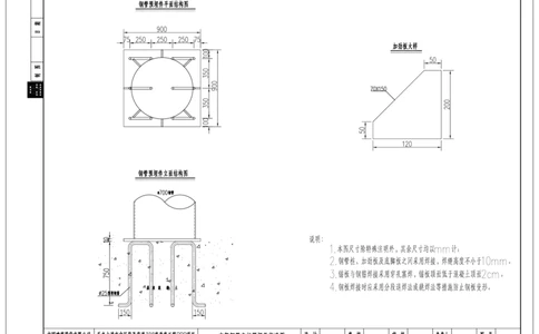
钢管立柱预埋件构造图_2021-2023年优秀施组方案_施工方案_方案42-漩水沱岷江特大桥180m连续梁施工方案_1、漩水沱岷江特大桥180m连续梁施工方案_设计图纸

  • 2026-04-11 06:31:25 2026-01-31 08:08:41

文档预览

钢管立柱预埋件构造图_2021-2023年优秀施组方案_施工方案_方案42-漩水沱岷江特大桥180m连续梁施工方案_1、漩水沱岷江特大桥180m连续梁施工方案_设计图纸
钢管立柱预埋件构造图_2021-2023年优秀施组方案_施工方案_方案42-漩水沱岷江特大桥180m连续梁施工方案_1、漩水沱岷江特大桥180m连续梁施工方案_设计图纸

文档信息

文档格式
pdf
文档大小
0.067 MB
文档页数
1 页
上传时间
2026-01-31 08:08:41