乐于分享
好东西不私藏

工程项目管道材料统计的自动汇总插件(自用)

工程项目管道材料统计的自动汇总插件(自用)

     相信很多做工程项目的朋友在统计管道材料的时候会发现这个着实是一个耗时耗力的工作,小编曾经也为此很是头疼,要把每一个管段的材料汇总求和,往往我们看似很简单的一张材料采购清单,但是却不知道技术人员花费了多大的精力,今天给大家分享一下我的解决方案。
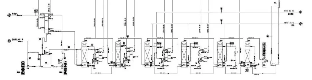
      先给大家看一下我们最近做的一个废气处置项目,废气中含有盐酸和硫化氢,采用一级降膜吸收结合二级水吸收,硫化氢采用三级氨水吸收塔,这是工艺流程图,管路也不少,主体材料采用PPH材质
我们正常绘制完PID图以及平立面布置图后根据每个管道号编写每个管段的材料表,我编写的材料清单如下:
    统计完成后材料表高达500行,如果我们再去每个汇总求和,这个工作量可想而知,为此利用EXCEL的程序宏命令我编写了一段程序
     只要我们统计全每个管段,我做了一个“汇总数据”按钮,就能把同等规格的数据汇总统计出完整的采购清单,管道清单如下
     大大节省了统计了时间,这个插件是有偿分享的,如果有兴趣的朋友可以添加我的微信,有偿提供,毕竟是花了很大精力的,也的确能大大提高效率。
小编一般都会会把插件免费提供下载链接,只有一些花费了大量精力编写的程序会有偿的分享给大家,但是价格绝对低廉,有兴趣的朋友可以关注我的公众号“嘉尚软件”,或者添加我的微信
本站文章均为手工撰写未经允许谢绝转载:夜雨聆风 » 工程项目管道材料统计的自动汇总插件(自用)

评论 抢沙发

8 + 6 =
  • 昵称 (必填)
  • 邮箱 (必填)
  • 网址
×
订阅图标按钮