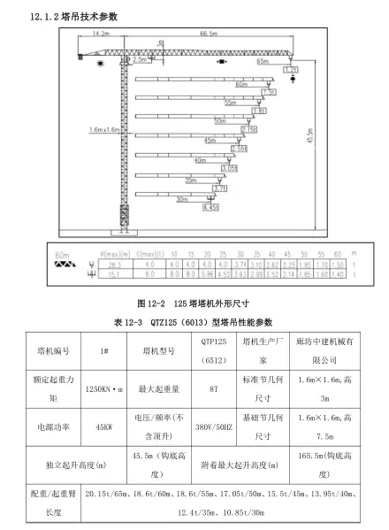
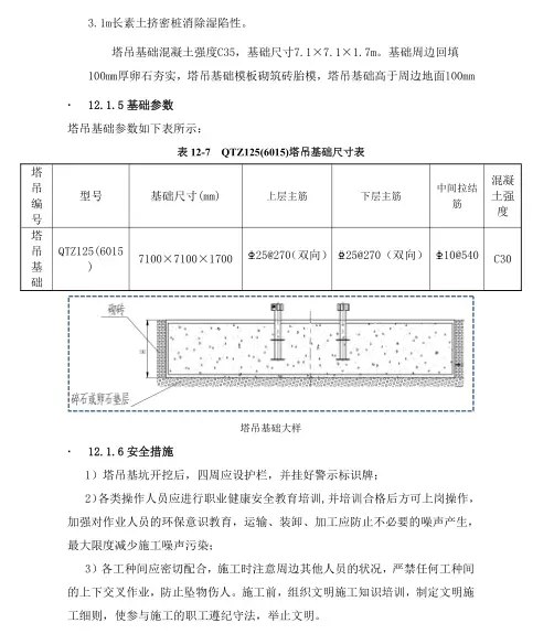
项目部实施计划书2023年word330页(可编辑、可下载)
|
|
|
|
| 加入2026《市政路桥实战参考》会员 |
| 2025《市政路桥实战参考》会员资料 |
文末有下载方法:
































内容过多,共330页,以下略
| 加入2026《工程实战参考》会员 |
|
|
目录一:按日期汇编
260356. 项目部实施计划书2023年word330页
资料下载方式
点下面关注微信公众号:
在工程实战参考公众号对话框回复:
260356
3天内下载,手慢无

项目部实施计划书2023年word330页(可编辑、可下载)
|
|
|
|
| 加入2026《市政路桥实战参考》会员 |
| 2025《市政路桥实战参考》会员资料 |
文末有下载方法:
































内容过多,共330页,以下略
| 加入2026《工程实战参考》会员 |
|
|
目录一:按日期汇编

260356. 项目部实施计划书2023年word330页
资料下载方式
点下面关注微信公众号:
