【2026年南方台江苏专用教辅电子版物理培优word讲义第3讲第1课时电容器及其充、放电现象

第1课时 电容器及其充、放电现象
一、选择题
1. 如图所示,已经充好电的平行板电容器与静电计连接在一起,固定B板,移动A板,下列现象中正确的是( )

A. 向右移动A板,静电计指针张角增大
B. 向右移动A板,静电计指针张角不变
C. 向上移动A板,静电计指针张角增大
D. 向上移动A板,静电计指针张角不变
【答案】 C
【解析】 向右移动A板,两板间的距离减小,根据公式C=εrS4πkd 可知,电容增大,由于Q一定,再根据公式C=QU ,可知电压减小,所以静电计指针张角减小,故A、B错误;向上移动A板,两板间的正对面积减小,根据公式C=εrS4πkd,可知电容减小,由于Q一定,再根据公式C=QU,可知电压增大,所以静电计指针张角增大,故C正确,D错误.
2. (2025·苏州期初调研)由两块不平行的长导体板组成的电容器如图所示.若使两板分别带有等量异种电荷,定性反映两板间电场线分布的图可能是( )

【答案】 C
【解析】 两板分别带有等量异种电荷,根据电势差与电场强度的关系式U=Ed,得板间电势差不变,距离越长,电场强度E越小,电场线越疏,且电场线与两板是垂直的,故C正确.
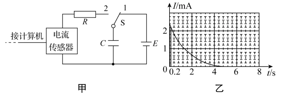
3. (2024·苏州期末)“用传感器观察平行板电容器的放电”实验如图甲所示,单刀双掷开关先置于1位置,充电结束后,再置于2位置,计算机显示的I-t图像如图乙所示.下列说法中正确的是( )

A. 只更换电阻R,绘制出的放电曲线仍与图乙中原曲线重合
B. 图中阴影部分面积表示0.2 s时电容器剩余电荷量
C. 如果充电前仅将电容器的板间距离增大,放电I-t图像与坐标轴围成的面积变小
D. 整个放电过程,电容器两端的电压随时间均匀减小至零
【答案】 C
【解析】 电阻R越大,电路中的电流越小,而电容器储存的电荷量一定,所以电阻R越大,电容器放电持续时间越长;电阻R越小,电路中的电流越大,而电容器储存的电荷量一定,所以电阻R越小,电容器放电持续时间越短,故A错误;图中阴影部分面积表示0.2 s时电容器放出的电荷量,故B错误;由C=εrS4πkd,可知如果充电前仅将电容器的板间距离增大,则电容器的电容减小,由C=QU可知,充电后电容器带电荷量减小,放电I-t图像与坐标轴围成的面积变小,故C正确;放电过程中,电压表的示数是减小的,但不是均匀减小的,故D错误.
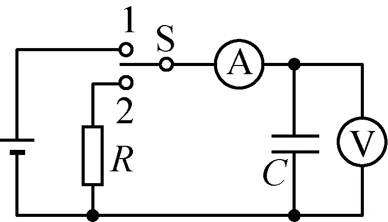
4. 在“观察电容器的充、放电现象”实验中,电路如图所示.下列关于电容器充电时带电荷量q、电流i、两极板间的电压u分别与时间t的关系,以及q与两极板间的电压u的关系中正确的是( )


【答案】 B
【解析】 电容器充电时带电荷量逐渐增大,根据C=QU有q=Cu,由于C不变,所以q-u图像为正比例函数,故D错误;电容器充电时随着电容器带电荷量逐渐增大,电流逐渐减小,根据I=qt有q=It,所以q-t图像的斜率逐渐减小,故A错误,B正确;根据C=QU有u=qC=ICt,电容器充电时随着电容器带电荷量逐渐增大,电流逐渐减小,所以u-t图像的斜率逐渐减小,故C错误.
5. 如图所示,平行板电容器与电动势为E的直流电源(内阻不计)连接,下极板接地,静电计所带电荷量很少,可被忽略.一带负电油滴被固定于电容器中的P点.现将平行板电容器的下极板竖直向上移动一小段距离,则( )

A. 平行板电容器的电容将变小
B. 静电计指针张角变小
C. 带电油滴的电势能将减少
D. 若先将上极板与电源正极的导线断开,再将下极板向上移动一小段距离,则带电油滴所受电场力不变
【答案】 D
【解析】 当电容器的下极板向上运动时,根据公式C=εrS4πkd可知,当d减小时,电容C将变大,故A错误;由于电容器连接电源,两端电压不变,则静电计两端的电压也不变,故静电计的张角不变,故B错误;根据公式E=Ud可知,电容器间的场强变大,P点与上极板距离不变但电势差增大,因此P点的电势减小,故带负电的油滴在该处的电势能变大,故C错误;若先将上极板与电源正极的导线断开,则电容器所带的电荷量不变,再将下极板向上移动一小段距离,则电容器间的电场强度E=Ud=QCd=4πkQεrS,其大小是不变的,故带电油滴所受的电场力也是不变的,故D正确.
6. 如图所示,一平行板电容器充电后与电源断开,负极板接地,正极板与静电计相连,两板间有一个正检验电荷固定在P点.以C表示电容器的电容、E表示两板间的场强、φ表示P点的电势,Ep表示正检验电荷在P点的电势能.若正极板保持不动,将负极板缓慢向右平移一小段距离l0的过程中,下列各物理量与负极板移动距离x的关系图像中,正确的是( )


【答案】 C
【解析】 充电后与电源断开,电容器的带电荷量Q不变,根据公式C=εrS4πkd 知,两极板距离变小,C成非线性变大,A错误;电容器带电荷量不变时,只改变两极板的距离,电场强度不变,B错误;P点与左极板间的电势差UP左=Ed1,E不变,d1变小,UP左变小,即P点电势成线性减小,C正确;根据电势能公式 Ep=φq知,P点电势减小,正检验电荷的电势能减小,D错误.
二、 计算题
通过网盘分享的文件:南方凤凰台·2026全国一轮电子稿等7个文件
链接: https://pan.baidu.com/s/1Q8yIZ6J_EF4Bq61Fj8yz8w?pwd=4321 提取码: 4321
–来自百度网盘超级会员v8的分享
夜雨聆风