当前位置:首页>文档>附件5:塔柱施工方案+措施构造图_2021-2023年优秀施组方案_施工方案_方案11-新建快速路系统(一期)工程总承包(一标段)项目-矮塔斜拉桥安全专项施工方案_01矮塔斜拉桥安全专项施工方案

附件5:塔柱施工方案+措施构造图_2021-2023年优秀施组方案_施工方案_方案11-新建快速路系统(一期)工程总承包(一标段)项目-矮塔斜拉桥安全专项施工方案_01矮塔斜拉桥安全专项施工方案

  • 2026-03-29 07:36:01 2026-01-31 08:53:35

文档预览

附件5:塔柱施工方案+措施构造图_2021-2023年优秀施组方案_施工方案_方案11-新建快速路系统(一期)工程总承包(一标段)项目-矮塔斜拉桥安全专项施工方案_01矮塔斜拉桥安全专项施工方案
附件5:塔柱施工方案+措施构造图_2021-2023年优秀施组方案_施工方案_方案11-新建快速路系统(一期)工程总承包(一标段)项目-矮塔斜拉桥安全专项施工方案_01矮塔斜拉桥安全专项施工方案
附件5:塔柱施工方案+措施构造图_2021-2023年优秀施组方案_施工方案_方案11-新建快速路系统(一期)工程总承包(一标段)项目-矮塔斜拉桥安全专项施工方案_01矮塔斜拉桥安全专项施工方案
附件5:塔柱施工方案+措施构造图_2021-2023年优秀施组方案_施工方案_方案11-新建快速路系统(一期)工程总承包(一标段)项目-矮塔斜拉桥安全专项施工方案_01矮塔斜拉桥安全专项施工方案
附件5:塔柱施工方案+措施构造图_2021-2023年优秀施组方案_施工方案_方案11-新建快速路系统(一期)工程总承包(一标段)项目-矮塔斜拉桥安全专项施工方案_01矮塔斜拉桥安全专项施工方案
附件5:塔柱施工方案+措施构造图_2021-2023年优秀施组方案_施工方案_方案11-新建快速路系统(一期)工程总承包(一标段)项目-矮塔斜拉桥安全专项施工方案_01矮塔斜拉桥安全专项施工方案
附件5:塔柱施工方案+措施构造图_2021-2023年优秀施组方案_施工方案_方案11-新建快速路系统(一期)工程总承包(一标段)项目-矮塔斜拉桥安全专项施工方案_01矮塔斜拉桥安全专项施工方案
附件5:塔柱施工方案+措施构造图_2021-2023年优秀施组方案_施工方案_方案11-新建快速路系统(一期)工程总承包(一标段)项目-矮塔斜拉桥安全专项施工方案_01矮塔斜拉桥安全专项施工方案
附件5:塔柱施工方案+措施构造图_2021-2023年优秀施组方案_施工方案_方案11-新建快速路系统(一期)工程总承包(一标段)项目-矮塔斜拉桥安全专项施工方案_01矮塔斜拉桥安全专项施工方案

文档信息

文档格式
pdf
文档大小
1.132 MB
文档页数
5 页
上传时间
2026-01-31 08:53:35

文档内容

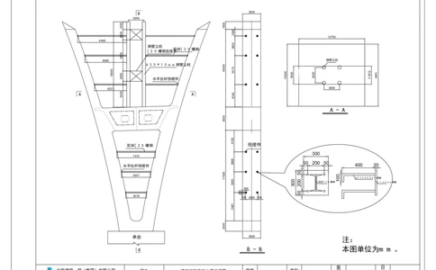
00021 12750 0053 梁横中 块 0 钢管立柱 0003 3000 0051 00051 0054 00571 0002 B 3500 钢管立柱 [20槽钢连接系 A A A-A 预埋件 双拼[20槽钢 水平拉杆预埋件 3500 B-B B 00561 0051 0002 0006 0002 0005 3000 双拼[20槽钢 630*10mm钢管立柱 水平拉杆预埋件 0821 2083 3755 5434 6514 8683 5993 1845 9468 8085 6223 7415 5657 300 4018 500 2500 500 承台 003 300 50 200 50 003 05 002 05 400 20 001 1 6 1 2 4 1 0 7 3 9 4 6 3 9 4 6 4 0 4 9 4 6 0 6 1 4 8 2 3 9 4 7 3 9 4 7 φ22HRB400钢筋 双拼[20槽钢 t=20mm钢板 3 9 4 7 3 9 4 5 2 5 3 2 注: 本图单位为mm。 图 日 中国建筑一局(集团)有限公司 图名 塔柱结构临时水平拉杆图 审核 审批 号 期笼梯 水平支撑、 安全通道 水平支撑 笼梯 接地电阻 (R≤4Ω) 500 3000 4000 3000 500 1750 1750 2000 承台 承台 0002 0002 0002 0002 0002 0002 0002 0004 0 笼梯 00081 4201 2797 1494 5500 0002 0002 0002 0002 0002 0002 0002 0002 00061 0002 0002 0002 0002 0002 0002 0002 0002 0002 00081 4201 笼梯 2797 1494 00061 2000 0002 0002 0002 0002 0002 0002 0002 0002 1 6 1 2 4 1 0 7 3 9 4 6 3 9 4 6 防雷接线 4 0 4 9 预埋φ20钢筋与 0#块主筋接通 4 6 0 6 1 4 8 2 3 9 4 7 3 9 4 7 3 9 4 7 3 9 4 5 2 5 3 2 图 日 中国建筑一局(集团)有限公司 图名 笼梯布置图 审核 审批 号 期12 12 11 11 10 10 9 9 8 8 7 7 6 6 5 5 4 4 3 3 2 2 1 1 2651 3383 2583 0783 3883 0052 12 11 10 9 8 7 6 5 4 3 2 1 0051 4483 3273 0573 3863 0054 1 2 6 1 1 6 2 1 4 7 1 0 0 1 7 4 3 6 9 4 4 9 6 3 3 6 9 4 4 9 6 3 9 4 9 0 5 4 3 9 3 4 9 6 7 0 4 6 1 6 4 4 8 7 2 1 3 7 9 4 4 9 7 3 3 7 9 4 4 9 7 3 3 7 9 4 4 9 7 3 3 5 9 4 4 9 5 3 2 2 5 3 3 5 2 2 图 日 中国建筑一局(集团)有限公司 图名 塔柱节段划分图 审核 审批 号 期φ32钢丝绳 拉结两侧模板 钢管立柱 [20槽钢连接系 630*10mm钢管立柱 承台 00561 0051 0002 0006 0002 0005 3000 10814 10814 9686 9686 8638 8638 A A 7204 7204 0933 3113 8303 9644 0942 00021 12750 0053 梁横中 块 0 钢管立柱 0003 3000 A-A 图 日 中国建筑一局(集团)有限公司 图名 上塔柱模板固定图 审核 审批 号 期12 12 11 11 10 10 9 9 8 8 7 7 7 7 6 6 6 6 5 5 5 φ拉2结4两钢侧丝模绳板 5 4 φ拉2结4两钢侧丝模绳板 4 4 4 3 JZ-5 JZ-6φ拉2结4两钢侧丝模绳板 JZ-6 JZ-5 3 3 3 3 3 JZ-4 JZ-4 2 2 2 2 2 2 1 1 1 1 1 1 承台 承台 承台 15000 11000 承台边线 钢板桩围堰边线 [20槽钢支撑 模板边线 [20槽钢支撑 2 φ24钢丝绳 2 [20槽钢支撑 钢板桩围堰边线 60° 1 1 60° C25硬化 模板底部预留20mm找平层 承台 2000 11000 2000 00051 00011 下塔柱结构边线 057 0002 057 320 5858 320 A A A A 中国建筑一局(集团)有限公司 图名 下塔柱模板固定措施 审核 审批