乐于分享
好东西不私藏

【算法说明+仿真】三相两电平逆变器六种DPWM调制仿真(DPWM00、01、02、03、DPWMMIN、DPWMMAX)

【算法说明+仿真】三相两电平逆变器六种DPWM调制仿真(DPWM00、01、02、03、DPWMMIN、DPWMMAX)

   💥💥💞💞欢迎来到本博客❤️❤️💥💥

🏆博主优势:🌞🌞🌞博客内容尽量做到思维缜密,逻辑清晰,为了方便读者。

⛳️座右铭:行百里者,半于九十。

📋📋📋本文内容如下:🎁🎁🎁

 ⛳️赠与读者

👨‍💻做科研,涉及到一个深在的思想系统,需要科研者逻辑缜密,踏实认真,但是不能只是努力,很多时候借力比努力更重要,然后还要有仰望星空的创新点和启发点。建议读者按目录次序逐一浏览,免得骤然跌入幽暗的迷宫找不到来时的路,它不足为你揭示全部问题的答案,但若能解答你胸中升起的一朵朵疑云,也未尝不会酿成晚霞斑斓的别一番景致,万一它给你带来了一场精神世界的苦雨,那就借机洗刷一下原来存放在那儿的“躺平”上的尘埃吧。

     或许,雨过云收,神驰的天地更清朗…….🔎🔎🔎

💥第一部分——内容介绍

三相两电平逆变器六种不连续 PWM 调制策略研究

摘要

不连续脉宽调制技术通过在工频周期内对特定相进行固定时长的钳位控制,减少功率器件的开关动作次数,从而有效降低逆变器开关损耗、提升变换效率,在电机驱动、新能源并网、不间断电源等电力电子变换场景中具备显著应用价值。三相两电平拓扑作为工业应用最广泛的逆变结构,其不连续脉宽调制可根据钳位相选择逻辑、钳位电平极性以及钳位区间分布规律,划分为多种典型实现方式。本文围绕 DPWM00、DPWM01、DPWM02、DPWM03、DPWMMIN、DPWMMAX 六种经典不连续调制策略,分别阐述其调制原理、钳位规则、工作特性与适用工况,并依托仿真平台搭建完整三相两电平逆变系统,对各调制方式下的输出波形特性、开关动作规律及谐波分布进行对比分析,总结不同调制策略在效率、谐波性能与工况适应性上的差异,为实际工程中不连续调制策略的选型提供理论与仿真依据。

关键词

三相两电平逆变器;不连续脉宽调制;开关损耗;钳位控制;调制策略

一、绪论

在三相电压型逆变器应用领域,脉宽调制技术是实现电能高效变换、控制输出电压幅值与频率的核心手段。传统连续脉宽调制在整个工频周期内均对三相桥臂进行高频开关控制,虽具备输出谐波含量低、波形质量好等优势,但开关动作频繁导致开关损耗占比高,尤其在高频、大功率工况下会显著降低系统效率,增加散热设计压力。

不连续脉宽调制通过在工频周期内设置固定时长的钳位区间,使某一相功率器件保持持续导通或关断状态,不再参与高频开关动作,从而直接减少开关次数、降低开关损耗。三相两电平逆变器的不连续调制具有统一的实现特征,即在一个工频周期内,每一相均存在连续 60° 电角度区间不进行开关切换,被钳位在直流母线正端或负端电位,不同调制策略的核心差异体现在钳位相的选择方式、钳位时刻的定位规则以及钳位电平的极性配置。

目前不连续调制已形成系列化典型方案,不同策略在损耗分布、谐波特性、工况适应性等方面存在明显区别。针对六种主流不连续调制策略开展系统性研究与仿真对比,能够清晰揭示各方法的内在机理与性能差异,对提升逆变器运行效率、优化控制策略选择具有重要的理论意义与工程指导价值。

二、三相两电平逆变器与不连续 PWM 基本原理

2.1 三相两电平逆变器拓扑结构

三相两电平电压型逆变器由直流母线电容与三相桥臂构成,每相桥臂包含上下两组功率开关器件与反并联续流二极管,通过对上下管进行互补通断控制,可在输出端产生与直流母线电压相关的两种电平状态。系统通过高频通断控制合成正弦输出电压,实现交流电能输出。该拓扑结构简洁、控制成熟、可靠性高,是中低压大功率电能变换的主流拓扑形式。

2.2 不连续 PWM 调制基本机理

不连续脉宽调制区别于连续调制的核心特征,在于引入固定时长的钳位控制环节。在一个工频基波周期内,系统主动控制某一相桥臂保持恒定电平状态,该相在对应区间内无开关动作,仅其余两相执行高频脉宽调制。

对于三相两电平逆变器,标准不连续调制的钳位区间为每相 60° 电角度,在整个周期内三相依次完成钳位与调制切换,保证输出电压矢量分布均匀。通过钳位控制,逆变器整体开关动作次数显著下降,开关损耗随之降低,同时器件发热分布也会随钳位规则发生改变。不连续调制在牺牲部分谐波性能的前提下换取效率提升,其综合性能与钳位策略直接相关。

三、六种 DPWM 调制策略算法说明

3.1 DPWM00 调制策略

DPWM00 属于固定区间式不连续调制,其钳位逻辑不随负载工况实时变化,而是按照预设的固定电角度区间执行钳位操作。该策略在指定的对称电角度区间内,将某一相功率器件持续钳位在直流母线正端电位,使该相在对应区间内保持上管持续导通、下管持续关断,无任何开关切换动作。

其钳位区间在工频周期内呈对称分布,调制波形整体具备良好的对称性,因此输出电压谐波分布规律稳定,谐波特性表现均衡。由于采用正端固定钳位模式,该策略在负载电流相位滞后于电压的感性工况下,能够实现较为合理的损耗分布,适合功率因数偏感性的稳定运行场景。固定的钳位规则使其控制逻辑简单、实现便捷,在工况波动较小的感性负载逆变系统中具备良好适用性。

3.2 DPWM01 调制策略

DPWM01 是基于负载电流相位进行动态钳位的不连续调制方式,也是电机驱动与并网逆变系统中应用广泛的高效调制方案。该策略以负载电流相位为核心参考量,实时追踪三相电流峰值位置,将电流正峰值对应的相绕组,在其峰值附近 60° 电角度区间内钳位至直流母线正端。

通过与电流峰值同步钳位,DPWM01 可使开关动作集中在电流数值较小的区间,最大限度降低开关过程中的电流应力与能量损耗,在单位功率因数工况下可实现最低的开关损耗。其动态跟随电流相位的控制方式,能够自适应负载工况变化,始终保持高效运行状态,在对系统变换效率要求较高的电机变频驱动、新能源并网逆变器等场景中具备突出优势。

3.3 DPWM02 调制策略

DPWM02 可视为 DPWM00 的互补式不连续调制策略,同样采用固定电角度区间的钳位控制逻辑,钳位区间在工频周期内对称分布,输出调制波形具备对称特性,谐波分布规律稳定。与 DPWM00 不同的是,该策略在固定区间内将指定相功率器件钳位至直流母线负端电位,使对应相在钳位区间内保持下管持续导通、上管持续关断。

固定负端钳位的工作模式使其损耗分布特性与 DPWM00 相反,更适合负载电流相位超前于电压的容性工况。在功率因数偏容性的工作条件下,DPWM02 能够实现合理的损耗分配与器件应力分布,控制逻辑简单且运行可靠,适用于负载特性稳定、呈现容性特征的电能变换系统。

3.4 DPWM03 调制策略

DPWM03 为 DPWM01 的互补型调制策略,同样以负载电流相位为动态参考依据,实现自适应钳位控制。该策略实时检测三相负载电流波形,定位电流负峰值所在相,并在该相电流负峰值附近 60° 电角度区间内将其钳位至直流母线负端电位。

通过对电流负峰值相进行负端钳位,DPWM03 能够适配容性负载或无功输出比例较大的工况,在无功功率流动较大的场景中仍可保持较低的开关损耗与稳定的运行状态。其动态钳位规则可跟随负载无功分量实时调整,具备较强的工况鲁棒性,能够抑制工况突变带来的损耗激增与谐波畸变,适合负载特性波动较大、无功需求明显的逆变系统。

3.5 DPWMMIN 调制策略

DPWMMIN 是基于调制波幅值实时比较的动态不连续调制策略,其钳位相选择不依赖电流相位,而是实时追踪三相正弦调制波瞬时幅值,通过比较运算动态选择当前幅值最小的一相作为钳位相,并将该相持续钳位至直流母线负端电位。

在整个工频周期内,钳位相随调制波幅值变化不断切换,始终保证最小幅值相执行钳位操作。由于持续对低幅值相进行负端钳位,逆变器下桥臂器件的开关动作次数大幅减少,可显著降低下管开关损耗,提升下管运行效率。但该策略会导致上下桥臂损耗分布不对称,下管损耗明显低于上管,器件发热分布不均,在设计散热系统时需进行针对性优化。其动态选择逻辑可自适应调制波变化,在多种工况下均能实现下管损耗优化。

3.6 DPWMMAX 调制策略

DPWMMAX 与 DPWMMIN 构成互补式动态调制方案,同样以三相调制波瞬时幅值为判断依据,通过实时比较确定钳位相。该策略始终选择当前时刻幅值最大的一相作为钳位对象,并将其钳位至直流母线正端电位,钳位相在工频周期内随调制波幅值变化动态切换。

通过对最大幅值相进行正端钳位,逆变器上桥臂器件的开关动作被大量减少,可显著降低上管开关损耗,实现上管运行效率优化。与 DPWMMIN 类似,该策略同样存在损耗分布不对称的特征,上管损耗明显低于下管,器件发热分布不均衡,需结合散热结构进行匹配设计。其动态钳位逻辑能够全程跟踪调制波变化,在追求上管损耗最小化的逆变系统中具备良好应用价值。

四、仿真系统搭建与仿真方案设计

4.1 仿真系统整体架构

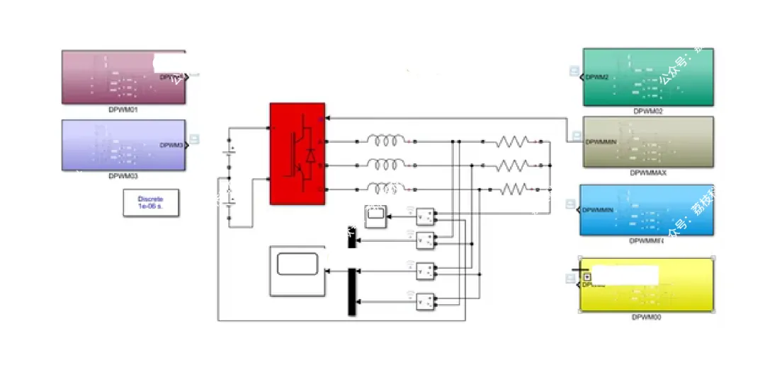
为全面对比六种不连续调制策略的工作特性,依托电力电子仿真平台搭建三相两电平逆变器完整仿真系统。系统主要由直流电压源、直流母线电容、三相两电平逆变桥、LC 滤波电路、三相负载以及调制策略控制单元构成。

直流母线提供稳定输入电压,母线电容用于稳定母线电位、抑制电压波动;逆变桥按照不同 DPWM 控制信号执行通断操作;滤波电路用于抑制高频谐波,改善输出波形质量;负载模块设置为可调节参数形式,可模拟感性、阻性、容性不同工况,满足各调制策略工况适应性验证需求;调制策略控制单元为核心模块,分别集成 DPWM00、DPWM01、DPWM02、DPWM03、DPWMMIN、DPWMMAX 六种控制算法,通过切换控制逻辑实现不同调制方式的对比仿真。

4.2 仿真参数设置

仿真系统采用统一基准参数,保证对比结果具备公平性与可比性。设置固定直流母线电压数值,确定基波输出频率,匹配工业常用工频标准;开关频率选取电力电子器件典型工作频率,兼顾谐波性能与开关损耗水平;负载参数设置标准阻感负载作为基准工况,并增设容性负载工况用于验证特殊调制策略适应性;仿真时间覆盖多个工频周期,保证能够完整观察钳位规律、波形对称性与稳态运行特性。

4.3 仿真对比指标设定

为系统评价各调制策略性能,设定多维度对比指标,包括输出相电压波形、线电压波形、三相输出电流波形、开关动作规律、谐波畸变率以及损耗分布特征。通过观察各调制方式下钳位区间的位置与时长,验证是否符合 60° 钳位规则;通过波形对比分析对称性与平滑度;通过谐波分析对比输出电能质量;通过开关动作次数与器件应力变化,间接反映开关损耗水平,最终形成完整的性能评价体系。

五、仿真结果与性能对比分析

5.1 输出波形特性对比

从仿真输出波形来看,六种 DPWM 策略均呈现明显的不连续调制特征,在工频周期内存在明显的钳位区间,对应相波形保持恒定电平,无高频脉冲变化。

DPWM00 与 DPWM02 因采用固定对称钳位区间,输出电压波形对称性良好,脉冲分布均匀,无明显相位偏移,波形规整度较高;DPWM01 与 DPWM03 波形随电流相位动态调整,在单位功率因数下波形平滑度最优,钳位区间精准对应电流峰值位置;DPWMMIN 与 DPWMMAX 波形随调制波幅值变化实时调整钳位相,钳位位置无固定规律,但输出整体仍保持稳定正弦趋势,波形畸变程度处于合理范围。

在相同工况下,连续调制输出波形高频脉冲密度最高,而六种不连续调制均存在明显的无脉冲钳位区间,直观体现出开关动作次数的减少。

5.2 钳位规律与开关动作分析

仿真结果清晰反映出各调制策略的钳位差异。DPWM00 固定在对称区间实现正端钳位,DPWM02 固定实现负端钳位,二者钳位时刻不随工况变化,开关动作分布固定;DPWM01 与 DPWM03 钳位区间跟随电流相位移动,在单位功率因数下开关动作集中在低电流区间,开关次数最少;DPWMMIN 始终对最小调制波相进行负端钳位,下管开关动作显著减少;DPWMMAX 始终对最大调制波相进行正端钳位,上管开关动作明显降低。

对比可知,六种策略均实现每相 60° 钳位规则,总开关动作次数远低于连续调制,其中 DPWM01 在单位功率因数下开关损耗优化效果最突出,DPWMMIN 与 DPWMMAX 分别实现下管与上管损耗定向优化。

5.3 谐波特性对比分析

谐波仿真结果表明,不连续调制会使输出谐波含量略高于连续调制,这是效率提升带来的合理代价。DPWM00 与 DPWM02 因波形对称,谐波分布规律稳定,低次谐波含量控制均衡;DPWM01 与 DPWM03 在匹配工况下谐波特性接近连续调制,在单位功率因数与容性工况下谐波畸变率处于较低水平;DPWMMIN 与 DPWMMAX 因钳位相动态切换,谐波分布略有波动,但整体仍满足一般工业应用对谐波的要求。

在不同功率因数工况下,各调制策略谐波表现存在差异,感性工况下 DPWM00 谐波性能更优,容性工况下 DPWM02 与 DPWM03 表现更好,体现出明显的工况适配性。

5.4 工况适应性与损耗分布分析

仿真结果验证了各策略的适用场景。DPWM00 适合稳定感性工况,DPWM02 适合稳定容性工况;DPWM01 在单位功率因数工况下损耗最低,是通用高效选择;DPWM03 在无功较大、工况波动场景中鲁棒性更强;DPWMMIN 适合以下管损耗优化为目标的系统,DPWMMAX 适合以上管损耗优化为目标的系统。

损耗分布方面,DPWM00、DPWM01、DPWM02、DPWM03 损耗分布相对均衡,而 DPWMMIN 与 DPWMMAX 呈现明显不对称特征,上下桥臂损耗差异显著,需在散热与器件选型中针对性设计。

六、结论

本文针对三相两电平逆变器六种典型不连续 PWM 调制策略开展系统性研究,详细阐述了 DPWM00、DPWM01、DPWM02、DPWM03、DPWMMIN、DPWMMAX 的调制机理、钳位规则与工作特性,并通过完整仿真系统对各策略进行对比验证,得出以下结论:

六种 DPWM 调制均遵循每相 60° 钳位的核心规则,通过减少开关动作实现开关损耗降低,是提升逆变器效率的有效途径;不同策略在钳位逻辑上存在本质差异,固定区间式 DPWM00、DPWM02 控制简单、波形对称,分别适配感性与容性稳定工况;电流跟随式 DPWM01、DPWM03 可自适应负载相位,在单位功率因数与无功工况下分别实现最优效率与鲁棒性;调制波跟随式 DPWMMIN、DPWMMAX 可实现上下管损耗定向优化,但存在损耗分布不对称问题。

在实际工程应用中,可根据负载功率因数、效率优化目标、散热设计条件等因素选择合适的调制策略,在谐波性能与开关损耗之间实现最优平衡,提升逆变器整体运行性能。未来可进一步结合新型拓扑与智能控制算法,优化不连续调制的谐波抑制能力与工况自适应能力,拓展其在高频、大功率、高精度电能变换领域的应用范围。

📚第二部分——运行结果

编辑

编辑

编辑

🎉第三部分——参考文献

文章中一些内容引自网络,会注明出处或引用为参考文献,难免有未尽之处,如有不妥,请随时联系删除。(文章内容仅供参考,具体效果以运行结果为准)

🌈第四部分——本文完整资源下载

资料获取,更多粉丝福利,MATLAB|Simulink|Python|数据|文档等完整资源获取

编辑

公众号后台回复:程序下载