
“用对了流程图,原来工作可以这么轻松。"HR蕾蕾神采奕奕的说到。
诚然,流程图设计的好,各个部门各个环节紧密配合,工作起来事半功倍;流程图设计的不好,所有员工熬夜加班无产出,工作起来事倍功半。流程图到底有多重要?
对于HR来说:更好树立全局观,制定合理的人才计划与人力管理工作。
对于部门来说:帮助管理者了解实际工作,消除工作过程中多余环节。
对于老板来说:可作为诊断工具,辅助决策制定,及时提出改进方向。
每一张逻辑清晰,结构清楚的流程图,都是经过许多企业、各个部门常年试错,不断优化调整最终得出来的。站在前人的肩膀上,你会走更远!
小编已经给大家整理了《全套公司管理流程图》企业的实际案例模板,参考性高,修改即可使用,赶紧一起来看看资料部分展示吧!





人力资源管理流程图
企业运作健康与否90%取决于人力资源部门,将人事工作中一些常规的程序流程化、标准化,才能更好地确保企业各项工作能够顺利执行。18份人力资源制度word模板,15份人力资源工作流程excel,拿来即用!
图
人事管理总流程图

图
员工档案管理流程图

图
员工考勤管理流程图

图
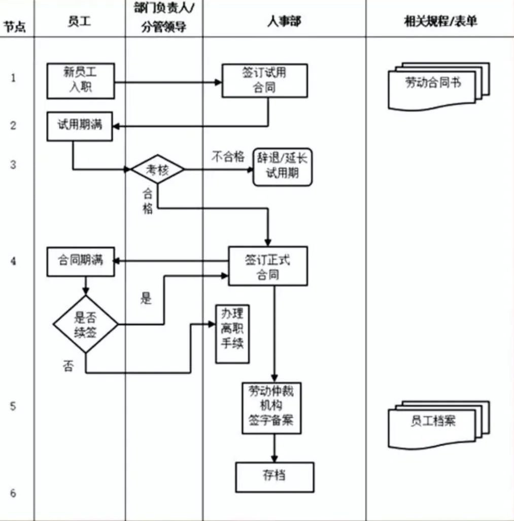
劳动合同管理流程图

图
员工招聘与录用管理流程图

图
绩效管理流程图

图
员工晋升管理流程图

图
新员工入职培训管理流程图

图
员工离职管理流程图

财务管理流程图
财务部各项工作的执行效果直接影响着管理者能否做出正确决策,同时还影响企业其他部门的工作进程。作为企业的核心部门之一,用流程化的观点进行财务管理,让工作更加快速高效。这里有全面的财务管理流程图,是你最给力的参考资料!
图
财务管理流程图

图
财务预算流程图

图
筹资业务管理流程图

图
费用报销管理流程图

图
记账凭证会计流程图

市场管理流程图
图
市场调研工作流程图

图
市场调研方案流程图

图
市场调研问卷流程图

图
市场预测管理流程图

产品研发管理流程
图
产品研发基本流程图

图
产品研发立项与策划流程图

图
产品研发评估流程图

采购管理流程图
图
采购管理总流程图

图
采购合同管理流程图

图
采购申请管理流程图

图
采购退货管理流程图

图
采购询价管理流程图

图
招标采购流程图

生产管理流程图
图
生产管理流程图

图
生产计划管理流程图

图
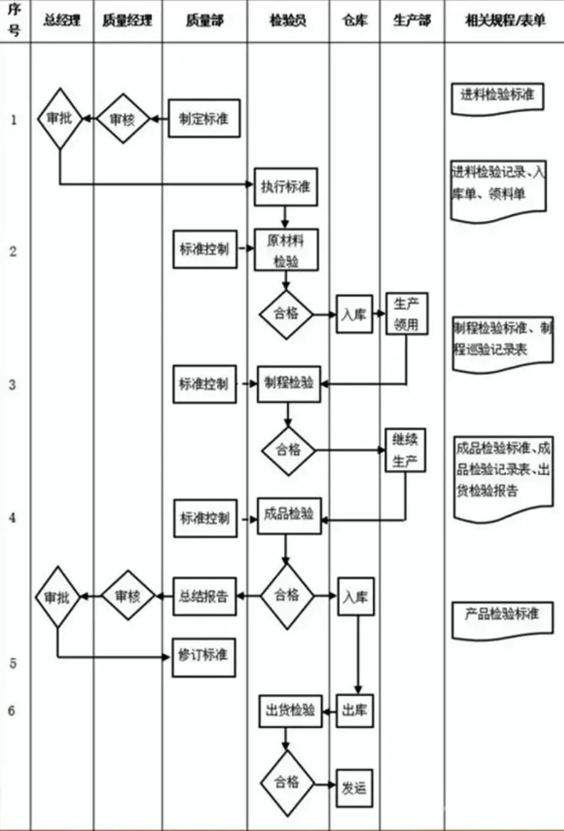
产品检验工作流程图

图
不合格品管理工作流程图

图
安全生产管理流程图

仓储管理流程图
图
仓库管理流程图

图
仓库安全管理流程图

图
非生产企业商品管理流程图

图
物资储位流程图

销售管理流程图
图
销售拜访管理流程图

图
销售回款管理流程图

图
客户开发管理流程图

图
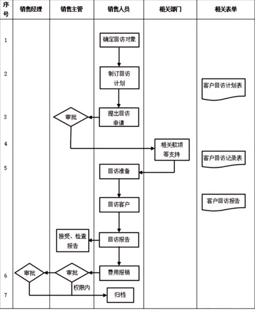
客户回访管理流程图

图
发货工作管理流程图

图
订货工作管理流程图

客服管理流程图
图
客户档案管理流程图

图
客户关系管理流程图

图
客户投诉管理流程图

图
客户信息管理流程图

图
客户信用等级管理流程图

行政管理流程
图
办公用品管理流程图

图
会议管理工作流程图

图
行政办公室发文工作流程图

图
行政办公室收文工作流程图

图
印章使用管理流程图

一图在手,升职加薪我有
心动了?就赶快下载下来吧!
领取方式
长按识别下方二维码
回复“管理”即可获得
《公司管理全套流程资料》

夜雨聆风