【自用分享】【免费分享】笔记本电脑图纸主板原理图电路图PDF电子版全套打包
本期分享内容:
整理了戴尔、惠普、联想、东芝、宏基、华硕、索尼等品牌笔记本电脑的主板图纸和电路图,内容丰富分类清晰,适合参考学习。需要的朋友可以免费获取,完整版打包无套路!
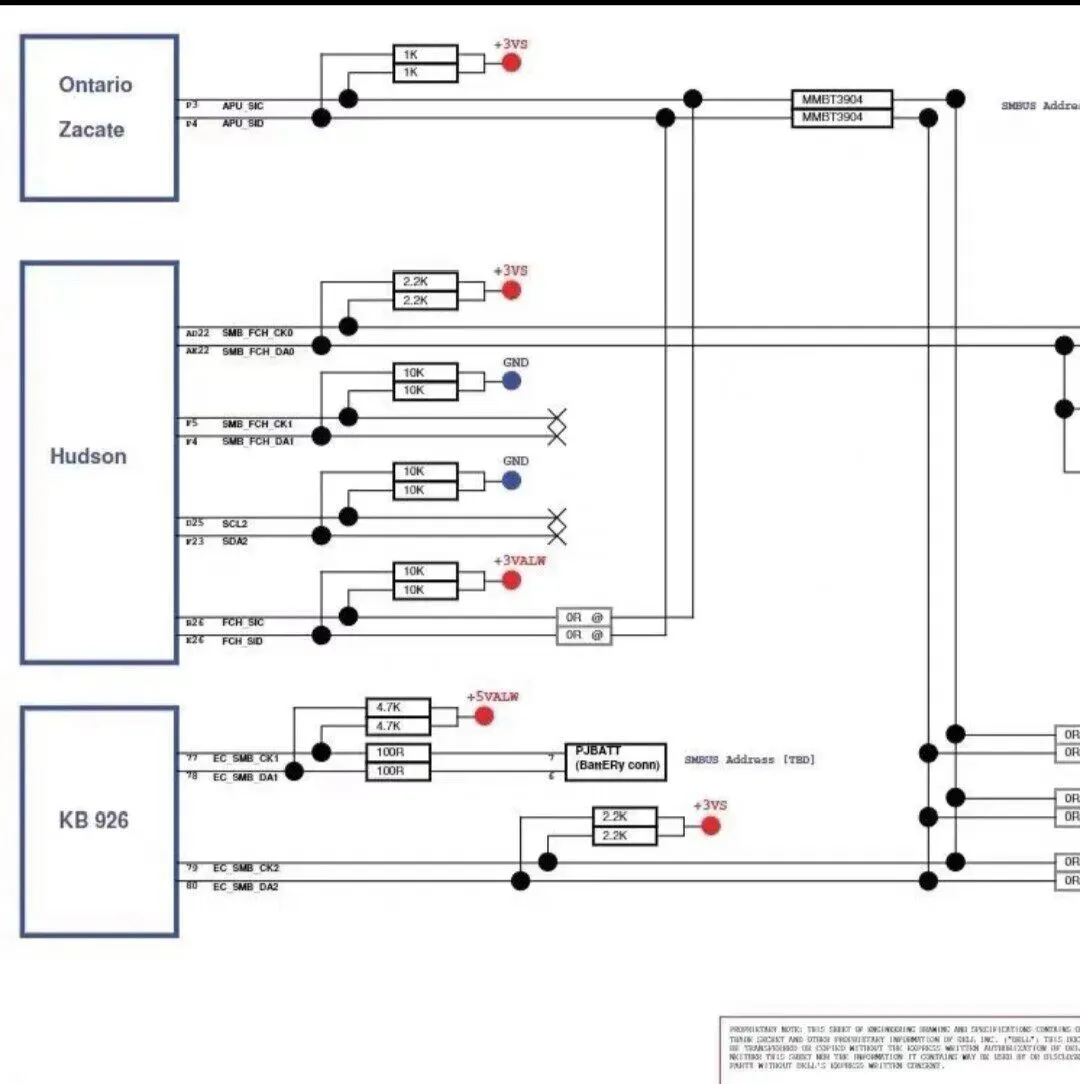
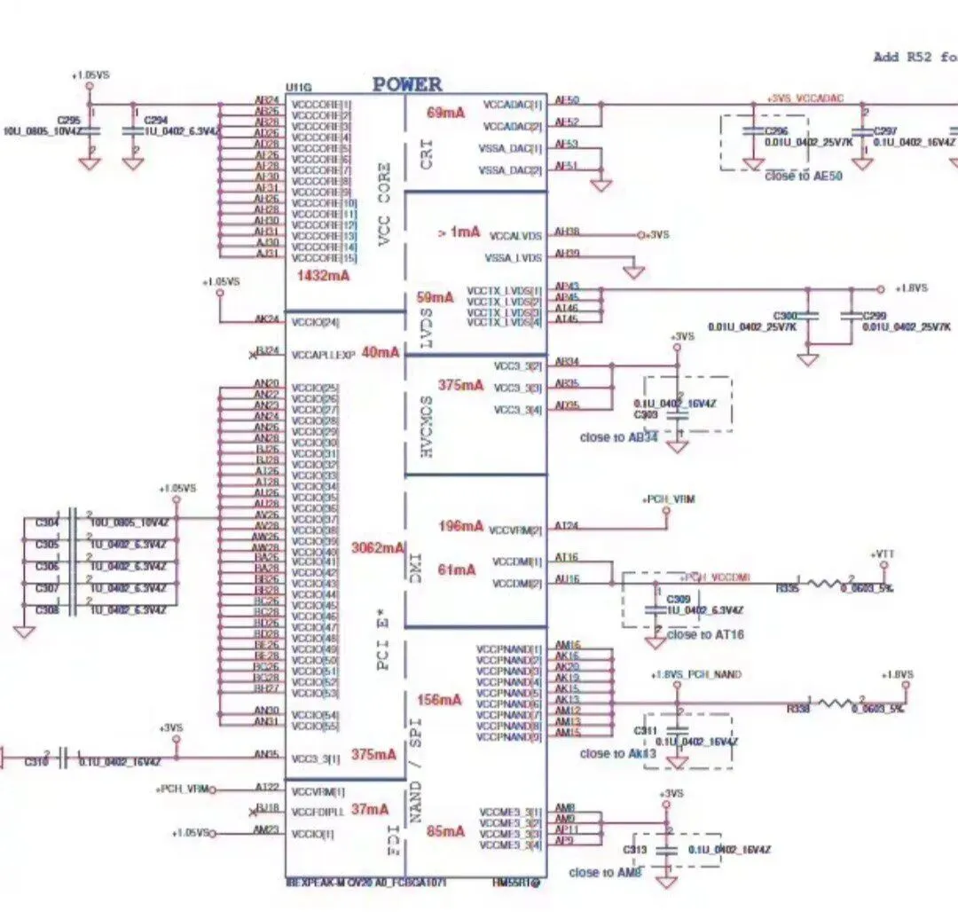
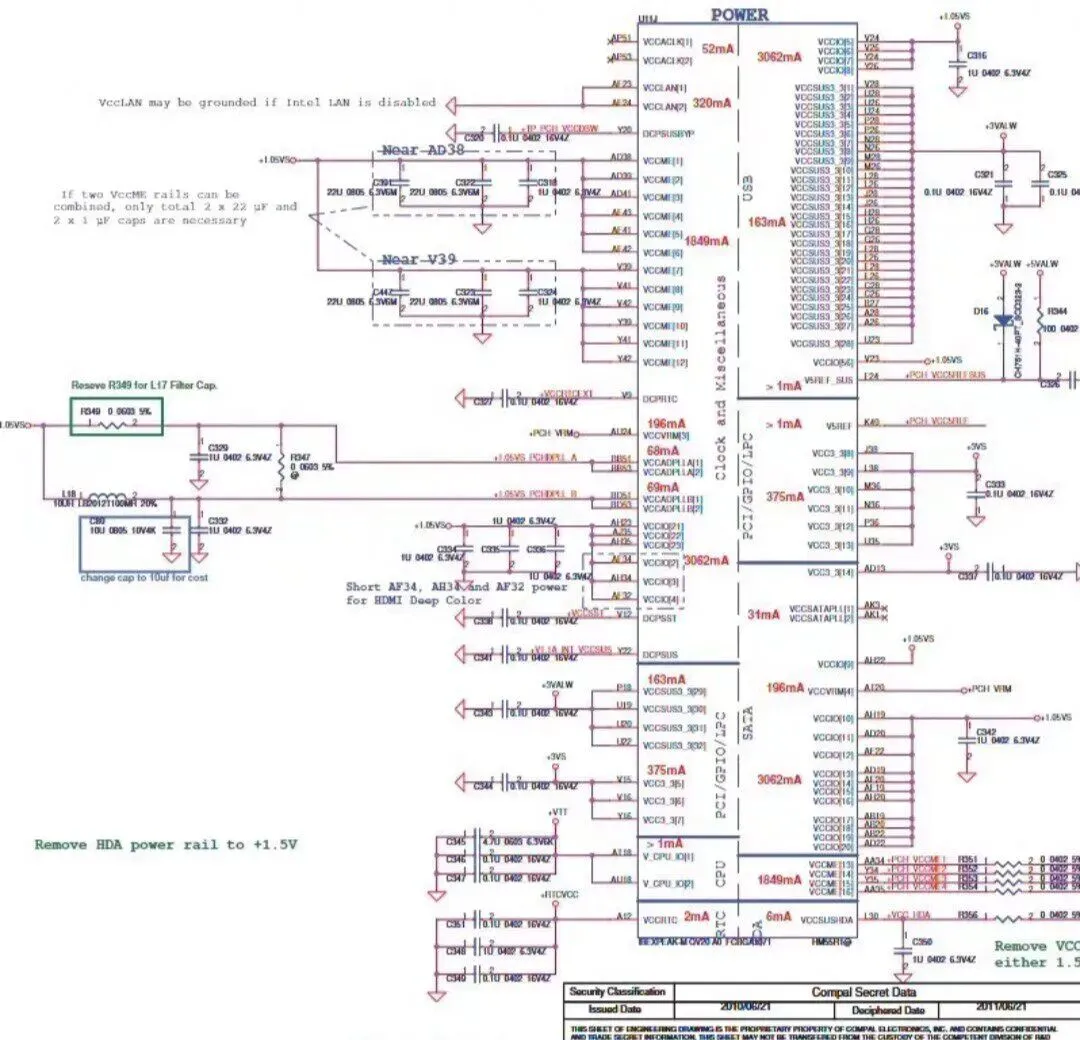
部分内容展示:





获取方式:
复制下方链接,在浏览器里打开即可转存下载:
https://pan.baidu.com/s/1NE_vTfazMd7b2AtNwgYpLg?pwd=ep4d
点击蓝字
关注我们 每天分享不迷路
【自用分享】【免费分享】笔记本电脑图纸主板原理图电路图PDF电子版全套打包
本期分享内容:
整理了戴尔、惠普、联想、东芝、宏基、华硕、索尼等品牌笔记本电脑的主板图纸和电路图,内容丰富分类清晰,适合参考学习。需要的朋友可以免费获取,完整版打包无套路!
部分内容展示:





获取方式:
复制下方链接,在浏览器里打开即可转存下载:
https://pan.baidu.com/s/1NE_vTfazMd7b2AtNwgYpLg?pwd=ep4d
点击蓝字
关注我们 每天分享不迷路