当前,大模型的参数量以千亿级狂飙,“#龙虾 ”与各种#AI智能体 开始接管复杂的业务流,当“智能”的上限不断被刷新,“安全”与“质量”的下限却被忽视成了盲区!行业亟需统一、严谨、可落地的标准体系。

近日,由中国移动通信联合会发布、国芯韵(上海)智能信息科技有限公司与湖南国芯韵智能信息科技有限公司深度参与编制的两项团体标准《T/ZGCMCA 007—2025 人工智能大模型训练数据质量分级及评估方法》、《T/ZGCMCA 023—2025 人工智能智能体内生安全技术要求》正式发布实施。


正式
实施

作为AI产业关键基础标准,两项文件聚焦真实痛点,为行业明确质量基线、划定安全红线、建立评估体系,为人工智能#规模化 、#规范化 、#安全化应用 提供重要支撑。这不仅是行业规范化进程的里程碑,更是对当前人工智能应用深水区痛点的精准靶向治疗。
01
数据质量立标
告别“唯规模论”,守住AI训练安全底线

大模型能力的根基是高质量、合规、安全的训练数据,尤其是在政务、金融、能源、特种装备等高敏感场景中,数据一旦存在合规漏洞、偏见失衡、隐私泄露、来源失范风险,将直接导致模型决策偏差、安全事故与合规隐患。
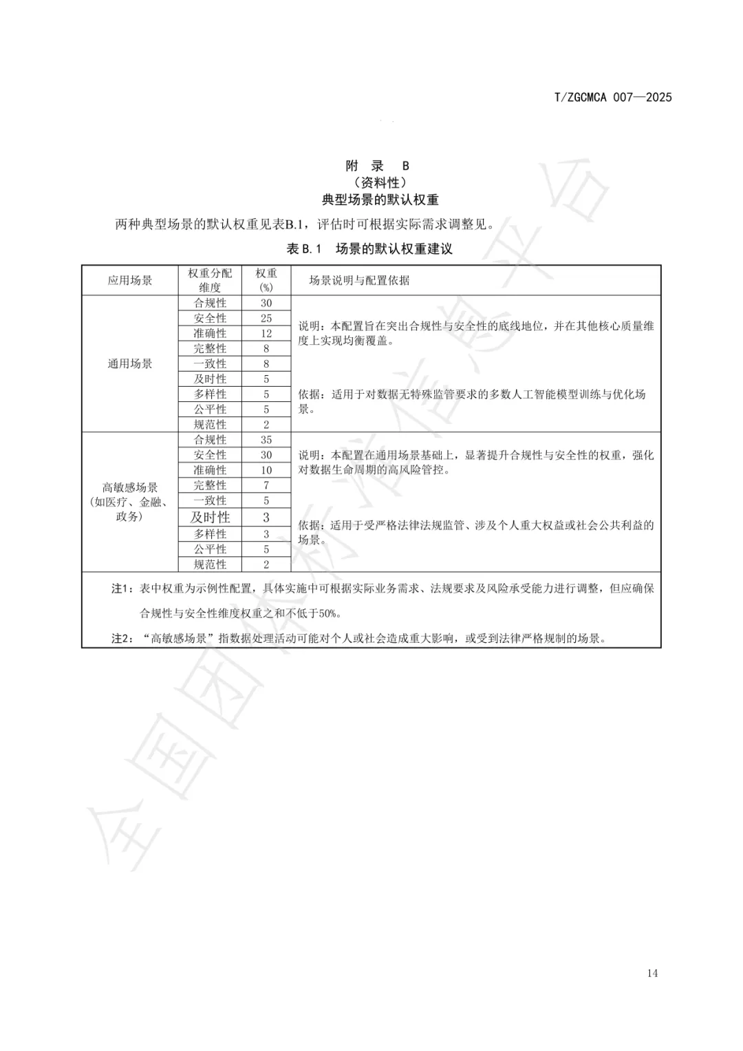
T/ZGCMCA 007—2025 围绕合规性、安全性、准确性、完整性、一致性、及时性、多样性、公平性、规范性 九大维度建立数据质量全链路评估体系,推动行业从“拼数据体量”转向“拼数据质量”,为模型训练提供了可量化、可审计、可追溯的实施依据。



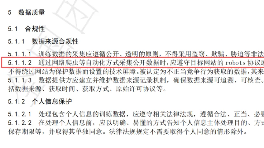
· 确立“合规性一票否决机制”,合规维度不达标(低于预设阈值,如60分),则整体判定不合格,从源头杜绝非法采集、违规使用;
· 明确数据来源、个人信息保护、知识产权等合规要求,规范爬虫采集需遵守 Robots 协议;
· 建立五级质量分级模型,针对高敏感场景强化合规与安全权重,让数据 “可用、可信、可控”;
· 引入偏见审计、隐私合规审计、对抗样本测试,提升模型公平性与鲁棒性。

T/ZGCMCA 007—2025的落地,意味着那些依靠“非法爬取、野蛮清洗”构建数据护城河的厂商将面临巨大的合规壁垒,只有注重数据血缘、合法合规的企业才能在这场行业“洗牌”中生存下来。
训练数据的质量直接决定了模型的认知边界,特别是在关键基础设施、政务决策、工业控制等高敏感场景中,依据标准进行数据分级评估,将成为采购方的必选项。
02
内生安全立规
打破“黑盒调用”隐患,夯实智能体落地根基

随着AI智能体从被动响应走向自主感知、记忆、规划、执行、协同,其在无人系统、特种装备、工业自动化等场景的应用日益深入,传统“外挂加固”式安全防护难以应对记忆污染、提示注入、恶意调用等新型风险,架构级内生安全成为刚需。
T/ZGCMCA 023—2025直击当前智能体的脆弱点,构建”通用安全+核心能力安全“双层框架,全面规范智能体安全能力,让智能体从“可用”走向“可靠”,为无人装备、车载舰载、智慧人防、工业智能制造等强安全需求场景提供安全准入标尺。

· 通用安全:明确身份标识、数据安全、权限访问控制、异常处理等基础要求;
· 核心能力安全:覆盖感知安全、记忆安全、规划安全、工具安全、行为安全、通信安全六大模块;
· 要求智能体具备抗对抗攻击、防记忆漂移、行为可管控、通信加密传输等硬能力,输出内容不得包含GB/T45654-2025中规定的31种安全风险类型;
· 支持异常人工接管、状态回滚、降低服务级别,保障关键场景运行稳定可靠。

T/ZGCMCA 023—2025的实施,标志着市面上那些仅仅是对大模型套了一层工具调用壳的智能体产品将面临极大的考验。它直接拉开了“玩具级智能体”与“工业级智能体”的差距,真正具备内生安全架构的产品将脱颖而出!
03
国芯韵的底气
从“规则制定者”到“底层赋能者”
本次参编两项团体标准,绝非挂名,是#国芯韵 技术能力与行业责任的体现。作为国内领先的高可靠边缘智能计算专家,国芯韵长期深耕高可靠边缘硬件、异构算力调度、数据安全处理等关键技术,服务特种装备、高端工业控制等对安全与合规要求严苛的场景。从参与软件化雷达体系架构规范,到如今深入AI大模型数据质量与智能体内生安全标准,国芯韵深知:安全的智能体不能仅靠上层算法的修补,必须从硬件底座、中间件调度到数据流转进行全链路内生设计。
这也正是国芯韵参编标准的最大价值所在!我们将标准中严苛的安全要求(如数据防篡改、权限动态控制、记忆安全隔离),直接内化为自身边缘异构智能处理设备、ROSA标准通信计算中间件以及轻量化AI推理模型的底层架构设计准则。
我们坚信:AI 产业的长远价值,建立在规范、安全、可信的底座之上。
结 语
从技术创新到规范发展,是人工智能产业成熟的必然路径。标准已立,号角已响。#国芯韵 诚邀生态伙伴,在合规、安全的准绳下,携手为 #特种装备、#无人设备、#智慧人防 等关键行业的数字化转型提供更安全、更规范、更可靠的算力底座与智能解决方案,共筑人工智能高质量发展的坚实屏障。
END
推荐阅读/ More Reading
国芯韵携手飞腾9款“场景定制级”神器亮相长沙,严苛环境选型难题全破解
求点赞

求分享

求喜欢


夜雨聆风