INT J CIRC THEOR APP 大理大学 蒋建波 | 基于变压器均衡与聚类算法的退役动力电池大规模集成系统

基于变压器均衡与聚类算法的退役动力电池大规模集成系统
Large-Scale Integration System for Retired Power Batteries Based on Transformer Balancing and Clustering Algorithms
扫描二维码阅读原文

https://doi.org/10.1002/cta.70446

文献速读
随着电动汽车行业的蓬勃发展,退役动力电池的数量急剧增长,通过梯次利用可充分挖掘其剩余价值,以缓解环境治理的压力。然而,退役动力电池的不一致性显著,是制约其梯次利用的关键瓶颈。本文提出一种级联H桥(CHB)逆变器、变压器型均衡电路和四有源桥(QAB)变换器相结合的模块化拓扑,以及基于K均值聚类算法的电池组SOC均衡技术,以实现退役动力电池的大规模集成,并提升集成系统的可靠性。

正文导读
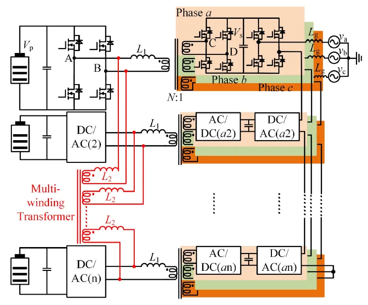
所提出拓扑利用QAB作为前级变换器,实现输入独立,满足退役动力电池的分割管理需求;QAB输入端口的功率可以平均分配至三个输出端口,从拓扑层面解决CHB的相间功率不均衡问题;此外,由于QAB的三个输出端口所连接的H桥逆变器单元分别分配至CHB的三相桥臂中,其高频变压器还可实现CHB的H桥逆变器单元直流侧的两倍频功率解耦,避免了大体积电解电容的使用。
CHB则作为后级并网端口,有效提升集成系统的容量和电压等级,可并入中高压交流电网,参与电网调频,有助于提升新能源消纳率。
利用多绕组变压器,并复用QAB的输入端口逆变器,可构成变压器型均衡电路,其本质上是一个多有源桥(MAB)变换器。复用QAB端口逆变器可有效降低拓扑复杂度与成本;针对退役动力电池的不一致性问题,需要根据各电池组的实时SOC差异化各电池组的充放电功率,这会造成CHB的相内功率不均,利用MAB实现各子模块间的能量交互,以解决上述问题;聚类算法的应用,可显著降低MAB的控制复杂度,提升整个系统的可靠性。

图1 所提出的拓扑结构
针对该集成系统设计的控制策略,包括上层控制和本地控制。上层控制根据电网功率需求生成电池组充/放电的电流参考值,并根据各电池组实时SOC生成差异化的电流参考值,实现SOC均衡。本地控制则包括QAB的单移相控制、CHB的电压-电流双闭环控制和CHB的相内电压均衡控制,其中CHB的相内电压均衡控制由MAB实现,通过聚类算法的应用以降低控制复杂度。

图2 控制策略框图


图3 电池组充电和放电时的SOC均衡效果
本文所提方案为储能系统的大规模、高可靠性集成提供了一种新的思路,该方案的推广将带来显著的社会效益与经济效益。社会效益层面,它能大幅减少退役电池随意丢弃带来的重金属、电解液污染,降低土壤、水源等生态环境破坏风险;同时延长电池生命周期,减少新电池生产对锂、钴等稀有金属资源的开采依赖,助力资源循环利用,契合双碳目标下的绿色发展要求,还能通过储能应用提升风电、光伏等可再生能源的消纳效率,推动能源结构转型。经济效益上,梯次利用电池成本仅为新电池的30%-50%,可广泛应用于储能、通信基站备用电源、低速电动车等场景,为相关行业降低运营成本;企业布局梯次利用业务能延伸产业链,开辟新利润增长点,还能带动电池检测、重组、储能系统集成等配套产业发展,创造就业岗位。此外,规范的梯次利用体系能提升企业环保形象,增强用户粘性,在政策支持与市场需求驱动下,产业规模持续扩大,经济价值不断凸显。

作者简介
蒋建波,大理大学,博士,副教授,云南省“兴滇英才”青年人才入选者。长期从事多分布式能源模块化集成系统拓扑与控制、电力电子变换器效率优化技术、分布式储能电池管理技术、新能源出力与线路负荷功率预测技术等方面的研究。
马营,大理大学,硕士,主要研究方向为多分布式能源集成与控制,分布式储能系统与调控技术等。
邹林,大理州节能监察中心,高级工程师,主要从事电气工程、工业自动化等方面研究。
郭佳雪,大理大学,硕士,主要研究方向为电压暂降分析、故障定位、电力电子化配电系统的电能质量分析等。
杨宇栋,大理大学,硕士,主要研究方向为储能功率变换系统、分布式新能源集成与控制技术等。
赵恩铭,大理大学,博士,教授,副院长,云南省中青年学术和技术带头人。长期从事生态环境信息化、机器视觉技术以及信息传输与智能处理技术等方面的研究。
International Journal of
Circuit Theory and Applications
期刊简介

International Journal of Circuit Theory and Applications创刊于1973年,月刊,由Wiley出版。期刊致力于刊发有关电路理论及其应用的原创文章。该期刊为研究人员搭建了一个交流平台,鼓励结合理论与实验工作,探索未知领域,揭示新兴工程挑战。期刊内容多元,涵盖了原创论文、简短报告、深度综述及通信信件等多种形式。我们诚挚邀请投稿,主题包括但不限于基础电路理论及其数学与计算层面、电子器件的电路建模、以及电路的合成与设计等。
2024 CiteScore:3.8
2024 JCI:0.39
2024 IF:1.6
期刊主页

https://onlinelibrary.wiley.com/journal/1097007x
声明:本文由作者受邀供稿。欢迎转发至朋友圈,如需转载,请在公众号内给我们留言。
我们认为影响因子并不是衡量一本期刊成功与否的唯一标准,我们正在改进衡量和提升 Wiley 期刊影响力和作者科研成果影响力的方式。在未来,我们将采用更广泛的基于期刊和基于文章的评价指标,以提供更丰富的形式来展示期刊表现。

喜欢请不要忘记点赞+分享+在看

夜雨聆风