✨ 每天为您精选优质内容 ✨
📄 今日推荐
精选10款采购与作业管理类高质量Word模板,规范办公流程,提升工作效率,建议收藏!
━━━━━━━━━━
1 重要材料购买记录卡模板

这是一份重要材料购买记录卡模板,包含卡号、物料信息、采购日期、供应商、采购数量等核心字段,可用于规范材料采购记录管理。
2 重要作业时间分析记录表

这是一份重要作业时间分析记录模板,涵盖多部门多产品作业时间统计,包含开始结束时间、总时长、快慢差异等核心数据统计项,助力作业效率分析。
3 重要作业时间分析记录表

这是一份重要作业时间分析记录表,涵盖产品、部门、作业人员、机器等信息,可记录作业起止时间、工作时长,还能统计总时长、平均时长等数据,助力作业效率分析。
4 采购金额授权表

本采购金额授权表明确各职别(部长主任、经理厂长、采购人员等)的采购授权金额,规范采购审批权限,助力企业采购流程管控。
5 采购部日报表模板 空白版

这是一份空白的采购部日报表模板,涵盖订购、进货、付款等采购核心事项,还包含同业动向、联络事项等板块,适用于企业采购日常工作记录与管理。
6 采购管理月报表模板

提供标准采购管理月报表模板,涵盖请购、预定、实际采购等核心信息栏,助力企业规范采购数据统计与管理。
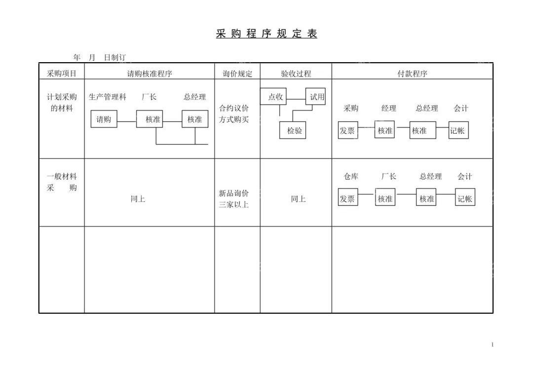
7 企业采购程序全流程规定

本规定明确了计划采购材料、一般材料的请购核准、询价、验收及付款全流程,涵盖不同采购类型的审批权限与操作要求,规范企业采购管理。
8 企业采购程序规定明细

本规定表明确了计划材料、合约议价、一般材料等不同采购类型的请购核准、询价、验收及付款全流程,规范企业采购各环节操作。
9 企业采购制度:程序与权限表

这份文档为企业采购制度核心内容,包含采购类别、申请人、准购权限、价款核准权限等关键采购流程规范,助力企业明确采购权责。
10 采购程序及准购权限规范

本文件明确采购类别、申请人、管理单位、准购权限、价款核准权限等采购全流程规范,为企业采购管理提供清晰权限指引。
━━━━━━━━━━
🌟 加关注获取每日资源推荐
畅榴云平台为你提供海量素材每日更新各类精选资源推荐让创作更高效,让灵感不间断
💡 温馨提示
更多精彩内容,欢迎关注我们觉得有用请点个「在看」支持一下吧~
夜雨聆风