| 加入2026《市政路桥实战参考》会员 |
| 2025《市政路桥实战参考》会员资料 |

三、课题选择
3.1选题理由
1、本工程1#楼、2#楼、6#楼结构单体存在超高、超限、超跨结构,模板支撑架最大搭设高度12.45m,最小搭设高度6.0m,最大梁截面650mm×1450mm,结构最大跨度18m。根据住建部第37号令、甬建发〔2017〕17号文、海住建[2019] 161号文,本工程1#楼、2#楼、6#楼地上结构模板支撑架按上述文件要求均禁止采用普通钢管扣件式模板支撑架,本工程1#、2#、6#楼模板支撑体系选择承插型盘扣式模板支撑体系。若采用传统钢管扣件式模板支撑架搭设体系搭设盘扣式模板支撑架,无法将盘扣式模板支撑架的材料性能优势最大化。
2、支模架材料使用量巨大
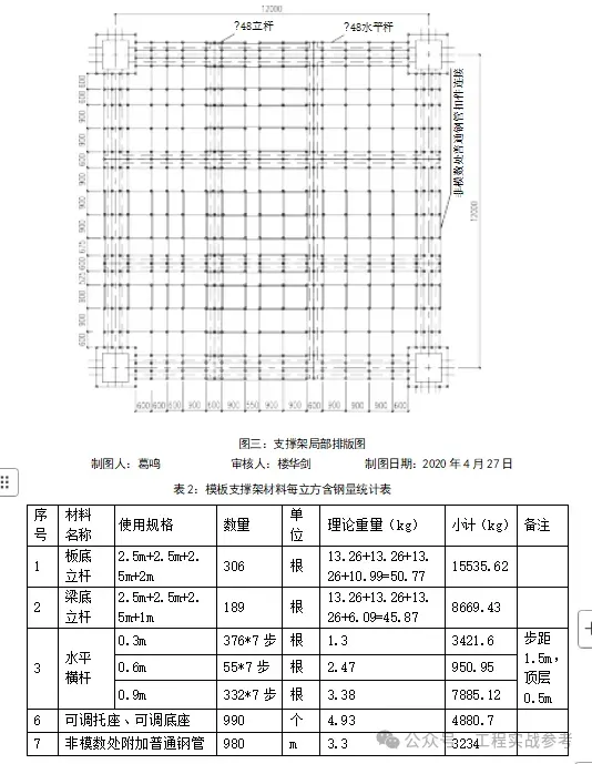
本工程1#、2#楼单层建筑面积达到 8000㎡左右,首层模板支撑架搭设高度达到10m(局部 12.45m),二层、三层模板支撑架搭设高度达到6m、6.05m,单层支模架将近80000m3,本项目于2020年4月15日进行高大支模架专项施工方案论证并通过,按论证通过方案,本项目首层模板支撑架每立方含钢量将达到32.78kg/m3,首层整体支模架用钢量将达到约12700吨。高大支模架搭设材料的租赁费用将极高。2020年4月15日论证通过施工方案,立杆间距最大900*900mm,梁底增设立杆模板。









。。。。。。
内容过多,以下略
资料下载方式
点下面关注微信公众号:

夜雨聆风