INT J CIRC THEOR APP 哈尔滨工程大学 尚浩等 | 无线电能传输系统中基于负能量反馈的失谐校正策略综合分析

无线电能传输系统中基于负能量反馈的失谐校正策略综合分析
Comprehensive Analysis of Negative Energy Feedback–Based Mistuning Correction Strategy in Wireless Power Transfer Systems
扫描二维码阅读原文

https://doi.org/10.1002/cta.70358

文献速读
阻抗失配是无线电能传输(WPT)系统在动态环境中功率传输能力下降的关键问题。本文系统分析了一种基于负能量反馈的自主失谐校正策略,通过附加简单电路,将失谐状态产生的无功功率转换回有功功率,从而无需任何检测或控制电路即可维持系统谐振。该策略实现了谐振频率、参数与状态的完全解耦,在负载突变、线圈错位等干扰下仍能快速收敛至稳态,显著提升了WPT系统在恶劣环境中的鲁棒性与可靠性。

正文导读
阻抗失配是无线电能传输系统在深海等恶劣环境中长期可靠运行面临的主要挑战。在充电过程中,由谐振参数漂移和线圈错位等因素引起的随机阻抗波动会显著降低系统的功率传输能力。传统的解决方案,如频率跟踪和补偿参数调节,往往需要复杂的辅助检测与控制电路,增加了系统的复杂性和成本。
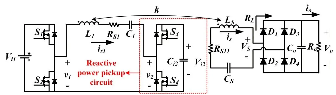
本文深入分析了一种基于负能量反馈的失谐校正策略。该策略的核心在于,利用一个由两个开关和一个储能电容构成的简单附加电路(图1),将失谐状态下产生的无功功率捕捉并转换回有功功率,从而实现自主的失谐校正。与现有技术相比,此方法最大的优势在于实现了谐振频率、谐振参数与谐振状态之间的完全解耦,无需任何辅助检测或控制电路即可工作。

图1 具备能量反馈特性的WPT拓扑结构
文章首先阐述了WPT系统在失谐状态下的能量构成,并详细推导了负能量反馈的逻辑原理,如图2。研究表明,通过精确设计附加开关的相位,可以捕获与电源电压相位差90度的无功电流分量,并将其能量存储起来。随后,这些能量被重新注入谐振网络,产生一个与系统有功电流同相的新电流分量,从而将无功功率转化为有功功率,使系统恢复谐振状态。

图2 使用负能量反馈进行失谐校正的逻辑流程图
文中进一步通过模态分析和迭代计算,从理论上证明了该反馈过程的收敛性,并分析了储能电容值对收敛速度的影响。实验部分构建了一台50W的原理样机,在纵向错位3-6厘米、横向错位达8厘米、角度错位达45°的严苛条件下进行了验证。结果表明,系统能够在负载突变后数毫秒内重新收敛至谐振状态,并在耦合强度连续波动时实时维持谐振,输出功率曲线平滑单调,峰值效率可达91.2%,如图3。与典型的SS-WPT拓扑对比实验证实,该方法在不牺牲效率的前提下,显著提升了系统在阻抗扰动下的功率传输能力和稳定性。
这项研究为WPT系统,特别是在动态、不确定环境下的应用,提供了一种高鲁棒性、低成本且无需复杂控制的失谐校正新方案。

图3 WPT系统的关键结果:(a) 功率-电压曲线, (b) 效率曲线

作者简介
尚浩,哈尔滨工程大学,硕士生。研究方向:无线电能传输技术,专注于磁耦合式和电场耦合式无线电能传输系统的拓扑设计与建模。
石泽奇,哈尔滨工程大学,博士生。研究方向:水下多负载无线电能传输技术。
郭栋,哈尔滨工程大学,讲师。研究方向:无线电能传输技术,含自主谐振、状态辨识、功率瞬时补偿等方向。
史文涛,哈尔滨工程大学,博士生。研究方向:无线电能传输技术。
李聃,哈尔滨工程大学,教授。研究方向:无线电能传输技术,含电磁场的仿真和分析、谐振系统网络的设计、能量和信号的同步传输设计、系统的可靠性设计、电磁屏蔽与电磁兼容设计等。
程冰,哈尔滨工程大学,讲师。研究方向:无线电能传输技术。
International Journal of
Circuit Theory and Applications
期刊简介

International Journal of Circuit Theory and Applications 创刊于1973年,月刊,由Wiley出版。期刊致力于刊发有关电路理论及其应用的原创文章。该期刊为研究人员搭建了一个交流平台,鼓励结合理论与实验工作,探索未知领域,揭示新兴工程挑战。期刊内容多元,涵盖了原创论文、简短报告、深度综述及通信信件等多种形式。我们诚挚邀请投稿,主题包括但不限于基础电路理论及其数学与计算层面、电子器件的电路建模、以及电路的合成与设计等。
2024 CiteScore:3.8
2024 JCI:0.39
2024 IF:1.6
期刊主页
https://onlinelibrary.wiley.com/journal/1097007x
声明:本文由作者受邀供稿。欢迎转发至朋友圈,如需转载,请在公众号内给我们留言。
我们认为影响因子并不是衡量一本期刊成功与否的唯一标准,我们正在改进衡量和提升 Wiley 期刊影响力和作者科研成果影响力的方式。在未来,我们将采用更广泛的基于期刊和基于文章的评价指标,以提供更丰富的形式来展示期刊表现。

喜欢请不要忘记点赞+分享+在看

夜雨聆风