(ELS04)电梯规格表参数说明HGE-Ⅲ、HGP-S、HGE-S、HGP

ELS04主板规格表参数说明
HGE-Ⅲ、HGP-S、HGE-S、HGP(ELS04)电梯所用的规格表参数 ROM 地址的范围为 70010-7DFFF。
1、 参数说明中代号说明
➤ “K**”表示其对应数据寄存器的数据是以十进制方式表示,具体数值根据不同的设定而不同;
➤ “H**”表示其对应数据寄存器的数据是以十六进制方式表示,具体数值根据不同的设定而不同;
➤ “有功能”是指电梯具有某特定功能时数据寄存器的设定值;
➤ “无功能”是指电梯不设定某特定功能时数据寄存器的设定值;
➤ “——”是指设定数据寄存器参数时不需要考虑电梯是否具有某特定功能;
2、 备注说明
➤ “暂未使用”表示该变量在程序中未使用,该变量在程序中无意义;
➤ “未使用”表示该变量在程序中有使用,但是其功能未体现,属可扩展功能用;
3、 计算公式中符号说明
➤ I 为曳引吊挂比,设定为 2;
➤ R 为减速比,设定为 1;
➤ D 为绳轮直径(mm),梯速在 105m/min 及以上(包括 105m/min)设定为 400mm;120m/min 的 设定为400mm;150m/min 的,载重为 1050kg 的设定为 480mm,其他设定为 420mm;
➤ N 为旋转编码器脉冲数,设定为 2048(SIN/COS 编码器);
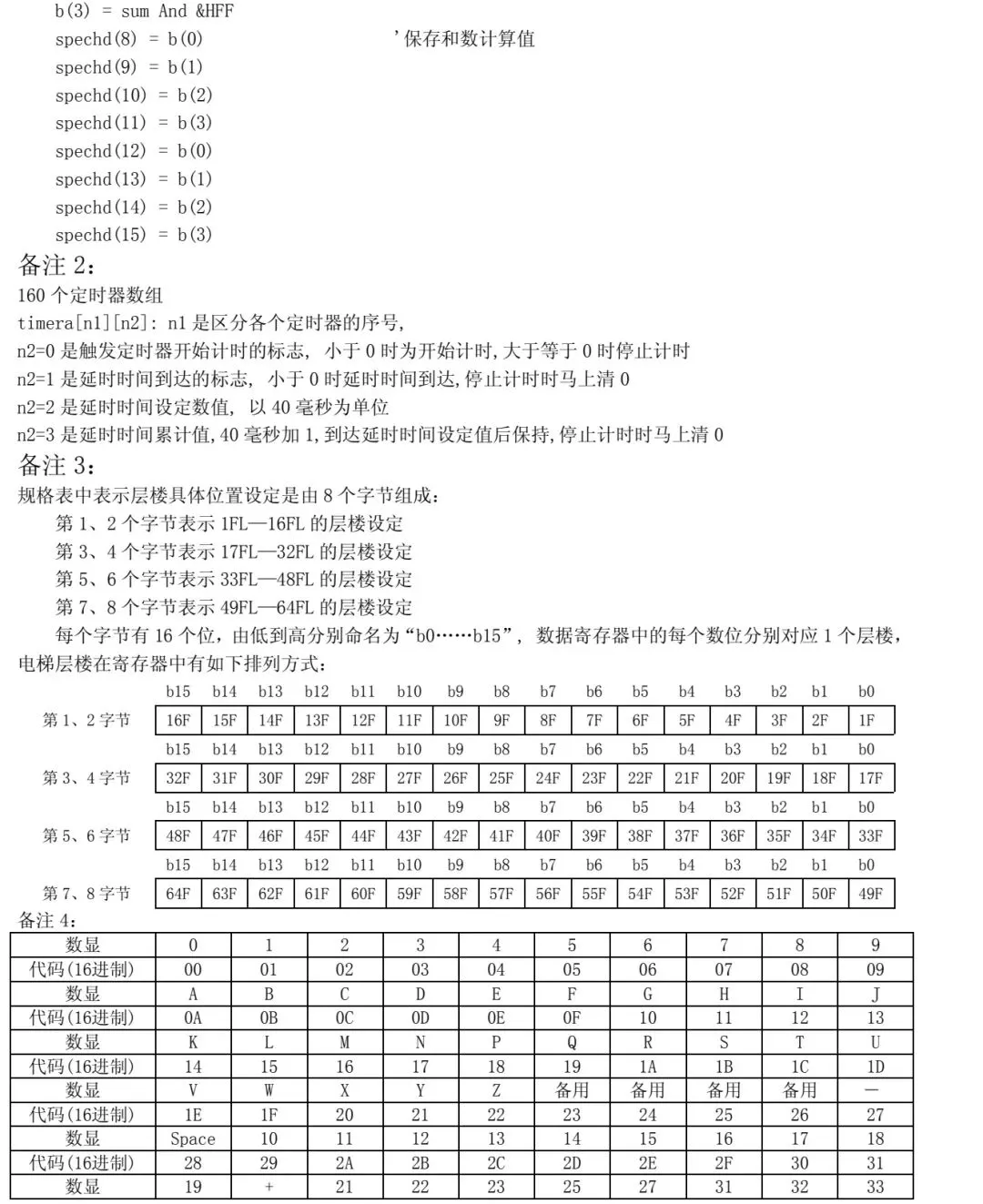
4、 参数所对应的 ROM、RAM 地址均为该变量的起始地址,地址中数据按字节由高到低依次存放;
本规格表说明用于指引 HGE-Ⅲ、HGP-S、HGE-S、HGP(ELS04)电梯 R0001201 版程序,其它版本程序仅作参考;






























电气系统端口资源指引
本表用来指引HGE-Ⅲ,HGP-S,HGE-S电气系统端口资源方面的使用情况,便于设计人员及工程人员在工作中使用。
电气系统端口资源分配状态信息




















点击上面⤴名片关注我,将持续更新优质内容!
夜雨聆风