
01
风管制作安装
风管变径管单面变径的夹角不宜大于30°,双面变径的夹角不宜大于60°,圆形风管支管与总管的夹角不宜大于60°。


矩形风管弯管宜采用曲率半径为一个平面边长,内外同心弧的形式。当采用其他形式的弯管,且平面边长大于500mm时,应设弯管导流片。


微压、低压与中压系统风管法兰的螺栓及铆钉孔的孔距不得大于150mm;高压系统风管不得大于100mm。矩形风管法兰的四角部位应设有螺孔。




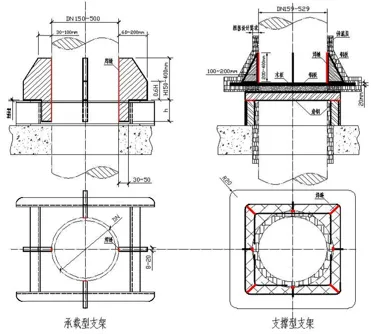
悬吊的水平主、干风管直线长度大于20m时,应设置防晃支架或防止摆动的固定点。


不锈钢板、铝板风管与碳素钢支架的接触处,应采取隔绝或防腐绝缘措施。
边长(直径)大于1250mm的弯头、三通等部位应设置单独的支、吊架。



02
静压设备安装


03
风阀安装


《 通风与空调工程施工质量验收规范》GB50243-2016
1.风阀应安装在便于操作及检修的部位。安装后,手动或电动操作装置应灵活可靠,阀板关闭应严密。
2.直径或长边尺寸大于或等于630mm的防火阀,应设独立支、吊架

04
套管安装
当风管穿过需要封闭的防火、防爆的墙体或楼板时,必须设置厚度不小于1.6mm的钢制防护套管;风管与防护套管之间应采用不燃柔性材料封堵严密。



正压风管加固方式

负压风管加固方式



05
软连接安装



06
风机安装
通风机安装应水平、端正、牢固。安装位置不得妨碍通风机的进风或者气体排出。同规格通风机成排安装应整齐划一、高度一致。
屋面风机出口应加45°弯头,弯头咬口应顺水流方向。圆风管制作不应出现十字接口。


通风机隔振装置设置合理、有效,运行平稳。
露天安装的设备电机、风阀执行机构等应采取可靠的防雨雪措施。
通风机传动装置的外露部分以及直通大气的进、出口,必须装设防护罩(网)或其他安全设施。


07
保温安装

风管保温钉分布应均匀,保温钉的长度和数量符合规范的规定(底面每平方米不应少于16个,侧面每平方米不应少于10个,顶面每平方米不应少于8个;首行保温钉距绝热材料边沿应小于120mm)。风管的圆弧转角段或几何形状急剧变化的部位,保温钉的布置应适当加密。


08
风口安装
风口不宜直接安装在风管上,应在风管上安装一节短管,然后安装风口。


09
软连接安装
管道穿越结构变形缝处应设置金属柔性短管,金属柔性短管长度宜为150mm-300mm,并满足结构变形的要求。

10
水管安装
冷(热)水管道与支、吊架之间,应设置衬垫。衬垫的承压强度应满足管道全重,且应采用不燃与难燃硬质绝热材料或经防腐处理的木衬垫。衬垫的厚度不应小于绝热层厚度,宽度应大于等于支、吊架支承面的宽度。衬垫的表面应平整、上下两衬垫接合面的空隙应填实。


水泵吸入管变径时,应做偏心变径管,管顶上平;






11
支架制作安装



12
保温安装
橡塑绝热材料的施工应符合下列规定:
1 黏结材料应与橡塑材料相适用,无溶蚀被黏结材料的现象。
2 绝热层的纵、横向接缝应错开,缝间不应有孔隙,与管道表面应贴合紧密,不应有气泡。
3 矩形风管绝热层的纵向接缝宜处于管道上部。
4 多重绝热层施工时,层间的拼接缝应错开。


13
冷却塔安装
基础的位置、标高应符合设计要求,允许误差应为±20mm,进风侧距建筑物应大于1lm。冷却塔部件与基座的连接应采用镀锌或不锈钢螺栓,固定应牢固。
多台冷却塔安装时,排列应整齐,各台开式冷却塔的水面高度应一致,高度偏差值不应大于30mm。

14
冷凝水管
空调冷凝水管坡向正确,坡度均匀,宜≥8‰冷凝水排水畅通。冷凝水管不可直接接入排水管道。

机组下部冷凝水排放管应引至指定的泄放地点(如:地漏),并设有水封,水封高度符合产品技术文件要求(一般应为10mm,根据厂家要求安装)。


阅读原文,5分钟搭建5T机电技术精品资料库
夜雨聆风