

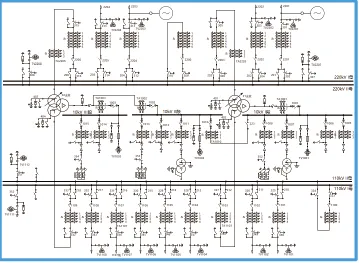
01 软件功能
变电站虚拟场景、测控操作面板、对应主线路和各类二次系统接线构成系统主要应用 提供丰富元器件库和场景对象编辑、电路编辑和导入导出工具,进行系统布置接线的个性化修改制作 运行中可动态设置元器件参数和整定值,通过面板操控监测变电站系统运行,在虚拟场景中漫游查看变电站格局布置 提供故障设置、信息关注点设置工具,运行中动态触发各种线路或设备故障,通过测控面板和信息窗口即时表现动态信息 自动评判规则编辑工具实现对学生实验内容的自主调试和自动评价 提供原型应用案例,便于用户参考和使用 支持场景定制和系统功能扩展
02 功能特性
接近真实的虚拟场景漫游与认知 实时互动操作 运行中故障设置与即时信息反馈 动态参数设置调节 支持个性化设计制作和实验扩展 支持多用户互联网同时在线使用 适用基础认知、实验教学、课程设计和实习实践多场景应用
03 典型案例



![]() | ![]() |



夜雨聆风
