当前位置:首页>文档>WM_投资06-第01讲 工程量清单概述和工程量清单编制_监理工程师_2025监理工程师_2025年监理工程师-各大机构_2025年监理-土建目标_机构2-JG_01.精讲班-李.娜_投资控制(土建)(2025)_讲义

WM_投资06-第01讲 工程量清单概述和工程量清单编制_监理工程师_2025监理工程师_2025年监理工程师-各大机构_2025年监理-土建目标_机构2-JG_01.精讲班-李.娜_投资控制(土建)(2025)_讲义

  • 2026-04-15 23:22:48 2026-02-19 00:15:35

文档预览

WM_投资06-第01讲 工程量清单概述和工程量清单编制_监理工程师_2025监理工程师_2025年监理工程师-各大机构_2025年监理-土建目标_机构2-JG_01.精讲班-李.娜_投资控制(土建)(2025)_讲义
WM_投资06-第01讲 工程量清单概述和工程量清单编制_监理工程师_2025监理工程师_2025年监理工程师-各大机构_2025年监理-土建目标_机构2-JG_01.精讲班-李.娜_投资控制(土建)(2025)_讲义
WM_投资06-第01讲 工程量清单概述和工程量清单编制_监理工程师_2025监理工程师_2025年监理工程师-各大机构_2025年监理-土建目标_机构2-JG_01.精讲班-李.娜_投资控制(土建)(2025)_讲义
WM_投资06-第01讲 工程量清单概述和工程量清单编制_监理工程师_2025监理工程师_2025年监理工程师-各大机构_2025年监理-土建目标_机构2-JG_01.精讲班-李.娜_投资控制(土建)(2025)_讲义
WM_投资06-第01讲 工程量清单概述和工程量清单编制_监理工程师_2025监理工程师_2025年监理工程师-各大机构_2025年监理-土建目标_机构2-JG_01.精讲班-李.娜_投资控制(土建)(2025)_讲义

文档信息

文档格式
pdf
文档大小
0.408 MB
文档页数
5 页
上传时间
2026-02-19 00:15:35

文档内容

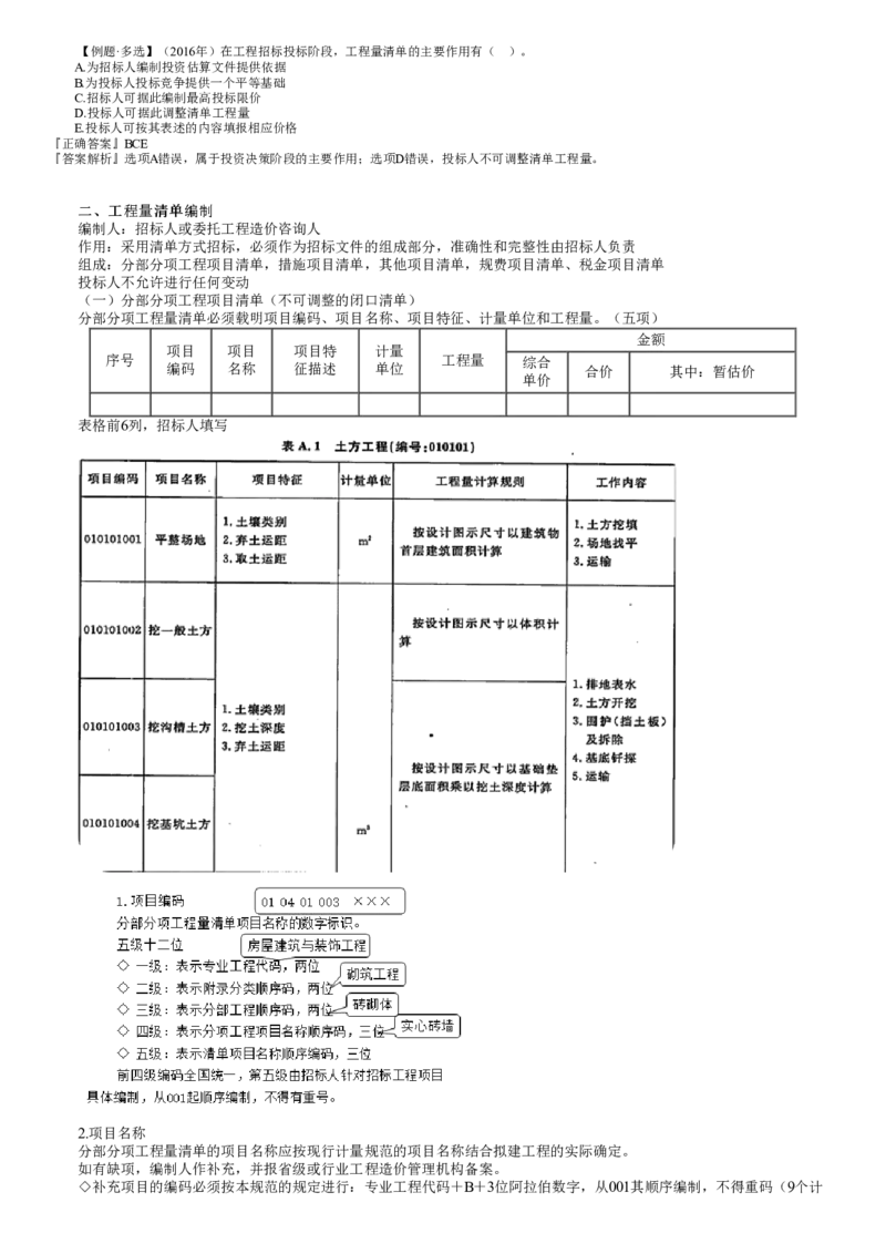
7分分 第第一一节节 招招标标控控制制价价编编制制 【链接】 一一、、工工程程量量清清单单概概述述 (一)工程量清单 载明建设工程分部分项工程项目、措施项目、其他项目的名称和相应数量以及规费、税金项目等内容的明细清单。 分类:◆招标工程量清单—招标文件 ◆已标价工程量清单—投标文件 (二)工程量清单的作用 ①为投标人的投标竞争提供了一个平等和共同的基础。 ②建设工程计价的依据。 ③工程付款和结算的依据。 ④调整工程量、进行工程索赔的依据。 (三)工程量清单的适用范围 ■ 范围:发承包及实施阶段的计价活动,包括工程量清单的编制、最高投标限价的编制、投标报价的编制、工程合同价 款的约定、工程施工过程中计量与合同价款的支付、索赔与现场签证、竣工结算的办理和合同价款争议的解决以及工程造价鉴 定等活动。 ■ 必须采用工程量清单计价:国有资金投资的工程建设项目 【例题·多选】(2017年)根据现行计价规范,工程量清单适用的计价活动有( )。 A.设计概算的编制 B.最高投标限价的编制 C.投资限额的确定 D.合同价款的约定 E.竣工结算的办理 『正确答案』BDE 『答案解析』工程量清单适用于建设工程发承包及实施阶段的计价活动,包括工程量清单的编制、最高投标限价的编制、投标报价的编制、工 程合同价款的约定、工程施工过程中计量与合同价款的支付、索赔与现场签证、竣工结算的办理和合同价款争议的解决以及工程造价鉴定等活 动。 提供最新高端VIP课程+精准押题:一建、二建、咨询、监理、造价、 环评、经济师、安全、房估、消防/等 QQ/VX:67166815【例题·多选】(2016年)在工程招标投标阶段,工程量清单的主要作用有( )。 A.为招标人编制投资估算文件提供依据 B.为投标人投标竞争提供一个平等基础 C.招标人可据此编制最高投标限价 D.投标人可据此调整清单工程量 E.投标人可按其表述的内容填报相应价格 『正确答案』BCE 『答案解析』选项A错误,属于投资决策阶段的主要作用;选项D错误,投标人不可调整清单工程量。 二二、、工工程程量量清清单单编编制制 编制人:招标人或委托工程造价咨询人 作用:采用清单方式招标,必须作为招标文件的组成部分,准确性和完整性由招标人负责 组成:分部分项工程项目清单,措施项目清单,其他项目清单,规费项目清单、税金项目清单 投标人不允许进行任何变动 (一)分部分项工程项目清单(不可调整的闭口清单) 分部分项工程量清单必须载明项目编码、项目名称、项目特征、计量单位和工程量。(五项) 金额 项目 项目 项目特 计量 序号 工程量 综合 编码 名称 征描述 单位 合价 其中:暂估价 单价 表格前6列,招标人填写 2.项目名称 分部分项工程量清单的项目名称应按现行计量规范的项目名称结合拟建工程的实际确定。 如有缺项,编制人作补充,并报省级或行业工程造价管理机构备案。 ◇补充项目的编码必须按本规范的规定进行:专业工程代码+B+3位阿拉伯数字,从001其顺序编制,不得重码(9个计量规范,01、02……09)。【记忆:一级+B+五级】 工程量清单中应附补充项目的项目名称、项目特征、计量单位、工程量计算规则和工作内容。 3.项目特征 ·确定综合单价的重要依据 ·必须准确、全面描述 项 遵循原则: 目 ·按规范中规定结合拟建工程实际,满足综合单价的需要 特 ·若采用标准图集或施工图纸能够全部或部分满足项目特征描述的要求,项目特征描述可直接采用详见××图 征 集或××图号的方式 ·对不能满足项目特征描述要求的部分,仍应用文字描述 4.计量单位 按现行计量规范规定的计量单位确定。 当有多个计量单位,应结合拟建工程实际情况,确定其中一个为计量单位。同一工程项目计量单位应一致。 5.工程量计算 以形成工程实体为准,并以完成后的净值来计算的。 【例题·单选】(2021年)招标工程量清单的准确性和完整性应由( )负责。 A.招标人和施工图审查机构共同 B.招标代理机构 C.招标人 D.招标人和投标人共同 『正确答案』C 『答案解析』采用工程量清单方式招标,招标工程量清单必须作为招标文件的组成部分,其准确性和完整性由招标人负责。 【例题·单选】(2019年)下列招标文件所列的工程量清单中,不可调整的闭口清单是( )。 A.分部分项工程量清单 B.能计量的措施项目清单 C.不能计量的措施项目清单 D.其他项目清单 『正确答案』A 『答案解析』分部分项工程项目清单为不可调整的闭口清单。 【例题·单选】(2018年)根据《建设工程工程量清单计价规范》,分部分项工程项目清单中的分项工程项目名称顺序码的数位是( )。 A.三至四位 B.五至六位 C.七至九位 D.十至十二位 『正确答案』C 『答案解析』在十二位数字中,一至二为专业工程码,三至四为附录分类顺序码,五至六位为分部工程顺序码。七、八、九位为分项工程项目 名称顺序码,十至十二位为清单项目名称顺序码。 【例题·单选】根据现行工程量计量规范,清单项目的工程量应以( )为准进行计算。 A.完成后的实际值B.形成工程实体的净值 C.定额工程量数量 D.对应的施工方案数量 『正确答案』B 『答案解析』现行计量规范明确了清单项目的工程量计算规则,其工程量是以形成工程实体为准,并以完成后的净值来计算。 (二)措施项目清单编制(可调整清单)【投标人可根据企业自身特点做适当增减】 投标人需做通盘考虑,清单一经报出,即被认为包含了所有应该发生的措施项目的全部费用。如果没有报出,施工中必须 发生的,业主有权认为,已综合在分部分项工程量清单综合单价中,投标人不得以任何理由提出索赔与调整。 分类: ■ 计量(计算同分部分项工程费) ■ 不能计量,清单仅列出了项目编码、项目名称 措施项目清单应根据拟建工程的实际情况列项。 (三)其他项目清单 因招标人特殊要求而发生的与拟建工程有关的其他费用项目和相应数量清单。 ■ 暂列金额 ■ 暂估价 ■ 计日工 ■ 总承包服务费 (1)暂列金额 ■ 包括在合同中的一笔款项 概念 ■ 扣除实际发生金额后的暂列金额余额仍属于招标人所有 (2)暂估价 概念 ■ 支付必然要发生但暂时不能确定价格的…… ■ 材料、工程设备的暂估单价(纳入分部分项工程量项目综合单价) 分类 ■ 专业工程的金额(综合暂估价,含管理费、利润),分专业按计价规定估算 (3)计日工 ■ 解决现场发生的合同约定以外的零星工作或项目计价而设立的 概念 ■ 为了获得合理的计日工单价,在计日工表中一定要尽可能把项目列全,并给出一个比较贴近实际 的暂定数量 (4)总承包服务费 ■ 要求总承包人对发包的专业工程提供协调和配合服务 ■ 对发包人供应的材料、设备提供收、发和保管服务 概念 ■ 对施工现场进行统一管理 ■ 对竣工资料进行统一汇总整理等 特点 ■ 承包人自主报价 计算 ■ 招标人按照投标人的报价支付该项费用 (四)规费项目清单编制 由省级政府和省级有关权力部门规定必须缴纳或计取的费用。 (五)税金项目清单编制 【例题·单选】(2023年)某招标工程,发包人拟将其中的专业工程甲依法单独发包,但施工过程中由承包人统一提供协调和配合服务,则 承包人投标报价时应将该服务费用列入( )。 A.总承包服务费 B.计日工费 C.专业工程暂估价 D.措施项目费 『正确答案』A 『答案解析』总承包服务费是为了解决招标人在法律、法规允许的条件下进行专业工程发包以及自行采购供应材料、设备时,要求总承包人对 发包的专业工程提供协调和配合服务(如分包人使用总包人的脚手架、水电接剥等);对供应的材料、设备提供收、发和保管服务以及对施工 现场进行统一管理;对竣工资料进行统一汇总整理等发生并向总承包人支付的费用。 【例题·多选】(2022年)采用工程量清单计价招标的工程,招标工程量清单中可以提出暂估价的有( )。 A.地基与基础工程 B.专业工程 C.规费 D.工程材料 E.工程设备 『正确答案』BDE 『答案解析』暂估价包括材料暂估价、工程设备暂估价和专业工程暂估价。暂估价中的材料、工程设备暂估单价应根据工程造价信息或参照市 场价格估算,列出明细表;专业工程暂估价应分不同专业,按有关计价规定估算,列出明细表。 【例题·单选】根据《建设工程工程量清单计价规范》,在合同约定之外的或者因变更而产生的、工程量清单中没有相应项目的零星额外工 作,应列入( )中。A.暂估价 B.暂列金额 C.计日工 D.措施项目费 『正确答案』C 『答案解析』计日工适用的零星工作一般是指合同约定之外的或者因变更而产生的、工程量清单中没有相应项目的额外工作,尤其是那些时间 不允许事先商定价格的额外工作。 【例题·单选】(2022年)某项目投标人认为招标文件中所列措施项目不全时,其投标报价的正确做法是( )。 A.根据企业自身特点对措施项目进行调整并报价 B.向招标人提出质疑并根据招标人的答复报价 C.按招标文件中所列项目报价,并准备在施工中发生缺项措施项目时提出索赔 D.按招标文件中所列项目报价,并准备在施工中发生缺项措施项目时提出变更 『正确答案』A 『答案解析』招标人提出的措施项目清单是根据一般情况确定的,由于各投标人拥有的施工装备、技术水平和采用的施工方法有所差异,投标 人投标时应根据自身编制的投标施工组织设计(或施工方案)确定措施项目及报价,投标人根据投标施工组织设计(或施工方案)调整和确定 的措施项目应通过评标委员会的评审。 【例题·多选】根据《建设工程工程量清单计价规范》,其他项目清单内容包括( )。 A.规费 B.暂列金额 C.暂估价 D.计日工 E.总承包服务费 『正确答案』BCDE 『答案解析』根据《建设工程工程量清单计价规范》,其他项目清单内容包括暂列金额、暂估价、计日工、总承包服务费。 提供最新高端VIP课程+精准押题:一建、二建、咨询、监理、造价、 环评、经济师、安全、房估、消防/等 QQ/VX:67166815