筏板基础施工方案word90页附溜管布置方案cad(会员资料)
|
|
|
|
| 加入2026《市政路桥实战参考》会员 |
| 2025《市政路桥实战参考》会员资料 |

目录
第一章编制依据
1.1 编制依据
第二章工程概况
2.1 基础底板概况
2.1.1 基础底板概况
2.1.2 典型节点设计构造
2.1.3 基础底板施工重难点分析
第三章施工部署
3.1 管理人员配置及职责
3.2 重难点分析
3.3 施工安排
第四章进度计划
4.1 基础底板施工时间安排
4.2 混凝土浇筑时气象情况
第五章资源配置计划
5.1 基础底板施工劳动力投入计划
5.2 现场管理人员组织
5.2.2 基础底板施工物资投入计划
5.3 钢筋进场计划
5.4 施工物资需求计划
第六章基础底板施工方法
6.1基础底板钢筋施工
6.1.1钢筋连接
6.1.2 基础底板上部钢筋架立
6.1.3 下人孔的设置和钢筋处理
6.1.4 墙柱插筋定位
6.1.5 筏板防雷、安装预留施工
6.1.6 钢筋成品保护
6.2 基础底板施工
6.2.1 集水坑模板施工方法
6.3 大体积超厚底板混凝土施工
6.3.1 搅拌站选择
6.3.2 混凝土配合比要求
6.3.3 混凝土运输车组织
6.3.4 大体积超厚底板浇筑
6.3.5 基础底板大体积混凝土防裂措施
6.4 大体积超厚底板温控及养护
6.4.1 筏板大体积混凝土测温方法
6.4.2 温控指标
6.4.3 测温点布置
6.4.4 测温要求
6.4.5 养护要求
6.5 大体积混凝土验收标准
6.5.1 验收标准
6.5.2 验收程序
6.5.3 验收内容
6.5.4 验收人员
6.6 溜管设计
6.6.1 溜管整体布置
6.6.2 设计
6.7 溜管安装工艺流程
6.8 溜管安装
6.8.1 溜管支架安装
6.8.2 集料斗安装
6.8.3 溜管安装
6.8.4 流管使用
第七章进度管理计划
7.1 进度管理计划
7.2 施工进度管理措施
第八章质量管理计划
8.1 工程施工质量分解目标
8.2 项目质量管理的组织机构并明确职责
8.3 确定质量控制点
8.4 现场质量管理制度
8.5 质量保证措施
第九章安全管理计划
9.1 职业健康安全管理目标
9.2 现场职业健康安全管理组织机构和职责分工
9.2.1 现场职业健康安全管理职责分工
9.2.2 职业健康安全重大危险源
9.2.3 施工现场安全生产管理制度
9.2.4 职业健康安全保证措施
第十章成品保护计划
10.1 成品保护管理目标
10.2 成品保护的组织机构与职责
10.3 成品保护的管理制度
10.4 成品保护措施
第十一章绿色施工管理计划
11.1 管理目标
11.2 管理措施
第十二章应急技术措施
12.1 溜管阻塞
12.1.1 预防措施
12.1.2 应急措施
12.2 溜管支架松动或倾斜
12.2.1 预防措施
12.2.2 应急措施
12.3 交通应急措施
12.3.1 预防措施
12.4 混凝土温升超标应急预案
第十三章安全应急预案及保证措施
13.1 重大危险源
13.2 应急机构设置
13.3 应急资金计划
13.4 救护医院
13.5 应急救援措施
附件一:钢筋支架计算
附件二:大体积混凝土浇筑体表面保温层计算书
附件三:角钢支架计算书

第二章工程概况
2.1施工概况
2.1.1现场概况
一.1.2基础底板概况
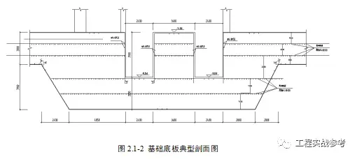
本工程一标段筏板基础面积约3320㎡,南北宽度约49m,东西宽度约67.6m。筏板主要厚度1m、2.8m,最大深度6.7m,一次浇筑混凝土方量约9600m³,混凝土设计强度等级为C40,抗渗等级为P8。坍落度200±20mm。主要采用溜管法配合汽车泵进行混凝土浇筑。预计5月10日开盘,5月12日完成浇筑,持续时间60h。

主楼筏板如上图所示:周边车库范围筏板厚度为1m ,主楼范围内筏板厚度为2.8m,7-9/P-S轴电梯井深度为4.7m,5-7/L-Q轴电梯井深度为6.7m。
2.1.3典型节点设计构造
本工程基础底板除面筋和底筋,还将设置3~4层附加水平钢筋网片。当2m<筏板厚度<4m时,在上下钢筋网之间等高度设置两层钢筋网片,当4m<筏板厚度<5m时等高度设置三层钢筋网片,当5m<筏板厚度<7m时等高度设置四层钢筋网片,基础筏板典型剖面图如下。

一.1.1基础底板施工重难点分析
1、主楼基础最厚,钢筋网片层数多,钢筋绑扎要求高。
2、基础钢筋直径较大,遇塔吊基础、桩头等竖向构件时施工困难;
3、底板厚度大,混凝土强度等级高,水化热控制及防开裂难度大;
4、混凝土一次浇筑量大,主楼基础混凝土浇筑量约9600m³,混凝土浇筑施工组织难度大。
5、现场场地狭小,需要占用道路,施工场内外交通组织难度大。
6、现场场地狭小,存在汽车泵使用场地不足,混凝土罐车无法卸料的情况。

塔楼筏板不再分区,整个筏板利用溜管加泵车配合采取“多点同时浇筑”的方法一次浇筑。
现场具体安排:
1、1#出料口由自卸和6 #地泵负责供给混凝土;
2、2#出料口由2台56m天泵负责供给混凝士;
3、3#出料由砼罐车自卸负责供给混凝士;
4、4#出料口由1台63m天泵负责供给混凝土,并负责收面;
5、5#出料口由场外1台63m天泵泵送至拖泵中,再使用布料机进行收面;
6、由于场地狭小,为了最大化满足现场施工需求,1#和3#出料口选择相同方量的砼罐车同进同出,同时4#出料D砼罐车在1#和3#砼罐车进出间隙进行进出场调度,两个砼车等待区保证各等待区2台罐车等待。
工况图参见下图。





6.1基础底板钢筋施工
本工程基础底板配筋密集、用量大,特别是主楼基础底板设置多层钢筋网片。为方便混凝土振捣,同向布置的钢筋要上下对齐。
钢筋直径≥16mm连接方式主要采用直螺纹套筒连接,局部直螺纹套筒无法连接或连接困难处,可采用绑扎搭接,钢筋直径<16mm连接方式主要采用绑扎搭接。
主楼区域底板钢筋支架采用型钢支架。
6.1.1钢筋连接
32的面筋和底筋都采用机械连接。接头位置应符合设计及施工规范要求,机械连接接头等级按Ⅰ级接头。钢筋保护层厚度40mm。
中间层附加水平钢筋网片为14钢筋,连接方式为绑扎搭接。相邻纵向受拉钢筋的连接接头必须错开一个连接区段长度。
1、直螺纹加工工艺
直螺纹加工工艺要求详见下表。

2、直螺纹连接工艺流程
钢筋下料→钢筋套丝→接头单体试件试验→钢筋连接→质量检查
端头用砂轮切割机切平,端面与钢筋轴线垂直,端头无弯曲、马蹄型。
钢筋丝头加工操作人员经培训合格后上岗,并执行钢筋直螺纹连接技术规程施工。丝头加工时要逐个检查,发现不合格丝头后重新加工。检验合格后的丝头加以保护,在其端头戴保护帽或用套筒拧紧,按规格堆放整齐。
现场连接钢筋时,钢筋规格和套筒的规格一致,钢筋和套筒的丝扣干净、无损。钢筋直螺纹连接接头拧紧,外露丝扣符合规范要求,经检查合格的接头用油漆作好标记。
一.1.1基础底板上部钢筋架立
一.1.1.1上部钢筋架立方式
本工程主楼基础底板区域钢筋支架立杆采用10#槽钢作为立柱,纵横间距1000mm。立柱下端立于筏板底筋最上层钢筋之上,下端垫10#短槽钢(L=450mm)。顶部设置承受底板上皮钢筋重量及施工荷载的横梁,横梁双向布置,南北方向间距1000mm焊接一道10#槽钢,东西方向在立柱顶部间距3000mm焊接一道L63×5角钢,将槽钢支架横梁联系为整片。
根据筏板图纸,大部分为四层附加水平钢筋网片,部分为三层。每层附加水平钢筋网片设置一层L63×5角钢与立柱焊接,作为水平连系构件,同时作为中间附加水平钢筋网片支架。底层角钢双向布置,其它层和槽钢横梁垂直单向布置。钢筋支架每隔4排立柱,纵横向设置由底到顶连续剪刀撑,剪刀撑采用L63*5角钢焊接固定在立柱上。

钢筋支架放置在筏板底筋最上层钢筋上,下垫450mm槽钢(优先使用槽钢切割余料,9米长钢筋可以切割成两段4米长的立柱和一根1m长的立柱,余料用作垫板。也可以切割成两根斜坡位置3~4m的立柱,余料用作垫板),与筏板底筋点焊固定;


60°斜坡位置立柱焊接在角钢上,角钢规格为L63×5,长度为250mm,与底板钢筋点焊连接固定。详细做法见下图。

先把立柱和槽钢垫板焊接,采用两根25钢筋作为斜撑,对立柱进行临时固定,然后焊接底层双向角钢横杆将各立杆连接起来,绑扎完一层附加水平筋后,再进行上一层角钢横杆焊接及附加筋绑扎,最顶层附加水平钢筋绑扎后及时进行剪刀撑搭设,最后进行顶部横梁焊接及底板面筋绑扎。在洞口或变标高处顶部槽钢横梁断开,端部加设10#槽钢立柱。立杆与横梁、角钢焊接采用角焊缝双面满焊。焊缝等级三级。

钢筋支架考虑钢筋及支架自重外,另考虑施工荷载6kN/㎡(其中设备荷载2KN/㎡,材料堆放荷载4kN/㎡),人员荷载1.5kN/㎡范围,钢筋支架是安全的。
假设堆载钢筋,假设为12m长32钢筋,每捆钢筋最多可绑扎51根。即现场每吊根12m定尺的钢筋放置筏板解除捆绑钢丝绳后,自然松散宽度1.0m范围,筏板支架安全。
6.7m位置筏板面堆载施工荷载不得大于4.5kN/㎡(其中设备荷载2kN/㎡,材料堆放荷载2.5kN/㎡),人员荷载1.5kN/㎡。假设堆载钢筋为12m长32钢筋,每捆钢筋最多可绑扎40根。
一.1.1.1钢筋支架其他构造
支架顶部布设与立柱规格相同的槽钢,立柱成排连成整体,上部钢筋首先绑扎固定与立柱同心的最下皮钢筋。
槽钢对接连接方式:采用直径不小于22mm的钢筋两根,长度不小于450mm,在槽钢内侧焊接;外侧采用6mm厚钢板,宽度为100mm,长度为不小于200mm进行四边满焊;槽钢对接处进行对焊焊接。见详下图。

6.1.3下人孔的设置和钢筋处理
主楼主楼基础底板厚度2800mm,局部4700mm、最深处6700mm,钢筋量大,且底板施工时可能会进入上、下钢筋网片内进行支模等其它工序施工,需在主楼基础范围内设置临时下人孔,下人孔位置避开核心筒剪力墙位置。临时下人孔钢筋预留及连接方式详见下图,在底板混凝土浇筑完成前应将下人孔预留钢筋连接成整体。下人孔长向钢筋连接方式优先采用直螺纹套筒连接;当直螺纹套筒无法连接或连接困难时,可改用绑扎搭接。

6.1.4墙柱插筋定位
为了保证墙、柱插筋位置正确,放线人员将墙、柱位置线用红油漆标记在底板上层钢筋上,按标记线进行插筋施工。为了防止墙插筋位移,把墙插筋与底板钢筋绑扎并点焊固定,为防止伸出底板的墙插筋在混凝土浇筑过程中跑位,在墙插筋顶部安装工具式梯形钢筋卡具,将墙竖向插筋位置做相对固定。

柱插筋定位时先在底板钢筋上绑扎一道箍筋,位置校核准确后与底板钢筋点焊固定,并将柱插筋与箍筋绑扎并点焊固定。在高出底板500mm位置再绑扎一道箍筋定位。柱插筋顶部安装工具式钢筋卡具将柱插筋位置做相对固定,以进一步加强定位。墙、柱钢筋卡具按流水施工进行周转使用。
钢筋安装时,严格控制钢筋位置和标高,保证筏板面钢筋保护层厚度。混凝土终凝前使用全站仪对墙柱插筋进行复测。
6.1.5筏板防雷、安装预留施工
筏板主筋方格网状交叉绑扎,选择桩基的两侧各两根钢筋,和筏板底筋及面筋用连接导体(两根10钢筋)连接作为防雷接地。和主楼上部防雷接地系统连接。

筏板内的预留预埋主要为电梯井至集水井预埋排水管及楼层废水管至集水井预埋等。在钢筋绑扎时,及时进行施工。
6.1.6钢筋成品保护
为避免施工过程中踩踏钢筋,在筏板面使用钢跳板铺设临时马道,用于施工行走、堆放材料。模板使用木方钉紧,使用铁丝和筏板主筋固定。
做好墙柱插筋成品保护。用特制的钢筋套管或塑料布将钢筋保好,高度不得小于500mm,以防止墙柱钢筋被污染。如有个别污染应及时清理混凝土浆,保证钢筋表面清洁。
6.2基础底板施工
6.2.1集水坑模板施工方法
根据图纸,对集水井的结构尺寸进行复核,采用15mm厚覆膜木胶板整体拼装完成后,复核长边、短边及对角线长度,进行模板加固,并在四个角钉边长不小于500mm的等腰三角形模板,加固四角,保证阴阳角方正。做法详见下图所示。


。。。。。。
内容过多,共90页,以下略
|
|
|
|
目录二:按分类汇编
|
2026年《工程实战参考》会员资料 03. 考证系列 |
|
| 持续更新中,点击题目阅读 | |
|
|
|
|
|
|
|
|
|
|
|
|
|
2026年《工程实战参考》会员资料 04. 安全标准化 |
|
| 持续更新中,点击题目阅读 | |
|
|
|
|
|
|
|
|
|
|
|
|
|
|
|
|
|
|
|
|
|
|
|
|
|
|
|
|
2026年《工程实战参考》会员资料 06. 质量标准化 |
|
| 持续更新中,点击题目阅读 | |
|
|
|
|
|
|
|
|
|
|
|
|
|
|
|
|
2026年《工程实战参考》会员资料 07. 工程创优 |
|
| 持续更新中,点击题目阅读 | |
|
|
|
|
|
|
|
|
|
|
|
|
|
|
|
|
2026年《工程实战参考》会员资料 08. 质量通病防治 |
|
| 持续更新中,点击题目阅读 | |
|
|
|
|
|
|
|
|
|
|
|
|
|
|
|
|
|
|
|
|
|
|
|
|
|
|
|
|
|
|
|
|
|
|
|
|
|
|
|
|
|
|
|
2026年《工程实战参考》会员资料 09. 技术策划、科技 |
|
| 持续更新中,点击题目阅读 | |
|
|
|
|
|
|
|
|
|
|
|
|
|
|
|
|
|
|
|
|
|
|
|
|
|
|
|
|
|
|
|
|
|
|
|
|
|
2026年《工程实战参考》会员资料 10. 地基基础深基坑人防 |
|
| 持续更新中,点击题目阅读 | |
|
|
|
|
|
|
|
|
|
|
|
|
|
|
|
|
|
|
|
|
|
|
|
|
|
|
|
|
|
|
|
2026年《工程实战参考》会员资料 11. 钢筋工程 |
|
| 持续更新中,点击题目阅读 | |
|
|
|
|
|
|
|
|
|
|
|
|
|
|
|
|
2026年《工程实战参考》会员资料 12. 模板工程高支模 |
|
| 持续更新中,点击题目阅读 | |
|
|
|
|
|
|
|
|
|
|
|
|
|
|
|
|
|
|
|
|
|
|
|
|
|
|
|
|
|
|
|
|
|
|
|
|
|
2026年《工程实战参考》会员资料 13. 混凝土工程 |
|
| 持续更新中,点击题目阅读 | |
|
|
|
|
|
|
|
|
|
|
|
|
|
2026年《工程实战参考》会员资料 14. 砌体工程 |
|
| 持续更新中,点击题目阅读 | |
|
|
|
|
|
|
|
2026年《工程实战参考》会员资料 15. 装配式建筑 |
|
| 持续更新中,点击题目阅读 | |
|
|
|
|
|
|
|
2026年《工程实战参考》会员资料 16. 装饰保温门窗幕墙 |
|
| 持续更新中,点击题目阅读 | |
|
|
|
|
|
|
|
|
|
|
|
|
|
|
|
|
|
|
|
|
|
|
|
|
|
|
|
|
|
|
|
|
|
|
|
|
|
2026年《工程实战参考》会员资料 17. 机电消防工程 |
|
| 持续更新中,点击题目阅读 | |
|
|
|
|
|
|
|
|
|
|
|
|
|
|
|
|
|
|
|
|
|
|
|
|
|
|
|
|
2026年《工程实战参考》会员资料 18. 防水工程 |
|
| 持续更新中,点击题目阅读 | |
|
|
|
|
|
|
|
|
|
|
2026年《工程实战参考》会员资料 19. 钢结构工程 |
|
| 持续更新中,点击题目阅读 | |
|
|
|
|
|
|
|
|
|
|
|
|
|
|
|
|
|
|
|
|
|
|
|
|
|
2026年《工程实战参考》会员资料 20. 脚手架 |
|
| 持续更新中,点击题目阅读 | |
|
|
|
|
|
|
|
|
|
|
|
|
|
|
|
|
|
|
|
|
|
|
|
|
|
|
|
|
|
|
|
|
|
|
|
|
|
2026年《工程实战参考》会员资料 21. 吊篮、爬架、卸料平台 |
|
| 持续更新中,点击题目阅读 | |
|
|
|
|
|
|
|
|
|
|
|
|
|
2026年《工程实战参考》会员资料 22. 塔吊、施工升降机 |
|
| 持续更新中,点击题目阅读 | |
|
|
|
|
|
|
|
|
|
|
|
|
|
|
|
|
2026年《工程实战参考》会员资料 23. 临建设施、平面布置 |
|
| 持续更新中,点击题目阅读 | |
|
|
|
|
|
|
|
|
|
|
|
|
|
2026年《工程实战参考》会员资料 24. 临时用电 |
|
| 持续更新中,点击题目阅读 | |
|
|
|
|
|
|
|
|
|
|
|
|
|
|
|
|
2026年《工程实战参考》会员资料 25. 高处作业 |
|
| 持续更新中,点击题目阅读 | |
|
|
|
|
|
|
|
|
|
|
|
|
|
2026年《工程实战参考》会员资料 26. 管理 |
|
| 持续更新中,点击题目阅读 | |
|
|
|
|
|
|
|
2026年《工程实战参考》会员资料 27. EPC |
|
| 持续更新中,点击题目阅读 | |
|
|
|
|
|
|
|
|
|
|
2026年《工程实战参考》会员资料 28. 检查、竣工交付 |
|
| 持续更新中,点击题目阅读 | |
|
|
|
|
|
|
|
|
|
|
2026年《工程实战参考》会员资料 29. QC成果、工法 |
|
| 持续更新中,点击题目阅读 | |
|
|
|
|
|
|
|
|
|
|
|
|
|
|
|
|
2026年《工程实战参考》会员资料 30. 成本造价商务 |
|
| 持续更新中,点击题目阅读 | |
|
|
|
|
|
|
|
|
|
|
2026年《工程实战参考》会员资料 31. 工期进度 |
|
| 持续更新中,点击题目阅读 | |
|
|
|
|
|
|
|
2026年《工程实战参考》会员资料 32. 资料、检测、图纸、测量 |
|
| 持续更新中,点击题目阅读 | |
|
|
|
|
|
|
|
|
|
|
|
|
|
|
|
|
|
|
|
|
|
|
2026年《工程实战参考》会员资料 33. 工程监理 |
|
| 持续更新中,点击题目阅读 | |
|
|
|
|
|
|
|
|
|
资料下载方式
点下面关注微信公众号:

夜雨聆风
