当前位置:首页>文档>04-第1章-路基工程(四)_2026年一级建造师_2026年一建公路_2025年一建公路SVIP_02-基础精讲✿高端面授✿深度强化_15-公路《天一精讲班》安慧、李昌春KL_李昌春

04-第1章-路基工程(四)_2026年一级建造师_2026年一建公路_2025年一建公路SVIP_02-基础精讲✿高端面授✿深度强化_15-公路《天一精讲班》安慧、李昌春KL_李昌春

  • 2026-03-11 16:05:25 2026-01-31 00:39:50

文档预览

04-第1章-路基工程(四)_2026年一级建造师_2026年一建公路_2025年一建公路SVIP_02-基础精讲✿高端面授✿深度强化_15-公路《天一精讲班》安慧、李昌春KL_李昌春
04-第1章-路基工程(四)_2026年一级建造师_2026年一建公路_2025年一建公路SVIP_02-基础精讲✿高端面授✿深度强化_15-公路《天一精讲班》安慧、李昌春KL_李昌春
04-第1章-路基工程(四)_2026年一级建造师_2026年一建公路_2025年一建公路SVIP_02-基础精讲✿高端面授✿深度强化_15-公路《天一精讲班》安慧、李昌春KL_李昌春
04-第1章-路基工程(四)_2026年一级建造师_2026年一建公路_2025年一建公路SVIP_02-基础精讲✿高端面授✿深度强化_15-公路《天一精讲班》安慧、李昌春KL_李昌春
04-第1章-路基工程(四)_2026年一级建造师_2026年一建公路_2025年一建公路SVIP_02-基础精讲✿高端面授✿深度强化_15-公路《天一精讲班》安慧、李昌春KL_李昌春
04-第1章-路基工程(四)_2026年一级建造师_2026年一建公路_2025年一建公路SVIP_02-基础精讲✿高端面授✿深度强化_15-公路《天一精讲班》安慧、李昌春KL_李昌春
04-第1章-路基工程(四)_2026年一级建造师_2026年一建公路_2025年一建公路SVIP_02-基础精讲✿高端面授✿深度强化_15-公路《天一精讲班》安慧、李昌春KL_李昌春
04-第1章-路基工程(四)_2026年一级建造师_2026年一建公路_2025年一建公路SVIP_02-基础精讲✿高端面授✿深度强化_15-公路《天一精讲班》安慧、李昌春KL_李昌春
04-第1章-路基工程(四)_2026年一级建造师_2026年一建公路_2025年一建公路SVIP_02-基础精讲✿高端面授✿深度强化_15-公路《天一精讲班》安慧、李昌春KL_李昌春
04-第1章-路基工程(四)_2026年一级建造师_2026年一建公路_2025年一建公路SVIP_02-基础精讲✿高端面授✿深度强化_15-公路《天一精讲班》安慧、李昌春KL_李昌春

文档信息

文档格式
pdf
文档大小
0.449 MB
文档页数
6 页
上传时间
2026-01-31 00:39:50

文档内容

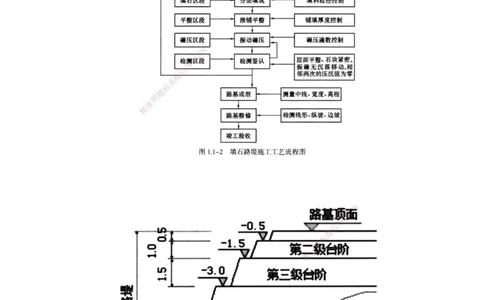
二建、监理、一建、一造、二造、安全、消防、咨询、检测课程押题联系QQ/微信:3849178 1.1 路基施工 四、填石路基施工 1.填石路堤填料要求 8 7 1 9 4 8 3 信 微 系 联 题 押 准 精 8 7 1 9 4 8 3 信 微 2.分层压实法施工工艺流程 系 联 一 唯 名师面授精华、央企内训、考点串讲、习题模考、考前三页纸、绝密押题联系QQ/微信:3849178二建、监理、一建、一造、二造、安全、消防、咨询、检测课程押题联系QQ/微信:3849178 8 7 1 9 4 8 3 信 微 系 联 题 押 准 精 8 1 7 9 8 4 信 3 微 系 联 一 唯 名师面授精华、央企内训、考点串讲、习题模考、考前三页纸、绝密押题联系QQ/微信:3849178二建、监理、一建、一造、二造、安全、消防、咨询、检测课程押题联系QQ/微信:3849178 ① 在路基面以下0.5m为第1级台阶; ② 0.5~1.5m为第2级台阶; 四级施工台阶 ③ 1.5~3.0m为第3级台阶; ④ 3.0m以下(超过3m)为第4级台阶。 3.填筑要求 8 7 1 9 4 8 3 信 微 (1)填石路堤顶面与细粒土填土系层之 联 应填筑过渡层、铺设无纺土工布隔离层。 间处理 题 押 准 精 (2)压实机械要求 自重不小于18t的振动压路机。 ①中硬、硬质石料填筑路堤需边坡码砌。 (3)边坡码砌 ②与路堤填筑基本同步进行。 8 1 7 9 8 4 信 3 微 系 (4)易风化岩石或软质岩石石料填筑 采取边坡封闭、底 部设置排水联垫层、顶部设置防渗层等措施。 一 唯 名师面授精华、央企内训、考点串讲、习题模考、考前三页纸、绝密押题联系QQ/微信:3849178二建、监理、一建、一造、二造、安全、消防、咨询、检测课程押题联系QQ/微信:3849178 8 7 1 9 8 4 3 信 微 系 联 题 ① 压实质量可采用沉降差指标进行检测。 (5)施工过程质量控 押 准 制 精 ② 每填高3m宜检测路基中线和宽度。(石3中宽) (6)压实质量标准 用孔隙率(孔隙率检测用水袋法)作为控制指标。 8 1 7 9 五、高填方路基施工 信 3 8 4 微 系 联 一 唯 ① 高路堤段应优先安排施工。 (1)组织顺序及沉降期 ② 宜预留1个雨季或6个月以上的沉降期。 ① 冲击补压:每填筑2m一次。 (2)补压 ② 强补压:每填筑4~6m一次。 (3)过程监测 填筑过程中应进行沉降和稳定性观测。 名师面授精华、央企内训、考点串讲、习题模考、考前三页纸、绝密押题联系QQ/微信:3849178二建、监理、一建、一造、二造、安全、消防、咨询、检测课程押题联系QQ/微信:3849178 (4)在不良地质路段高路 应控制填筑速率,并进行地表水平位移监测(地表水平位移桩),必要时应进行 堤填筑 地下土体分层水平位移监测(测斜管)。 8 7 1 9 4 8 3 信 微 系 联 题 押 准 精 【案例题】(1-2021) 背景资料 某高速公路合同段起讫桩号为K6+280~K1 3+109。公路路基填挖方量较大。其中K8+570~K9+066段为填石路堤, 填料以中硬石料为主。项目开工前,施工单位 编制了实施性施工组织设计,并经监理工程师批准。 施工过程中发生了如下事件: 8 事件一:填石路堤施工前,施工单位进行了试验路段施 工,通过试验确定了质量控9制1 7 标准、压实工艺主要参数 8 4 信 3 和施工工艺流程等。其中压实工艺主要参数包括碾压遍数、压实机械规格、机械组合等;填石路堤施工工艺流 微 系 程为:施工准备→填料检验合格→填料装运→M→边坡码砌→局 部找平、细联料补充→N→质量检验。 一 唯 事件二:施工组织设计中,填石路堤施工技术要求部分内容如下: (1)中硬岩石可以用于路堤填筑,不得用于路床填筑; (2)压实机械选用自重大于18t的振动压路机; (3)路床底面以下400mm范围内,填料最大粒径不得大于150mm,其中小于5mm的细料含量应不小于20%; (4)边坡码砌与路基填筑应基本同步进行。 事件三:填石路堤施工过程中,施工单位按规范要求进行施工过程质量控制。根据规范,压实质量采用指标X进 行控制,同时每填高3m,还检测了Y和宽度。 【问题】 1.事件一中,补充试验路段还应确定的压实工艺参数。写出工序M和N的内容。 名师面授精华、央企内训、考点串讲、习题模考、考前三页纸、绝密押题联系QQ/微信:3849178二建、监理、一建、一造、二造、安全、消防、咨询、检测课程押题联系QQ/微信:3849178 答:补充试验路段还应确定的压实工艺参数:松铺厚度、碾压速度、沉降差。工序M—分层填筑,工序N—振动 碾压。 【问题】 2.判断事件二中的各条技术要求是否正确?若不正确,写出正确技术要求。 答:(1)错误;正确技术要求:中硬岩石可以用于路堤填筑,也可以用于路床填筑。 (2)正确。 (3)错误;正确技术要求:路床底面以下400mm范围内,填料最大粒径不得大于150mm,其中小于5mm的细料含 量应不小于30%。 (4)正确。 8 7 1 【问题】 9 4 8 3 信 3.事件三中,写出X和Y的名称。 微 系 联 答:指标X—沉降差,检测项目题Y—路基中线。 押 准 精 8 1 7 9 8 4 信 3 微 系 联 一 唯 名师面授精华、央企内训、考点串讲、习题模考、考前三页纸、绝密押题联系QQ/微信:3849178