数据库表设计文档生成工具
^ 关注我,带你一起学GIS ^
前言
数据库设计文档的生成工作简单但繁琐,如果事先没有整理好数据库设计文档,等到需要时再一个表一个表的修改那是相当烦人的。
小编最近就遇到了这样的问题,于是在网上找到了一个生成数据库设计表的工具db2word,它可以将数据库表结构直接导出为Word文件,提高设计文档的编写效率。
❝
由于
GitHub的访问会受到网络影响,无法正常访问,所以小编已经将其下载放在我的工具集文件中,有需要的朋友可以添加小编微信,获取完整工具集。
软件环境
下面以IDEA开发工具为例进行讲解。
时间:2026年
系统:Windows 11
IDEA:2024.3.7
JDK:jdk1.8.0_181
使用方法
首先说明一下,这是一个开源项目,在使用前需要具有一定的开发知识。这是一个基于Java开发的工程项目,需要进行一定的配置,但是不复杂,而对于开发工具以及开发环境等前期准备工作就不在这里一一介绍了。
项目地址:https://github.com/heartsuit/db2word/tree/postgresql
db2word项目具有三个分支
-
mysql:将 MySQL数据库表导出为word。 -
postgresql:将 PostgreSQL数据库表导出为word。 -
combined: 通过多数据源方式,动态切换 MySQL与PostgreSQL。
根据实际需求选择分支下载。
下面以postgresql分支为例进行讲解。
项目下载完成后,在开发工具IDEA中打开,等待依赖下载完成,然后打开资源文件夹下的application.yml配置文件。
修改其中的数据库配置,将url改为服务器地址,用户名和密码也做同样修改。
spring:
datasource:
driver-class-name: org.postgresql.Driver
url: jdbc:postgresql://localhost:5432/ad-data
username: postgres
password: 123456
hikari:
maximum-pool-size: 16
然后在D盘下新建一个文件夹data,在其中新建一个dbDetail.doc空白文档。
打开test文件夹下的测试类DataSourceDetailServiceImplTest。
找到toWord方法,然后点击左上角的运行按钮。
点击Run 'toWorld()'。
等待数据库表设计文档生成,然后到数据目录"D:data"查看dbDetail.doc文档。
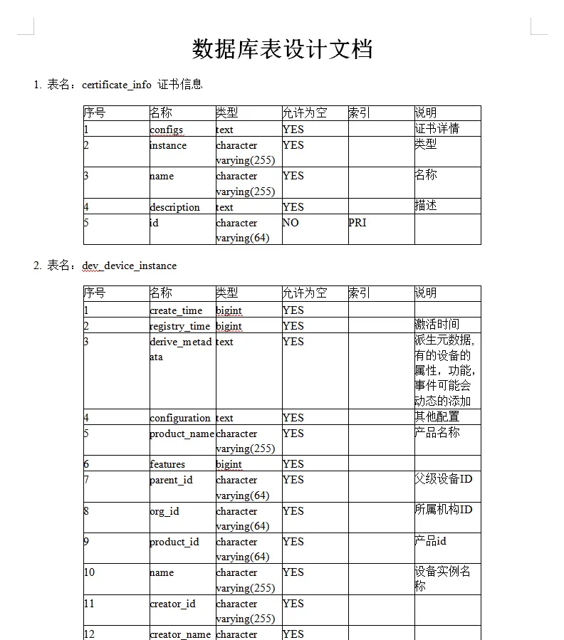
这是项目成果展示图片,表头为序号,字段名称、类型以及说明(注释),内容为数据库表字段及其值。
参考资料
项目:https://github.com/heartsuit/db2word/tree/postgresql

❝
GIS之路 开发示例数据下载,请在公众号后台回复:vector
全国信息化工程师-GIS 应用水平考试资料,请在公众号后台回复:GIS考试
GIS之路 公众号已经接入了智能助手,可以在对话框进行提问,也可以直接搜索历史文章进行查看。
都看到这了,不要忘记点赞、收藏+关注 哦!
本号不定时更新有关 GIS开发 相关内容,欢迎关注 !


夜雨聆风
