关于物业服务质量考核的进一步说明
在2025年度物业服务满意度调查开展期间,业委会全体成员依据上海市《住宅物业管理服务规范》(DB31/T 360-2020)五级标准,对物业2025年度各项工作进行了检查和评分。评分按五级标准要求,符合得满分,基本符合得60%-80%分值,部分符合得30%-50%分值,不符合得0分。物业2025年服务质量评价得分:49.5分(满分60分)。
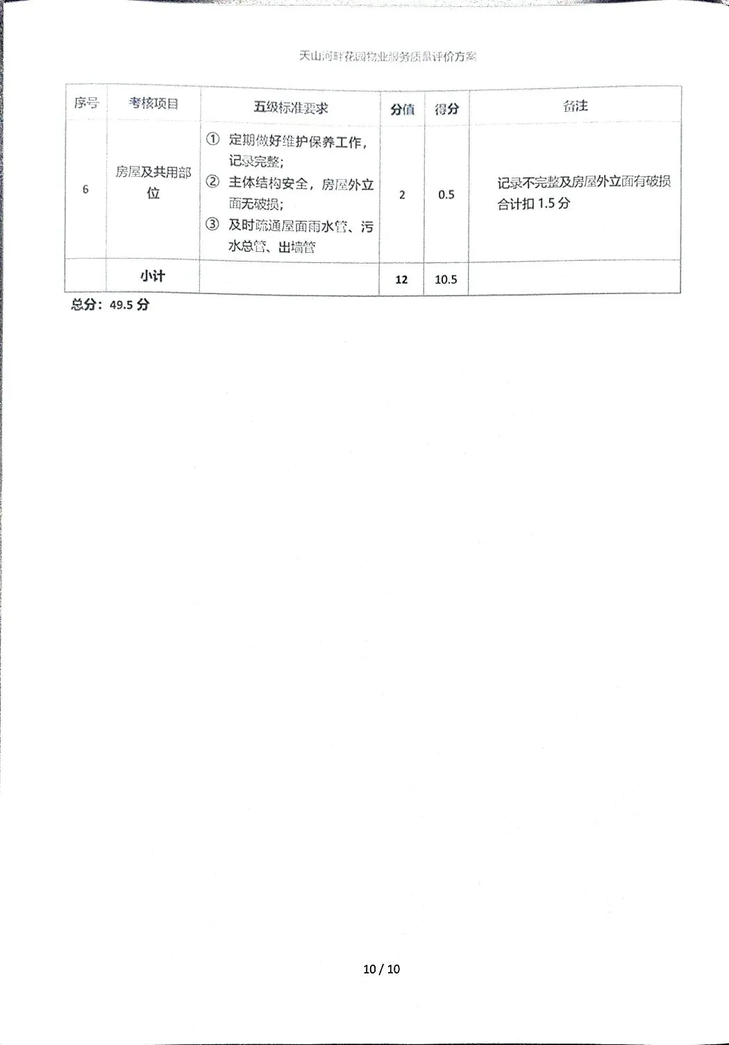
以下为具体评分表,每一项的得分和扣分,均给予了备注说明,现公布如下:










关于物业服务质量考核的进一步说明
在2025年度物业服务满意度调查开展期间,业委会全体成员依据上海市《住宅物业管理服务规范》(DB31/T 360-2020)五级标准,对物业2025年度各项工作进行了检查和评分。评分按五级标准要求,符合得满分,基本符合得60%-80%分值,部分符合得30%-50%分值,不符合得0分。物业2025年服务质量评价得分:49.5分(满分60分)。
以下为具体评分表,每一项的得分和扣分,均给予了备注说明,现公布如下:









