安卓苹果线控自拍杆自拍器IC芯片,APS0204
一、概述
APS0204采用CMOS工艺制造,是一款苹果、安卓3.5mm耳机接口线控自拍器专用芯片。支持苹果、安卓3.5mm耳机接口实现线控拍照功能。
二、特点
1、工作电压:1.5V~5.5V。
2、内置4.4MHz晶振,精度±5%。
3、集成度高,无外围元器件。
4、电路简单,价格优势明显。
5、稳定性高,兼容性强。
6、支持苹果、安卓3.5mm耳机接口实现线控拍照功能。
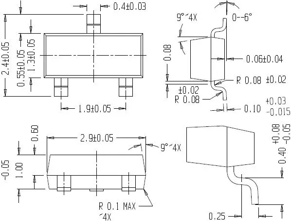
7、采用SOT23-3封装。
三、应用
1、苹果3.5mm耳机接口线控自拍器。
2、安卓3.5mm耳机接口线控自拍器。
四、功能框图

五、引脚说明

APS0204 SOT23-3
引脚功能描述
|
序号 |
名称 |
类型 |
功能描述 |
|
1 |
MIC |
I/O |
芯片正电源、控制信号共用引脚 |
|
2 |
SW |
I |
按键开关引脚 |
|
3 |
GND |
P |
芯片地 |
六、电气特性
1、绝对最大值(所有电压以GND为参考)
|
项目 |
符号 |
范围 |
单位 |
|
供给电压 |
VDD |
-0.3~+5.5 |
V |
|
输入输出电压 |
VI/VO |
-0.5~VDD+0.5 |
V |
|
工作温度 |
TOPR |
-20~+70 |
℃ |
|
储藏温度 |
TSTG |
-40~+125 |
℃ |
|
芯片ESD |
HBM |
4000 |
V |
2、推荐工作条件(除非特别说明,VDD=2.0V,GND=0V,Ta=25℃)
|
参数 |
符号 |
条件 |
最小值 |
典型值 |
最大值 |
单位 |
|
工作电压 |
VDD |
─ |
1.5 |
2 |
5.5 |
V |
|
工作电流 |
IDD |
无负载状态下 |
─ |
110 |
─ |
uA |
|
内置晶振频率 |
FOSC |
─ |
3.5 |
4.4 |
5.5 |
MHz |
七、应用参考电路原理图

八、封装信息(Packaging)
SOT23-3(单位:毫米)

九、注意

夜雨聆风