全球8大主流系统建模与仿真软件
什么是系统建模与仿真?
Simulink💻 制造商
MathWorks
📘 软件简介
Simulink 是基于图形化块图的动态系统建模与仿真环境,采用信号流建模方式描述系统输入、输出及内部状态变化。支持连续、离散及混合系统建模,适用于控制系统设计、信号处理及算法开发。

软件与 MATLAB 紧密集成,可进行数据分析、参数优化及脚本化建模,同时提供自动代码生成能力(用于嵌入式部署)以及模型级验证工具(MIL/SIL/HIL)。在工程实践中,常作为控制算法开发与系统级仿真的核心工具,并与物理建模软件联合使用。
Simcenter Amesim💻 制造商
📘 软件简介
Simcenter Amesim 采用基于组件的建模方式,面向多领域物理系统的系统级仿真。软件通过连接预定义的物理组件(如泵、阀、换热器、电机等)构建系统模型,支持机械、液压、热、电气及控制系统之间的耦合分析。

其求解器能够处理复杂非线性与刚性问题,适用于瞬态过程分析与系统响应预测。通常用于产品开发早期阶段的方案评估、系统架构设计及性能优化,广泛应用于汽车、工程机械及能源设备领域。
CATIA Dymola💻 制造商
📘 软件简介
CATIA Dymola 基于 Modelica 语言,采用方程式(声明式)建模方法描述多领域物理系统。与信号流建模不同,其模型以物理关系为核心,支持跨学科统一建模及模型复用。

软件具备较强的求解能力,适用于复杂系统的动态行为分析及多变量耦合问题。Dymola 常与MBSE方法结合,用于系统架构设计、功能验证及控制策略开发,在汽车、能源及航空航天领域用于构建高层系统模型和虚拟样机。
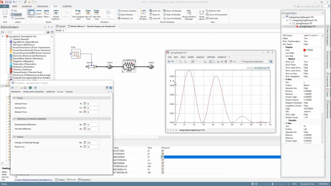
SimulationX💻 制造商
ESI Group(已被KEYSIGHT TECHNOLOGIES 是德科技收购)
📘 软件简介
SimulationX 是基于 Modelica 技术体系的系统仿真平台,提供模块化建模环境和多领域物理库。用户可通过组件连接方式构建系统模型,并进行动态仿真与参数分析。

软件支持机械传动、液压系统、电驱动及控制系统的联合建模,适用于复杂机电系统的性能评估与设计验证。其应用主要集中在机械装备、汽车系统及能源工程领域,常用于系统级设计分析与虚拟调试。
Altair Twin Activate💻 制造商
Altair
📘 软件简介
Altair Twin Activate 支持基于块图的信号流建模与基于物理的建模方法相结合,适用于动态系统仿真与控制系统开发。
软件提供多领域建模能力,并支持与Altair数据分析与仿真工具集成,用于构建系统级模型及数字孪生应用。其建模方式兼顾控制逻辑与物理过程,适用于机电系统建模、控制策略验证以及运行数据驱动的系统分析场景。
MapleSim💻 制造商
Maplesoft
📘 软件简介
MapleSim 基于 Modelica 语言进行系统建模,并结合符号计算技术对系统方程进行简化与转换,从而生成高效的数值模型。

软件支持多领域物理系统建模及参数化分析,适用于机电系统、控制系统及多体动力学建模。其特点在于建模表达能力较强,适合处理结构复杂但需要数学表达清晰的系统模型,常见于科研、算法验证及工程分析场景。
Wolfram System Modeler💻 制造商
Wolfram
📘 软件简介
Wolfram System Modeler 是基于 Modelica 的系统建模与仿真工具,支持多领域物理系统建模及动态仿真分析。

软件与 Wolfram 计算环境集成,可结合符号计算、数据分析与可视化能力,对仿真结果进行进一步处理。其建模方式适用于工程分析、科研建模及教学应用,尤其适合需要将系统仿真与数学计算结合的场景。
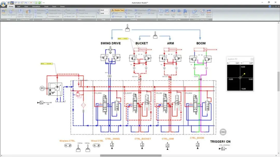
Automation Studio💻 制造商
Famic Technologies
📘 软件简介
Automation Studio 面向液压、气动、电气及自动化系统的设计与仿真,提供以原理图为核心的建模方式。用户可在同一环境中完成系统设计、元件选型及仿真验证,并生成相关技术文档。

软件更侧重工程应用与操作逻辑验证,适用于工业设备设计、系统调试及技术培训等场景,在流体动力与自动化系统领域应用较多。
—THE END—
关于软服之家
软服之家是中国领先的企业软件行业数据研究机构,致力于构建覆盖全行业的软件产品与厂商数据库,系统性发布具有专业影响力的软件榜单和行业分析报告。自成立以来,软服之家围绕“企业软件选型”与“产业数字化”持续开展研究,其数据成果已成为企业选型、行业观察与投资判断的重要参考依据。
软服之家每年定期发布《软件厂商名录》《细分领域软件榜单》《软件采购指南》等系列数据成果,受到业内权威媒体、软件厂商、科研院校与政策研究机构的关注与引用。越来越多的企业在数字化建设过程中,将软服之家的榜单与数据作为软件采购、系统选型与供应商评估的重要判断标准。如果您的公司或产品暂未被收录,可前往软服之家(ruanfujia.com)提交相关资料。
搜一搜:
延伸阅读:
-
海克斯康突然创立新品牌,鹰图是否还能保持在数字化工厂的领先地位 -
全球销量突破5万套:这家三维计量软件巨头做对了什么? -
全球5大主流冲压工艺仿真软件 -
一个月内中标上千万、增资近6亿:这家国产工业软件厂商做对了什么? -
一年之内200+家客户竟然选择了同一款国产PLM,国产PLM时代终于来了 -
SolidWorks PDM杀疯了,达索系统两手互搏,国产厂商难以应对 -
国内9家主流PLM厂商:2026PLM江湖格局已定? -
达索系统MBSE在中国频频落地,靠的是什么? -
全球6大主流科学计算软件 -
全球5大主流声学仿真分析软件 -
全球5大主流CAE切削仿真软件 -
2026注塑成型仿真软件榜单 -
2026疲劳分析软件榜单 -
2026电气原理图设计软件榜单
-
全球主流CNC数控编程软件(CAM) -
全球5大多物理场仿真平台,西门子独占两席 -
2026机械结构仿真分析软件榜单 -
2026 2D机械CAD软件榜单 -
2026CAE前处理软件榜单 -
2026三维管道设计软件榜单 -
2026流体动力学仿真软件榜单
-
2026谁在中国卖正版西门子工业软件? -
2026谁在中国卖正版达索系统软件? -
2026谁在中国卖正版SolidWorks软件? -
2026谁在中国卖正版Ansys软件? -
2026谁在中国卖正版Adobe软件? -
2026谁在中国卖正版Autodesk软件? -
2026谁在中国卖正版PTC软件? -
2026谁在中国卖正版Microsoft软件?


软服之家—企业软件选型及采购服务平台
选企业软件 · 上软服之家
【未经许可 | 请勿转载】
官网:ruanfujia.com
软件报价、厂商合作、进群交流
请扫码联系软服之家客服

夜雨聆风




