群友抛出的这个好文档深度解读:一文弄懂LLC半桥谐振电路的工作原理与设计要点
最近热心群友分享了一个据称是某大厂的LLC培训文档,原文详细介绍了LLC电路的拓扑结构、频率特性以及关键的工作模态分析。由于文档内容整理不规范,本文将在此基础上,以具专业深度和逻辑性的语言进行重构,帮助大家一文弄懂LLC半桥谐振电路的工作原理与设计要点


一、 引言
在现代开关电源设计中,LLC谐振变换器因其能够实现全负载范围内的原边开关管零电压开关(ZVS)和副边整流二极管的零电流开关(ZCS),具有效率高、电磁干扰(EMI)低、功率密度高等显著优点,已成为大功率DC/DC变换的首选拓扑。本文将从拓扑结构、频率特性及工作过程三个维度深入剖析LLC半桥谐振电路。
二、 LLC谐振电路的典型拓扑结构
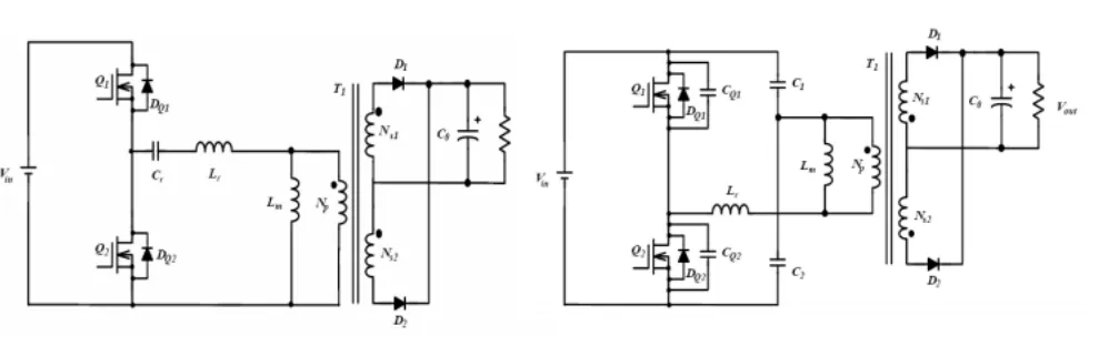
根据谐振电容在电路中的联结方式,LLC半桥谐振电路通常有两种典型连接方式(如图1所示):
-
1. 单谐振电容(Cr)结构: -
• 特点:谐振电容直接串联在谐振回路中。 -
• 优缺点:布线简单,元件成本较低。但其输入电流纹波和电流有效值较高,对电容的耐压和纹波电流承受能力要求较高。 -
2. 分体谐振电容(C1, C2)结构: -
• 特点:利用两个桥臂电容兼作谐振电容。 -
• 优缺点:输入电流纹波和有效值较低。每个电容仅流过一半的有效值电流,且单个电容的容量仅需单电容方案的一半,有利于降低损耗和热量分布。

三、 关键参数:双谐振频率特性
LLC变换器的直流特性与常规PWM变换器不同,其增益受工作频率控制。它具有两个核心谐振频率:
-
1. 第一谐振频率():由串联谐振电感 和谐振电容 决定。 -
2. 第二谐振频率():由励磁电感 、谐振电感 与谐振电容 共同决定(受负载条件影响)。
设计策略:为了获得最高效率,通常将额定工作频率设计在 附近。当输入电压降低时,通过调低开关频率来获得更高的电压增益。合理的谐振参数选择,可以确保LLC变换器在全负载范围和宽输入电压波动下,均能工作在零电压开关(ZVS)区域。
四、 LLC半桥工作过程详细分析
LLC电路的工作循环根据开关状态和能量流动可细分为6个阶段。以下以典型工作波形(图2-2)为参考进行分析:

图2-2 工作波形示意图
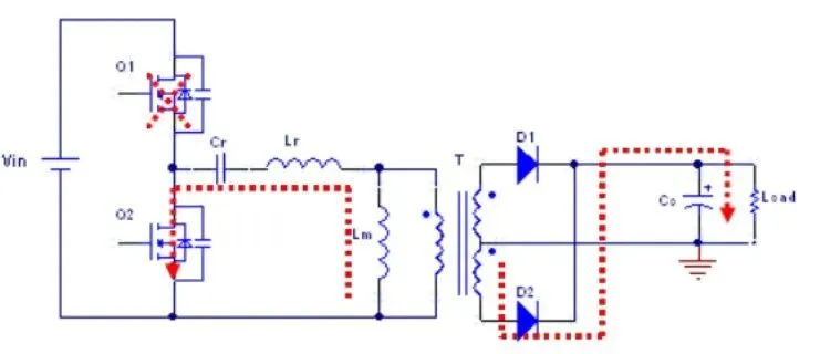
阶段1:(Q1关断,Q2导通)
此阶段谐振电感电流 为负,方向流向Q2。此时变压器原边受输出电压钳位,励磁电感 不参加谐振,仅由 和 组成谐振频率。能量从谐振腔传递至副边,经二极管D2输出。

阶段2:(死区时间,Q1/Q2均关断)
这是实现ZVS的关键阶段。谐振电流 对Q1的输出电容()放电,同时对Q2的 充电。当Q1的 电压降至零,且其体二极管受正向偏置导通时,便为Q1的零电压开通创造了条件。此时变压器脱离副边负载, 参与谐振。

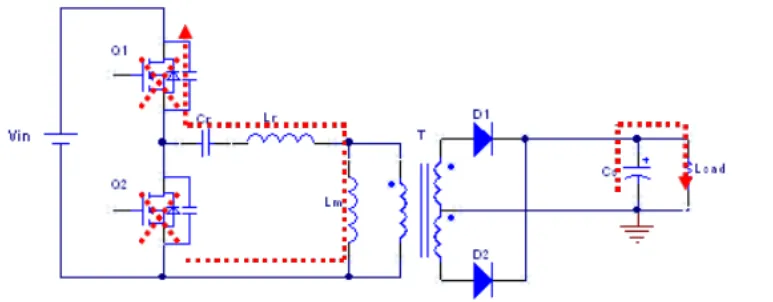
阶段3:(Q1零电压开通)
Q1在 时刻实现ZVS开通。谐振电流 仍为负,通过Q1的体二极管流回输入端 。此时副边整流二极管D1导通,能量开始向输出端提供。 被输出电压钳位,只有 和 参与谐振。

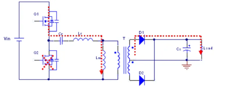
阶段4:(能量正向传输)
谐振电流 由负变正,Q1正式流过正向电流。谐振电流从输入端流向地。在此阶段, 和 继续谐振,能量持续通过D1传输至负载。

阶段5:(死区时间,Q1/Q2均关断)
第二次死区时间。 对Q2的 放电,对Q1的 充电。直到Q2两端电压降为零,体二极管导通,为Q2的ZVS开通做准备。 再次参与谐振。

阶段6:(Q2零电压开通)
Q2实现ZVS开通,能量由谐振电感 经Q2续流。此时副边二极管D2导通提供能量。随着 电流归零,电路回到 状态,进入下一个循环。

五、 总结与设计思考
通过对LLC工作过程的深度剖析,我们可以得出以下结论:
-
1. ZVS的实现:除了死区时间外,绝大部分时间内电路都处于由 和 构成的较高频率谐振状态。死区时间内利用谐振电流对开关管结电容充放电是实现ZVS的核心。 -
2. 励磁电感(Lm)的作用:在能量传输阶段, 被输出电压钳位,不参与谐振,表现为串联谐振腔的被动负载;但在死区阶段, 参与谐振,有助于在轻载下实现稳压,避免了传统谐振变换器轻载时频率过高的问题。 -
3. 效率优化:通过选择合适的谐振参数,LLC能够在任何负载条件下保证开关管的零电压开通,极大地降低了开关损耗。
一句话点评:这份文档非常清晰地展示了LLC的动态切换过程。在实际工程设计中,工程师还需额外关注 谐振腔的Q值选择 以及 变压器漏感利用 等问题。LLC虽然优势明显,但其控制逻辑相对复杂,对磁性器件的参数一致性要求也较高。希望本文的梳理能帮助你更直观地理解这一经典拓扑。
感谢实战派电源群群友的热心分享~💗💗💗

夜雨聆风