第1节 保护装置插件及其对应的二次回路功能
🎛️ 变电站的“最强大脑”:110kV保护装置插件与二次回路的终极解码
—— 101电力课堂笔记提炼 | 零基础看懂黑盒内部的硬核逻辑映射

本期视频的核心主题可高度概括为以下 3 个词语:
📸 [视频图表插入建议:110kV微机保护装置背板插件全景图]
请插入视频中展示的保护装置背板,清晰标注 DC、AC、LPF、CPU、COM、OPT、OUT1、SWI、YQ 等插件位置的截屏

💡 架构师注:微机保护装置就像一个黑盒。怎么把图纸上的线、端子排上的螺丝,和这个黑盒里的功能一一对应起来?本节课,我们将把这个黑盒“大卸八块”,进行最底层的逻辑解剖。


讲师开篇点题:如果你想看懂二次回路和压板图纸,就必须追根溯源!
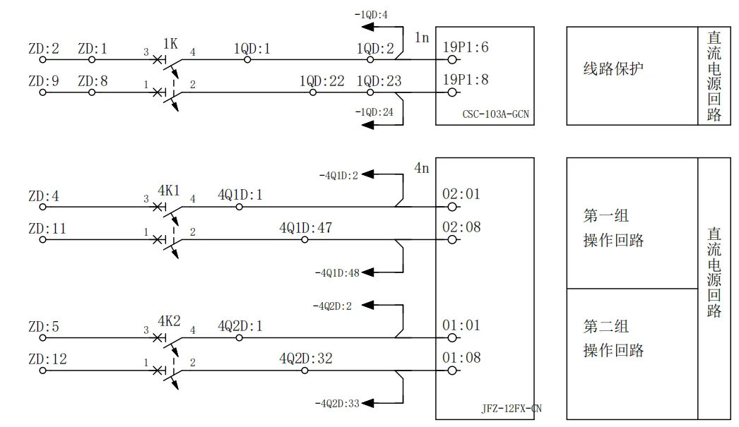
回路的起点:所有的二次回路,本质上都是从保护装置背板上的“插件”引出的 。
物理连接推演:插件内部电路 ➔ 装置背板接口 ➔ 内部配线 ➔ 保护屏端子排 ➔ 二次电缆 ➔ 外部设备(PT、CT、断路器机构)。这就构成了一个完整的闭环。
破局关键:必须极其熟悉每一块插件的英文缩写、功能,以及它外面接的线到底去了哪里 。

讲师逐一拆解了 110kV 线保装置背后的核心插件,并给出了硬核的推导逻辑:
1. 能量与感知层:DC、AC 与 LPF 插件
DC(直流电源板):
接入 110V/220V 直流电,给装置供电
【推导逻辑】:旧装置还会输出一个 24V 的弱电,专门用来作为“开入量”(如功能压板开入)的检测电源,现在功能压板都是用的强电了





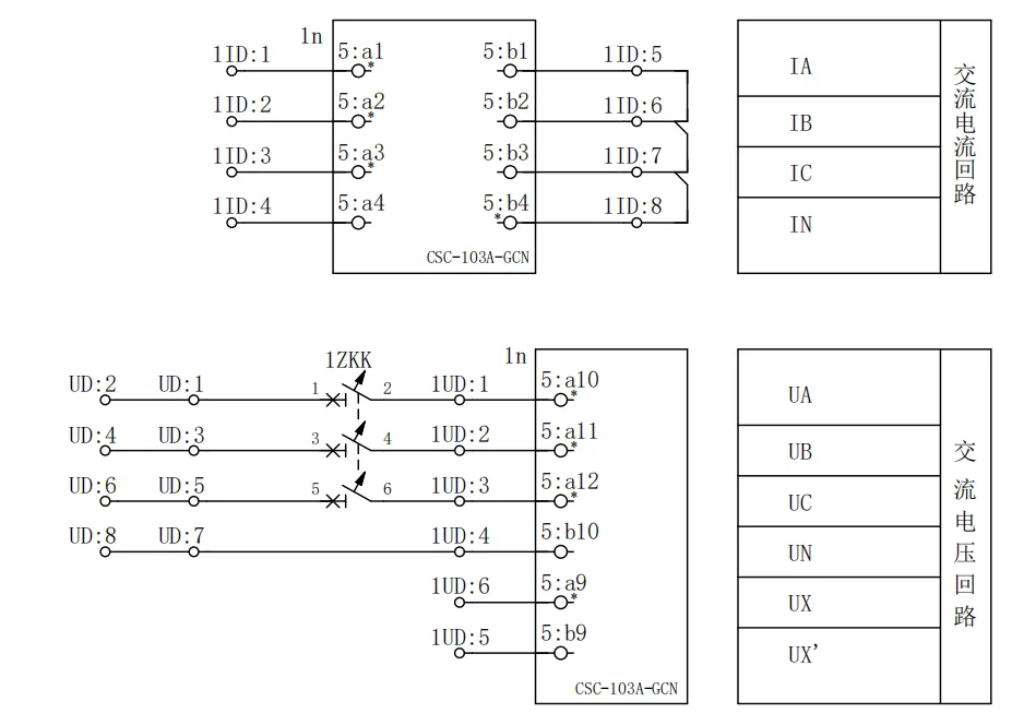
AC(交流输入板/采样板): 专门“交流采样”的模块

【数据来源推演】:
– 三相母线电压 (UA, UB, UC):来自 PT 并列屏(切换后的电压)

– 线路抽取电压 (UX):来自线路(用于重合闸检定)

– 线路电流 (IA, IB, IC):直接来自本间隔的 CT



LPF(低通滤波板):对 AC 板进来的交流信号进行过滤,滤除高频干扰杂波,保证 CPU 吃到的数据是纯净的
2. 大脑与咽喉:CPU 与 COM 插件
CPU(主控板): 装置的核心。负责自检、故障启动算法逻辑执行、通信、录波等。
【实战排雷】: 它是故障率较高的板,一旦坏了,整个装置直接“死机(闭锁)”


COM(通信板):
装置的咽喉。上面插着网线,负责和A/B交换机通讯。将各种遥信数据上传给监控后台、调度远动。同时负责接收对时信号和连接打印机。这也是故障重灾区


保护装置怎么知道外面发生了什么?怎么去控制外面?全靠开入和开出板:
📥 OPT 开入板(信息的收集者)
【底层推导:物理动作如何变成数字信号?】
当你在屏上投入“主保护压板”,本质上是接通了一个 24V(或强电)电路。正电送到 OPT 板的对应端子上,OPT 板将其转换为数字量 “1”,发给 CPU。CPU 就知道:哦,主保护投上了
常见开入源:
– 人为操作:功能压板、复归按钮、重合闸方式把手
– 机构状态:操作回路送来的 TWJ(跳位)、HWJ(合位)、弹簧未储能(用于闭锁重合闸)
– 外部联锁:其他保护送来的“闭锁重合闸”信号




📤 OUT1 开出板(指令的执行者)
致命指令: 保护动作后发出的“跳闸”出口、重合闸动作发出的“合闸”出口





告警指令: 装置异常/闭锁发出的遥信开出、触发录波装置启动的接点开出





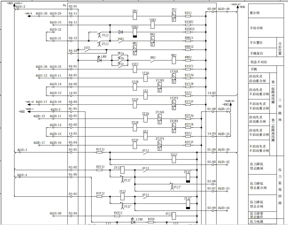
这是 110kV 保护独有的精简设计哲学,讲师进行了深度解密:
❓ 内部解答一:为什么 110kV 没有独立的“操作箱”?
220kV 线路保护都有一个独立的“操作箱”。但在 110kV 中,为了节约成本和空间,设计师将整个操作箱的功能高度集成到了一块插件上——这就是 SWI 操作板

它的职责极度硬核:
包含了跳合闸监视回路、操作箱防跳回路、压力监视回路
向内供血: 它产生合后(KKJ)、跳/合位(TWJ/HWJ)、压力低等节点,内部送给 OPT 开入板
向外报警: 产生事故总信号、控制回路断线等极其重要的遥信接点
【讲师敲黑板】:这块板的理解是日常维护的重中之重,也是最大的难点!

⚡ 特殊任务:YQ(电压切换板)的防线
核心逻辑: 在双母线接线中,这根电压到底是接在 I 母还是 II 母?YQ 板通过采集母线侧刀闸的辅助接点,自动切换对应的母线电压,送给本装置的 AC 板(用于保护)和外部测控(用于测量)

异常判据:
如果 I 母和 II 母的刀闸接点同时接通,YQ 板会判定“切换继电器同时动作”,立刻爆出遥信开出告警,防止母线通过二次回路反充电短路
讲师最后通过一张真实的端子排图纸,演示了回路是如何流转的:

| 端子标识 | 逻辑推演与解释 |
|---|---|
| 投检修态 (603端子) | 当投入检修压板后,正电24V穿过“检修压板”到达 603【深层解释】: 装置收到开入后,停止向上级监控上送软报文信号,避免检修测试时疯狂刷屏报错。但绝对不影响装置内部的硬接点保护跳闸功能! |
| 闭锁重合闸 (611端子) | 只要此端子带正电,保护装置立即放电,不再重合
【外接源推演】: 这个正电可以来自: 1. 保护屏上的闭锁重合闸硬压板; 2. 操作箱发出的 TJR(手跳/永跳节点); 3. 外部的母差保护或备自投(安稳)跳闸节点 |
| 跳/合闸压力低 | 【动作逻辑分歧】:如果“跳闸压力低”带电,直接闭锁开关跳闸;如果“合闸压力低”带电,重合闸未启动时延时放电闭锁,如果重合闸已启动则不放电 |
| 合后位置 (KKJ) | 极其核心的判据元件!功能: 负责给重合闸充电、手跳放电。并且它必须和 TWJ(跳闸位置继电器)配合,构成“位置不对应”回路,以此来启动重合闸 |


📌 交流输入板
保护装置感知外部高压电网的“眼睛”。负责将高电压大电流的 PT/CT 交流二次信号,采集并降压为装置 CPU 能处理的微电平信号。包含母线电压、抽取电压及电流通道。
📌 操纵板
110kV 保护装置特有的高度集成插件。它将传统 220kV 独立的“操作箱”浓缩在一块板上,负责执行跳合闸指令、防跳保护、以及输出 TWJ/HWJ 等关键状态量。
📌 电压切换板 (YQ)
双母线接线系统中的“道岔”。根据现场隔离开关(刀闸)的实际物理位置(接I母还是II母),自动切换取用对应母线的 PT 二次电压,防止保护误动或二次反充电。
📌 检修态开入
一种特殊的逻辑控制开关。投入后,装置在内部打上“检修”标签,停止向调度系统发送软报文告警,避免干扰运行人员。但该状态不会屏蔽实际的物理跳闸出口逻辑。
在变电站现场,如果遇到保护装置报异常,或压板投入无效,请严格按照本节课的“溯源逻辑”,执行以下“由表及里四步排查法”:
第一步:查面板与外部压板。 如果你在屏上投了“距离保护”压板,但装置面板上没有显示“距离已投”。不要急着怀疑装置坏了。
第二步:查端子排电位。 拿万用表,去端子排上找到图纸对应的那个端子(比如投距离的端子)。测量它对地是否有 24V(或 110V/220V)直流正电?如果没有,说明压板本身接触不良或连线断了,查外部二次线!
第三步:查背板插件接口。 如果端子排有电,顺着内部配线,去保护装置背后找到 OPT(开入板)对应的插针位置。测量插针是否有电。如果有电但装置依然不认,说明信号已经进入了黑盒。
第四步:锁定插件故障。 此时基本可以断定,是 OPT 开入板的光耦损坏了,或者是内部通信总线故障,导致数字量“1”未能送达 CPU 主控板。需要申请停电更换 OPT 插板或整个保护装置。

📝 灵魂发问课后练习:
监控后台频繁报某条 110kV 线路的“通信中断”,但去现场看,保护装置液晶屏显示正常,保护也没有动作。请结合本节课的硬件知识,推断大概率是哪个部件出了问题?
【架构师解密验证】:大概率是 COM(通信板)死机或其接口网线松动! 根据讲师的讲解,CPU 负责保护核心算法,COM 板负责对外通信。保护没误动且屏幕亮,说明 CPU 和电源板 DC 正常。后台收不到数据,说明专门负责对外交互的咽喉——COM 插件出了故障,或者连接 COM 板的交换机网络通道异常。这在现场是极其高频的故障现象!
夜雨聆风