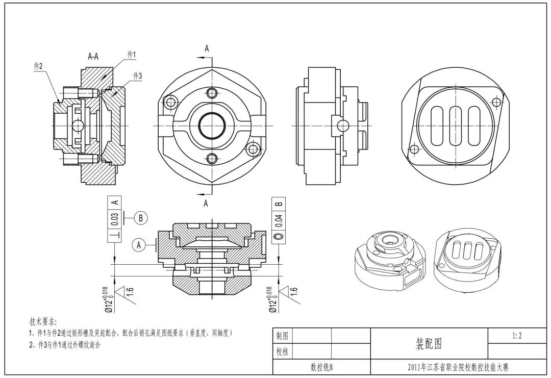
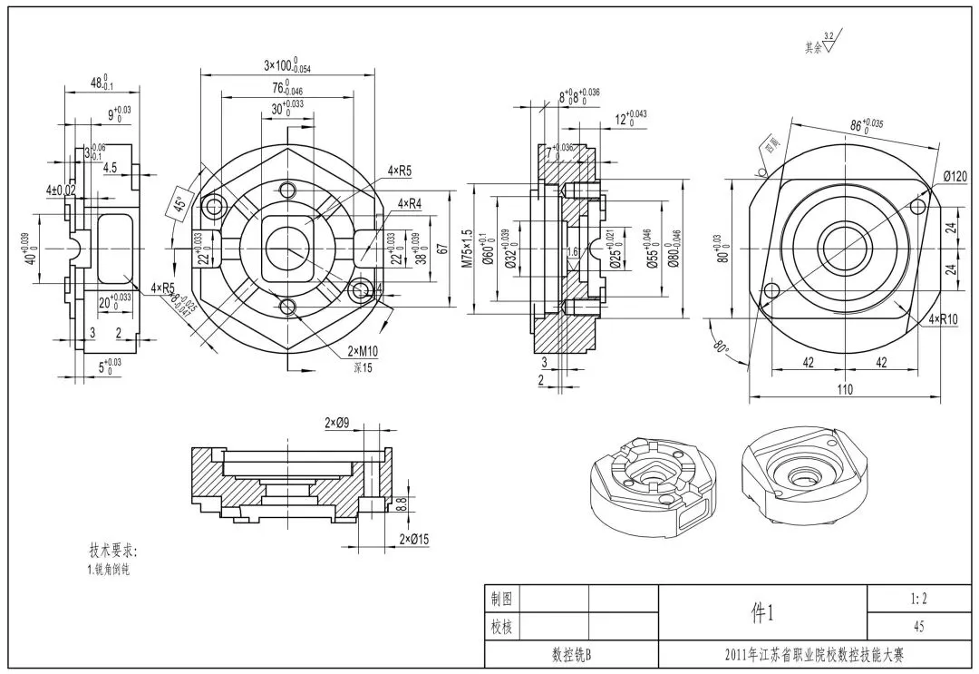
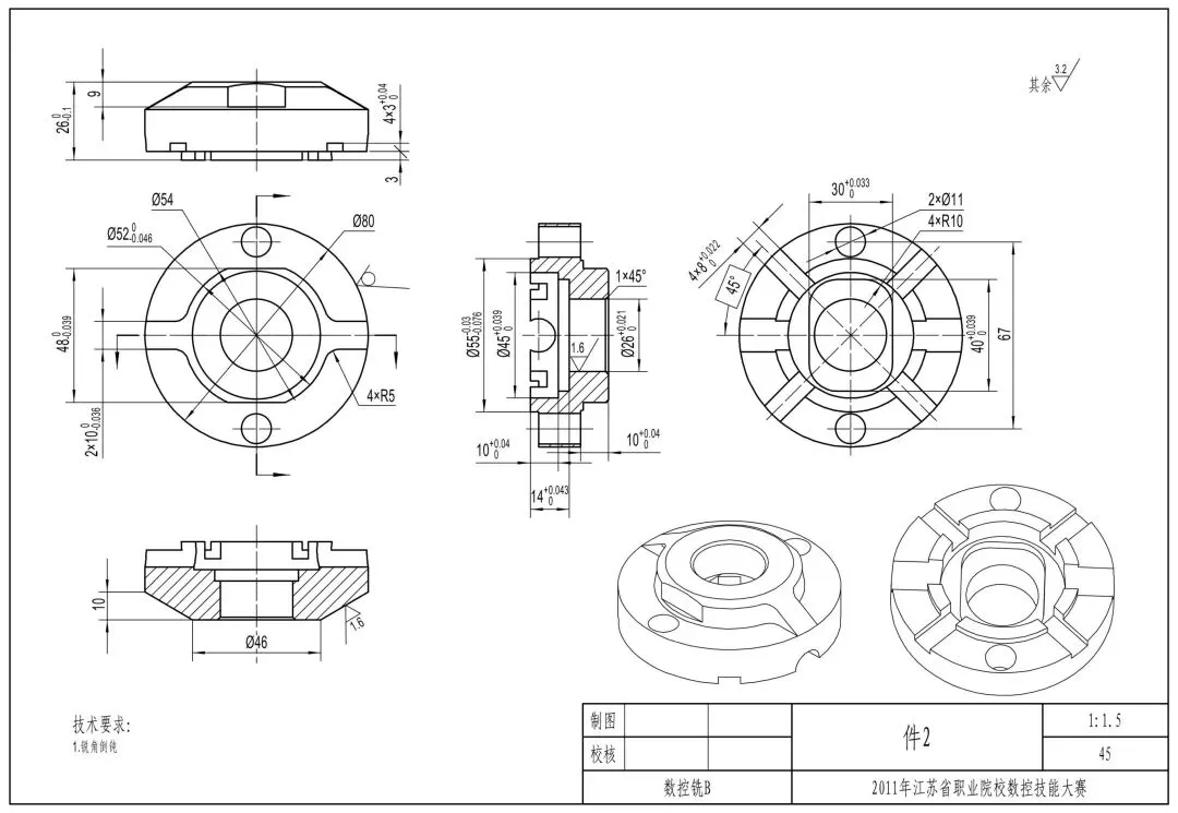
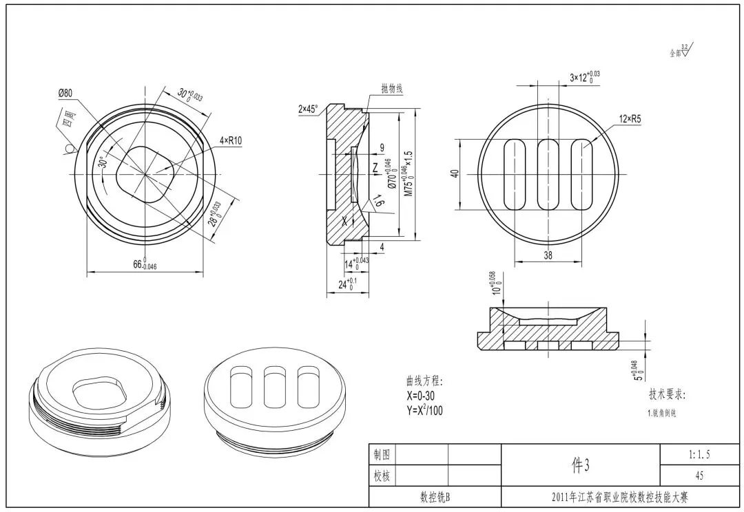
数控装配试题(PDF格式图纸,底部自取)




图纸来源: 2011年江苏省职业院校数控技能大赛 数控铣B
百度网盘链接: 通过百度网盘分享的文件:139.2011…
链接:https://pan.baidu.com/s/1cecGZtiuyq1KMlaTMRhyyg?pwd=9p1o
复制这段内容打开「百度网盘APP 即可获取」
数控装配试题(PDF格式图纸,底部自取)




图纸来源: 2011年江苏省职业院校数控技能大赛 数控铣B
百度网盘链接: 通过百度网盘分享的文件:139.2011…
链接:https://pan.baidu.com/s/1cecGZtiuyq1KMlaTMRhyyg?pwd=9p1o
复制这段内容打开「百度网盘APP 即可获取」