又一国产EDA工具横空出世,打破国外长期的“EDA垄断”,中国电科SUNV-EDA来了(含14家国产板级EDA介绍)
By菁英EDA(微信优秀的芯片IC版图设计、封装PKG设计和线路板PCB 设计全EDA设计链的学习读物,以专业的视角传递EDA设计信息)微信号:EDA_Hunter
关注我,了解更多的EDA设计技术,问题或建议,请添加微信(Lavidlee)联系

作者:晨晞
主要分享EDA设计的学习资源、面试技巧、职场现象,快速了解EDA设计行业,帮助想转行、进阶、小白成长为高阶EDA工程师。
如果你觉得公众号对你有帮助,欢迎推荐给他人…
感谢您抽出

.

.

阅读本文

长期以来,电子设计自动化(EDA)软件被视为半导体产业链最关键的基础工具之一,全球市场主要由欧美厂商主导。在板级EDA领域,企业在复杂封装设计、数据协同以及自动化设计效率等方面普遍依赖进口软件,这也成为国产替代长期推进却进展缓慢的核心原因。
此次发布的SUNV-EDA 2026版,重点瞄准行业普遍存在的“设计效率低、复杂场景难、数据不互通”三大问题。新版本新增自动布线引擎、PCB与封装3D模型查看器以及跨版本元器件库复用等功能,并对高密度PCB与先进封装设计能力进行升级。官方数据显示,其AI自适应布线算法可支持0.1毫米线宽/线距设计,并实现自动打地孔、DFM设计检查等自动化能力,将部分操作时间从数小时压缩至一分钟以内。

在先进封装方面,该工具支持MCM裸芯放置、键合丝绘制以及3D-SiP多层堆叠设计,最高可实现四层立体互联。相关负责人表示,这一能力“成功破解进口工具在高密度、立体封装等高端应用场景中的技术限制”。
除了设计功能升级,SUNV-EDA 2026版还推出“ SUNV 365 ”设计平台,将设计师、PCB制造商与代工厂连接在同一平台,实现文件管理、设计评审以及制板下单等协同流程。官方称,该模式可使设计到生产周期缩短约25%。

公开资料显示,三微电子科技(苏州)有限公司由中国电科体系单位发起设立,控股股东为河北半导体研究所(中国电子科技集团公司第十三研究所)。公司定位于第三代半导体与电子设计技术研发,是中国电科在长三角布局半导体产业的重要平台之一。

目前,SUNV-EDA已在消费电子、航空航天、船舶与卫星等领域开展试点应用。业内人士指出,国产EDA近年来不断推出新工具,但距离真正改变全球EDA市场格局仍需长期技术积累与生态建设。“打破垄断”仍是一个长期过程,而不是一次版本发布就能完成的目标。
1
合见共软–UniVista Archer(UA)
上海合见工业软件集团股份有限公司(简称合见工软)作为高性能工业软件及解决方案提供商,面对板级系统日益激增的市场需求推出UniVista Archer产品。
提起国产EDA软件,大家可能最先想到的是华大九天,实际上华大九天的EDA工具布局在芯片设计和仿真领域,还没有覆盖到封装和板级设计。合见工软是国内仅次于华大九天的EDA软件公司,员工规模约1200人,技术团队占比高达85%,拥有众多国际EDA专家和资深行业经验成员。
UniVista Archer Schematic作为板级系统电路原理设计输入环境,支持基础元件库的统一化创建与管理,并在统一的设计环境中完成元件的选型与系统互连定义。
支持模块电路的创建与设计复用,并能够通过设计规则检查,实现对电路原理设计中各类对象的数据完整性、一致性、正确性的自动化检查验证。同时,支持可配置的元件物料表与网表的输出,驱动后端的PCB设计与制造过程,确保前后端数据的一致,助力企业实现产品研发效率与可靠性的提升。
UniVista Archer Schematic是一款完全自主知识产权的商用级EDA产品,具有优秀的开发性、易用性、灵活性、可扩展性、组件化集成等特点。基于对高科技电子研发企业的特点与业务需求的深刻理解,快速实现新功能的开发与迭代。

UniVista Archer PCB作为领先的一体化PCB设计环境,支持复杂大规模电路板设计,支持在统一的设计环境中完成从原理图网表导入到光绘等生产数据输出的全流程。它拥有高效灵活的铜皮设计,简单易用的走线推挤功能,具有丰富的规则约束管理和严谨的DRC检查,支持电子系统设计全流程上完整的交换数据输入输出,支持输出经过验证的光绘和打孔数据,以及完整准确的现有第三方设计数据导入。
UniVista Archer PCB是一款完全自主知识产权的商用级EDA产品,具有优秀的稳定性、易用性、灵活性、可扩展性等特点。基于对高科技电子研发企业的特点与业务需求的深刻理解,快速实现新功能的开发与迭代。
2
弘快科技-RedEDA
Red EDA是 上海弘快科技有限公司本土公司自主研发的一款EDA软件,致力于打造国产高端PCB软件,开发需求是基于国内包括计算机, 通讯,工业控制,汽车军工,消费电子等多领域大客户的需求,设计精度可以支持到纳米级。
同时可以支持跨操作系统平台的EDA工具。包括元件建库,布局布线,铜箔处理,DRC检测,Gerber数据输出等PCB设计流程功能,完全支持行业内PCB电路设计。
这是RedEDA的原理图界面,提供包含元件Symbol创建、元件浏览、原理图绘制、中文输入与编辑、DRC/ERC检查、BOM管理、网表生成、与RedPCB交互等功能,中英文切换的操作界面,易学易用。


3
为昕科技–为昕EDA
2021年8月1日,上海为昕科技有限有公司发布了一款原理图设计EDA软件-Jupiter,接着又发布了对应的PCB设计软件-MarS,可以为国内电子行业提供设计服务,也为国内EDA行业做出了一份贡献。
为昕EDA专注于PCB板级EDA软件,致力于提供产品设计到仿真的全流程解决方案,提供数据管理集成化的电子产品设计平台,提供全流程工具链方案的同时为客户提供诸如个性化需求的定制化开发服务,将工具和系统紧密结合,围绕降本增效提供系统系统性解决方案。
这是Jupiter原理图设计工具的界面,它继承了主流EDA工具的使用习惯,与PLM系统无缝集成,确保原理图、PCB、BOM等图文档的一致性。


4
芯和半导体-Genesis
2022年12月27日,国产EDA行业的领军企业芯和半导体,在近日厦门举行的ICCAD 2022大会上正式发布全新板级电子设计EDA平台Genesis,这是国内首款基于“仿真驱动设计”理念、完全自主开发的国产硬件设计平台。


5
派兹互连–SailWind
成都派兹互连电子技术有限公司(“派兹互连”)成立于2023年07 月31日,注册资本为2.1亿元。派兹互连独家收购西门子EDA的PADS Standard和 PADS Standard Plus软件的源代码及中国区业务。
SailWind是一款由派兹互连团队创新开发的国产自主的EDA软件。继承了西门子PADS软件在成熟商用市场的技术沉淀和生态积累,融合了国内终端客户及生产制造企业的设计需求,构建了完整的产业链工具系统,实现了从设计到生产的高效对接。

派兹互连依托全球主流成熟商用的PADS软件技术和完善庞大的用 户生态,立足于PADS已经具备高速PCB设计能力,自动布局布线 功能,完备的设计规则检查系统,融合中国电子系统设计与制造的 行业客户需求,打造行业首创的集成、开放的电子系统设计和生命 周期管理平台,从而实现组件、子系统和系统级设计之间的协作。
6
嘉立创科技-立创EDA
立创EDA的前身是Easy EDA,2017年Easy EDA被深圳市嘉立创科技发展有限公司并购,立创EDA实际上就是汉化版的Easy EDA,它是一款强大的电子设计自动化工具,主打中小原理图、电路图绘制。
立创EDA为仿真、PCB设计提供了便利,并且完全由国人独立开发,拥有自己独立的自主知识产权。软件内置了写作版、攻城离线版、和完全离线版三种运行版本,可根据用户的需求在任意地点,任意时间,任意设备上工作。
7
青越软件–青越锋
青越锋是上海青越软件有限公司在2008年推出的一款完全自主知识产权的国产EDA软件,作为国内较早开发出来的一款EDA设计软件,青越锋分为单机版和网络版两种,每个版本分为四个功能模块:SchLib、SchDoc、PCBLib、PCBDoc。

8
华秋电子-KiCad
KiCad是一款基于GNU GPL协议开源的跨平台电子设计自动化(EDA)软件,支持Linux和Windows系统,提供电路原理图设计、PCB布局及生产文件生成等功能。其核心组件包括工程管理器、原理图编辑器、封装关联工具、布线程序及光绘文件查看器,采用图形化界面操作并支持多语言切换与快捷键交互。

KiCad 是一款开源、免费的印刷电路设计软件套件。它由法国格勒诺布尔 IUT 的 Jean-Pierre Charras 于 1992 年开发。

2023 年起,华秋电子成为KiCad的白金赞助商,同时招募了专职软件工程师为KiCad进行开发。除了日常的Bug 修复外,对KiCad在国内的推广使用做出了很大的贡献。
9
侠为电子–侠为EDA
在2022国际集成电路展览会暨研讨会(IIC)上,上海侠为电子有限公司重磅发布创新性的产品:侠为在线设计平台-HeroEDA,它包括Hero SCH原理图设计工具和Hero PCB设计工具。侠为电子创始人、董事长罗晶出席该发布会,并探讨了数字化时代的板级EDA软件发展机遇。

新品方面,侠为“侠为在线设计平台-原理图设计”是基于侠为原理图设计软件,侠为在线设计平台实现了工程管理、团队协作等云端功能。
其中,工程管理功能支持对工程做版本的控制、附件的管理,并支持Wiki功能,方便处理相关的文档工作;团队协作功能支持如审核、分享、批注、实时协作。

此外,该平台还可提供第三方服务接口,通过接入供应链资源,让研发设计更高效。
罗晶还展示了原理图的技术架构。其中包括了设计模型、数据模型、原理图画图的算法、物料清单的管理。他表示,物料清单管理可以用API接口跟元器件电商,包括器件管理跟数据库的连通,PCB设计打通与PCB制造、贴片厂进行沟通,从而实现作为一个电子设计与制造业的入口的形态。

10
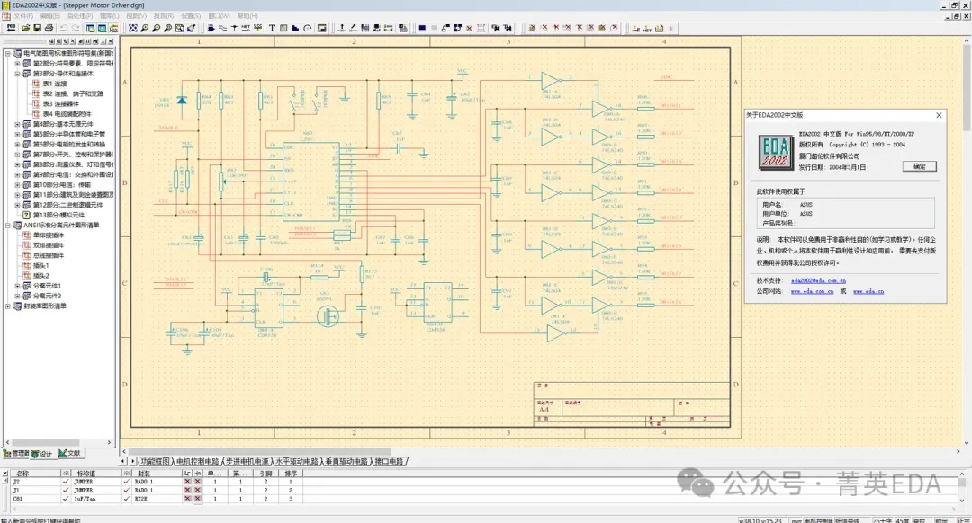
厦门超伦-EDA2002
EDA2002是厦门超伦软件有限公司2004年开发的一款PCB设计软件, EDA 2002的设计功能主要由两大部分组成,电路图设计和印制板设计。除此之外,软件还提供了一个管理窗口,用来管理设计文件和技术档案。
EDA 2002采用一体化的设计环境,在一个程序的两个设计环境下可以分别完成原理图设计,输出,网络编译;印制板设计,输出,布局布线,设计优化,设计校验;建立件库,建立封装库等功能。这样的结构,使得EDA2002易于学习和掌握,使用起来也非常方便。
这是它的原理图界面
这是它的PCB界面
厦门超伦软件还发布了一版 EDA2008 的测试版本,界面和 Altium Designer很像,已经有 PCB 编辑器,可惜没有继续往下开发。


EDA2008的PCB界面
不知道什么原因停止了开发,挺可惜的,现在已经无法访问该公司的网站,已经停止开发和维护,从企查查上看该公司状态也处于注销状态。

11
华为-天枢和斑墨EDA
斑墨EDA是华为内部研发的一款PCB设计软件,华为在芯片级IC LAYOUT、封装级PKG LAYOUT和板级PCB LAYOUT长期使用Cadence的Vertuoso、APD和Allegro产品,Cadence的产品比较丰富,也是唯一家打通IC、PKG和PCB LAYOUT设计的EDA公司。
经过中美芯片制裁风波后,EDA软件限制虽然很少波及到PCB设计产业链,同时华为购买了Cadence公司Allegro软件的长期使用权,但Cadence公司不对后续软件的升级和维护提供服务。比如最新版本是Allegro2025的,但华为还只能使用5年前的Allegro16.6版本。
芯片生产受限后,华为使用高通的芯片,转为手机ODM设计,但芯片上游的高通公司发来的资料都是高版本的,使用低版本的Allegro软件打不开,而且Allegro软件还不提供输出16.6低版本的功能,这个在软件服务行业也是很少见的。为了能够使用Allegro高版本软件,因此,华为的EDA设计很多只能采用第三方公司人力外派的方式进行合作。

为了摆脱这种EDA软件使用的限制,华为曾一度转向使用另外一款日本ZUKEN公司的CR8000软件,后来不知什么原因也没有成功。2023年3月27日 华为宣布投入1600亿元,使EDA软件设计未来两年内完成国产化,例如把电路原理图都转移到自研的天枢EDA上面,合作伙伴和客户也可以在华为云上来使用。目前每月有大约20多万的软件开发人员和19.7万名的硬件开发人员在使用这些新工具,还有203家企业愿意付费使用。
12
联创电路–Liatro Electrical Design
Liatro Electrical Design 联创电路设计系统,发布于1999年,是国内最早发布的一款EDA设计软件,但它是一个专门画原理图的工具,没有PCB编辑。目前官网也已经失效,公司也注销了。


13
新凯来-启云方EDA
2025 年10月15日,湾芯展在深圳召开,新凯来子公司启云方首次发布两款拥有完全自主知识产权的国产电子工程EDA(原理图和 PCB)设计软件,填补了国产高端电子设计工业软件技术空白。

QYF SmartEDA是启云方提供的一款电子自动设计平台软件,旨在为用户提供高效、便捷的电路设计、仿真、布局布线等功能。该软件集成了多种先进的EDA工具和技术,能够满足不同领域和规模的设计需求。
目前,国内EDA工程师使用较多的PCB设计软件主要以Cadence Allegro、PADS、Mentor、AD和CR8000,在BOSS直聘APP的中可以看到多是使用Cadence Allegro和PADS的需求。

所以,目前大家的学习需求还是以Cadence、PADS和AD为主,而Cadence是唯一打通版图、封装和PCB板整条设计链接的EDA软件,从PCB板级设计入手,后期向上游的基板(封装)设计和IC版图设计方向发展有绝对的天然优势。因为界面和使用方法差别不大,因此,建议初学者学习选择从Cadence公司的 Allegro软件入手。
目前国产板级EDA软件虽然功能很强大了,但学习掌握了,没有下游的就业市场,就有种“学而无用”的感觉。希望国产EDA软件的开发更多覆盖到下游的设计端公司,能为EDA工程师提供更多的就业机会,也为坚持不懈走EDA国产化道路的这些英雄们加油。
原创声明:本文由20多年EDA设计经验工程师原创,转载请注明出处。
互动福利:留言点赞最高者,可获赠作者本人编写的《Cadence高速电路设计-基于手机高阶板的案例分析与实现》的电子书一份。
关注我们,解锁更多PCB设计硬核知识!你在PCB设计中遇到过难题?欢迎留言分享实战案例!
往期文章回顾:
【1】人生没有白走的路,每一步都算数:今年首期EDA工程师高阶设计就业班招生中,4月13日开班,速抢席位!
【2】高速信号线等长越来越复杂化:芯片内部延时、内圈效应、趋肤效应、孔径深度以及内外层信号速度不一致都考虑了吗?
【3】EDA设计学习线上平台观看地址更新:解决扫码出现警告的问题
【4】介绍几个常用的下载元器库3件套-原理图库、PCB库和3D库的网站
夜雨聆风