138份专家论证方案(Word可编辑修改)









点击关注公众号:建筑界资源
更多资料免费下载

138份专家论证方案
(Word可编辑修改)
专项方案专家论证是指指危险性较大的分部分项工程安全专项施工方案,是在编制施工组织设计的基础上,针对危险性较大的分部分项工程单独编制的专项施工方案。
今天小编给大家整理了138份专家论证方案,内容涵盖深基坑工程、人工挖孔桩工程、模板工程及支撑体系、建筑幕墙安装工程、钢结构安装工程、地下暗挖工程、顶管工程、水下作业工程等,非常值得借鉴学习。
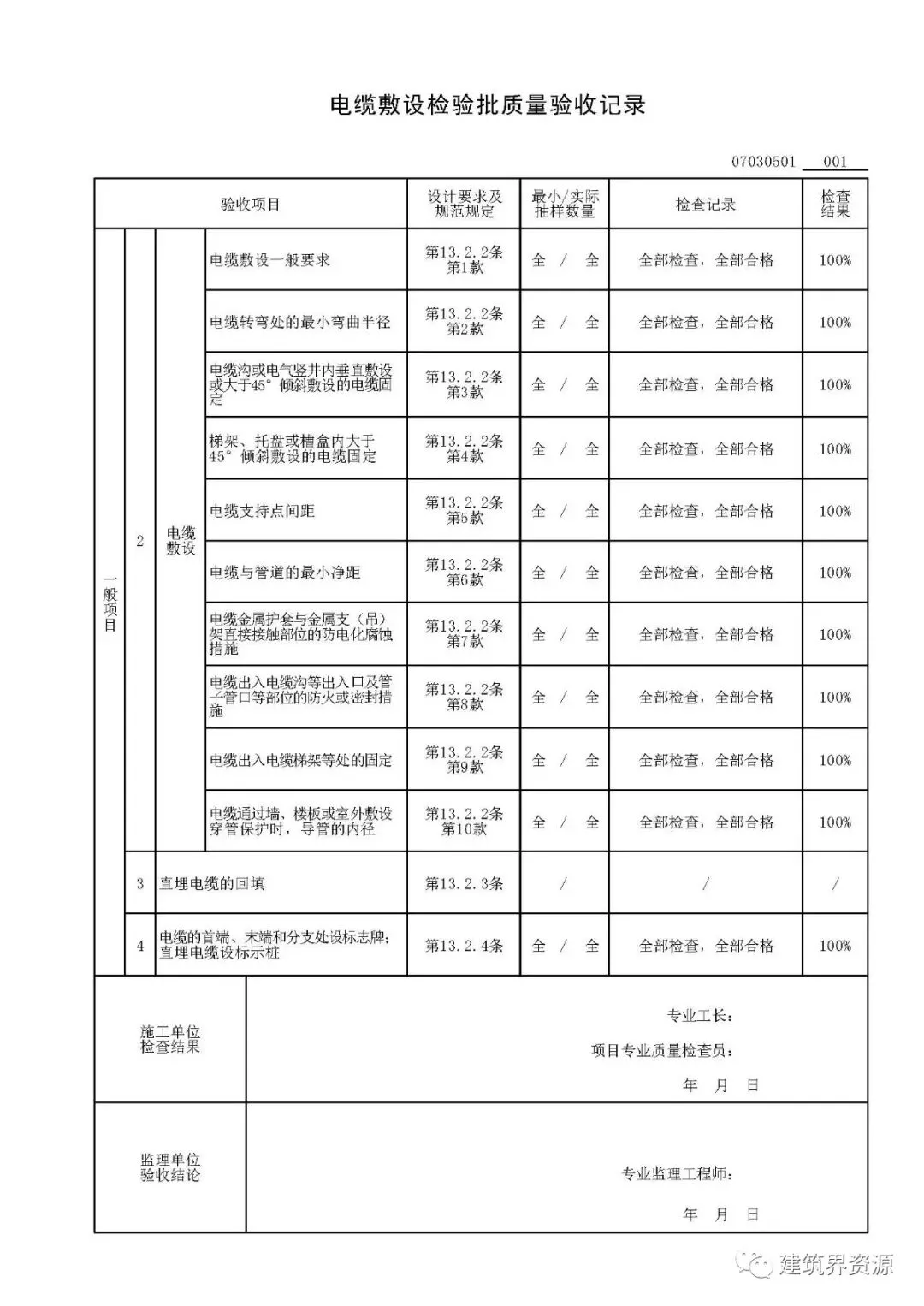
接下来看看其中的资料内容吧!
获取方式见文末
活动时限:3天!截止2022.04.05
扫描添加小编微信








由于版面限制,不能一一截图,有需要的看下方获取方式


4、全套水利资料教程
85、施工项目测量仪器实操、测量管理与控制详解(施工现场实景录制)视频教程
184、中建、恒大、万科、碧桂园施工方案共800份(Word直接套用)
187、16G101、17G101、18G901(三套高清图集-完整版)
188、16G建筑三维平法图集 + 16G三维实训视频教程(高清完整版)
192、新国标GB50300-2013全套表格示例及填表说明(十大分部)
197、施工方案、技术交底、横道图等一建自动生成软件(附:18个施工进度横道图模板)
由于版面有限,部分教程未纳入此目录
👉 点击查看:建筑界资源会员 · 一次办理 · 终身免费
1、点击关注公众号
2、回复关键词:专家论证
分享是一种快乐,转发是我们前行的动力!
特别说明:本公众号提供用户下载的所有内容均来自互联网,以上所有的资源全部保留了原作者的信息,版权归原作者所有,如有侵权,请联系删除!
↙点击“阅读原文”查看会员优质资源
夜雨聆风